更新日期:2024-04-01 00:04:00
产品简介:1.5A、28V 输入、3.3V 输出 TO-220 电源模块
查看详情TPSM84203EAB 供应商
- 公司
- 型号
- 品牌
- 封装/批号
- 数量
- 地区
- 日期
- 说明
- 询价
-
TI
-
原厂原装
22+ -
3288
-
上海市
-
-
-
一级代理原装
-
TI(德州仪器)
-
SIP-Module-3
2022+ -
12000
-
上海市
-
-
-
原装可开发票
TPSM84203EAB 中文资料属性参数
- 现有数量:1,450现货4,800Factory
- 价格:1 : ¥60.34000托盘
- 系列:TPSM
- 包装:托盘
- 产品状态:在售
- 类型:线性稳压器替代品
- 输出数:1
- 电压 - 输入(最小值):4.5V
- 电压 - 输入(最大值):28V
- 电压 - 输出 1:3.3V
- 电压 - 输出 2:-
- 电压 - 输出 3:-
- 电压 - 输出 4:-
- 电流 - 输出(最大值):1.5A
- 功率 (W):-
- 电压 - 隔离:-
- 应用:ITE(商业)
- 特性:OCP,OTP,OVP
- 工作温度:-40°C ~ 85°C(有降额)
- 效率:94%
- 安装类型:通孔
- 封装/外壳:3-SIP 模块
- 大小 / 尺寸:0.40" 长 x 0.31" 宽 x 0.44" 高(10.1mm x 7.8mm x 11.1mm)
- 供应商器件封装:3-SIP 模块
- 控制特性:-
- 认证机构:-
- 标准编号:-
产品特性
- 完全集成的电源解决方案
- 3 引脚 TO-220 封装
- 效率高达 95%
- 固定输出电压选项: 3.3V、5V 和 12V
- 400kHz 开关频率
- 高级 Eco-mode™ 脉冲跨周期
- 预偏置输出启动
- 过流保护
- 输出过压保护
- 过热保护
- 工作结温范围:–40°C 至 +125°C
- 工作环境温度范围:-40°C 至 +85°C
- 符合 EN55022 B 类辐射标准
- 使用 TPSM84203 并借助 WEBENCH® 电源设计器创建定制设计方案
产品概述
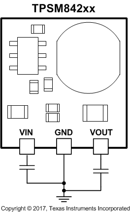
TPSM842xx 电源模块是一种简单易用的集成式电源解决方案,它将 1.5A 直流/直流转换器与功率 MOSFET、电感器和无源器件整合在一个 3 引脚的穿孔插入式封装内。这套完备的电源解决方案只需要增加输入和输出电容器,省去了设计过程中的环路补偿和磁性元件选择。 借助标准 TO-220 引脚,可在这一业界标准封装中更换为明显改善的线性稳压器。TPSM842xx 器件提供更高的效率而无需散热片。
TPSM84203EAB 电路图
TPSM84203EAB 电路图
TPSM84203EAB 相关产品
- A025P-5
- A02N-5
- A03P-12
- A0505S-1WR3
- A0505XT-1WR3
- A0509S-1WR3
- A0512S-1WR3
- A0515S-1WR3
- A05N-12
- A06N-12
- A06N-5
- A10P-12
- A10P-5
- ADUM5000WARWZ-RL
- ADUM5010ARSZ-RL7
- CBS1002415
- CBS1002424
- CBS1002428
- CBS100242R5
- CBS1004803
- CBS1004805
- CBS1004815
- CBS1004824-R
- CBS200241R8
- CBS2002424
- CBS2002428
- CBS2004803
- CBS2004812
- CBS2004824
- CBS2004828

搜索
发布采购