更新日期:2024-04-01 00:04:00
产品简介:具有 360nA Iq 的 200mA 降压转换器模块
查看详情TPS82740BSIPT 供应商
- 公司
- 型号
- 品牌
- 封装/批号
- 数量
- 地区
- 日期
- 说明
- 询价
-
TI
-
原厂原装
22+ -
3288
-
上海市
-
-
-
一级代理原装
-
TI
-
BGA
21+ -
20000
-
上海市
-
-
-
原装现货,品质为先!请来电垂询!
TPS82740BSIPT 中文资料属性参数
- 现有数量:3,732现货10,000Factory
- 价格:1 : ¥26.39000剪切带(CT)250 : ¥18.44312卷带(TR)
- 系列:MicroSip?
- 包装:卷带(TR)剪切带(CT)Digi-Reel? 得捷定制卷带
- 产品状态:在售
- 类型:非隔离 PoL 模块
- 输出数:1
- 电压 - 输入(最小值):2.2V
- 电压 - 输入(最大值):5.5V
- 电压 - 输出 1:2.6 ~ 3.3V
- 电压 - 输出 2:-
- 电压 - 输出 3:-
- 电压 - 输出 4:-
- 电流 - 输出(最大值):200mA
- 功率 (W):-
- 电压 - 隔离:-
- 应用:ITE(商业)
- 特性:远程开/关,OCP,UVLO
- 工作温度:-40°C ~ 85°C
- 效率:90%
- 安装类型:表面贴装型
- 封装/外壳:9-TBGA 模块
- 大小 / 尺寸:0.12" 长 x 0.09" 宽 x 0.04" 高(3.0mm x 2.4mm x 1.0mm)
- 供应商器件封装:9-USIP
- 控制特性:-
- 认证机构:-
- 标准编号:-
产品特性
- 360nA 静态电流典型值
- 10µA 输出电流时的效率高达 90%
- 引脚可选输出电压,步长 100mV
- 集成转换率受控负载开关
- 高达 200mA 输出电流
- 2.2V 至 5.5V 的输入电压范围 VIN
- 射频 (RF) 友好型 DCS-Control
- 低输出电压纹波
- 自动转换至无纹波 100% 模式
- VOUT 和 LOAD 上的放电功能
- 高度不到 1.1mm 的解决方案
- 总体解决方案尺寸 < 6.7mm2
- 小型 2.3mm x 2.9mm MicroSIP 封装
- 低功耗 (Low Energy),消费类电子产品用射频 (RF4CE),短距低功耗通信协议 (Zigbee)
- 可穿戴电子产品
- 能量采集
产品概述
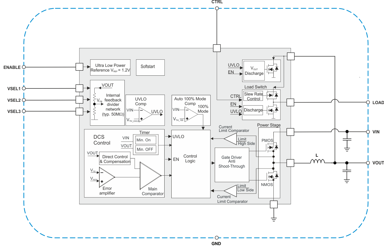
TPS82740 是业界第一款降压转换器模块,此模块特有典型值为 360nA 的静态流耗。 它是一款用于超低功率应用的完整 MicroSIPTM 直流/直流降压电源解决方案。 此模块包括开关稳压器、电感器和输入/输出电容器。 将所有需要的无源组件集成在一起可实现仅为 6.7mm2 的微型解决方案尺寸。 这款全新的基于 DCS-Control 的器件将轻负载效率范围拓展至 10µA 负载电流以下。 它支持高达 200mA 的输出电流。 此器件由可再充电锂离子电池,锂化学电池(例如锂亚硫酰氯 (Li-SOC12),锂锰电池 (Li-MnO2))和两节或三节碱性电池供电运行。 输入电压范围高达 5.5V,也可实现由 1 个 USB 端口和薄膜太阳能模块供电运行。 用户可通过三个电压选择引脚 (VSEL) 在 1.8V 至 2.5V (TPS82740A) 和 2.6V 至 3.3V (TPS82740B) 的范围内以 100mV 的步长选择输出电压。 TPS82740 特有低输出电压纹波和低噪声。 一旦电池电压接近输出电压(接近 100% 占空比),此器件进入无纹波 100% 模式运行,以防止增加输出电压纹波。 在这个情况下,此器件停止开关,并且输出被连接至输入电压。 集成的转换率受控负载开关(具有 0.6Ω 的导通电阻典型值)将已选输出电压配送至一个临时使用的子系统。 TPS82740 采用小型 9 焊锡凸点 6.7mm2 MicroSiPTM 封装。
TPS82740BSIPT 电路图
TPS82740BSIPT 电路图
TPS82740BSIPT 相关产品
- A025P-5
- A02N-5
- A03P-12
- A0505S-1WR3
- A0505XT-1WR3
- A0509S-1WR3
- A0512S-1WR3
- A0515S-1WR3
- A05N-12
- A06N-12
- A06N-5
- A10P-12
- A10P-5
- ADUM5000WARWZ-RL
- ADUM5010ARSZ-RL7
- CBS1002415
- CBS1002424
- CBS1002428
- CBS100242R5
- CBS1004803
- CBS1004805
- CBS1004815
- CBS1004824-R
- CBS200241R8
- CBS2002424
- CBS2002428
- CBS2004803
- CBS2004812
- CBS2004824
- CBS2004828

搜索
发布采购