更新日期:2024-04-01 00:04:00
产品简介:800mA、高效 MicroSiP 降压转换器(外形 <1mm)Vout=2.85V,具有扩展频谱
查看详情TPS82693SIPT 供应商
- 公司
- 型号
- 品牌
- 封装/批号
- 数量
- 地区
- 日期
- 说明
- 询价
-
TI
-
原厂原装
22+ -
3288
-
上海市
-
-
-
一级代理原装
TPS82693SIPT 中文资料属性参数
- 现有数量:0现货1,500Factory查看交期
- 价格:1 : ¥16.14000剪切带(CT)250 : ¥13.85668卷带(TR)
- 系列:MicroSip?
- 包装:卷带(TR)剪切带(CT)Digi-Reel? 得捷定制卷带
- 产品状态:在售
- 类型:非隔离 PoL 模块
- 输出数:1
- 电压 - 输入(最小值):2.3V
- 电压 - 输入(最大值):4.8V
- 电压 - 输出 1:2.85V
- 电压 - 输出 2:-
- 电压 - 输出 3:-
- 电压 - 输出 4:-
- 电流 - 输出(最大值):800mA
- 功率 (W):-
- 电压 - 隔离:-
- 应用:ITE(商业)
- 特性:OCP,OTP,UVLO
- 工作温度:-40°C ~ 85°C
- 效率:90%
- 安装类型:表面贴装型
- 封装/外壳:8-SMD 模块
- 大小 / 尺寸:0.11" 长 x 0.09" 宽 x 0.04" 高(2.9mm x 2.3mm x 1.0mm)
- 供应商器件封装:8-uSIP(2.9x2.3)
- 控制特性:-
- 认证机构:-
- 标准编号:-
产品特性
- 总体解决方案尺寸 < 6.7mm2
- 运行频率为 3MHz 时,效率 95%
- 23μA 静态电流
- 高占空比运行
- 负载与线路瞬态
- 直流电压总精度为 ±2%
- 自动脉冲频率调制/脉宽调制 (PFM/PWM) 模式切换
- 低纹波轻负载 PFM 模式
- 出色的交流负载稳压
- 内部软启动,200µs 启动时间
- 集成型有源断电排序(可选)
- 电流过载和热关断保护
- 高度不到 1mm 的解决方案
- 手机、智能电话
- 光数据模块
- 摄像机和传感器模块
- 可佩带设备
- 低压降稳压器 (LDO) 替代产品
产品概述
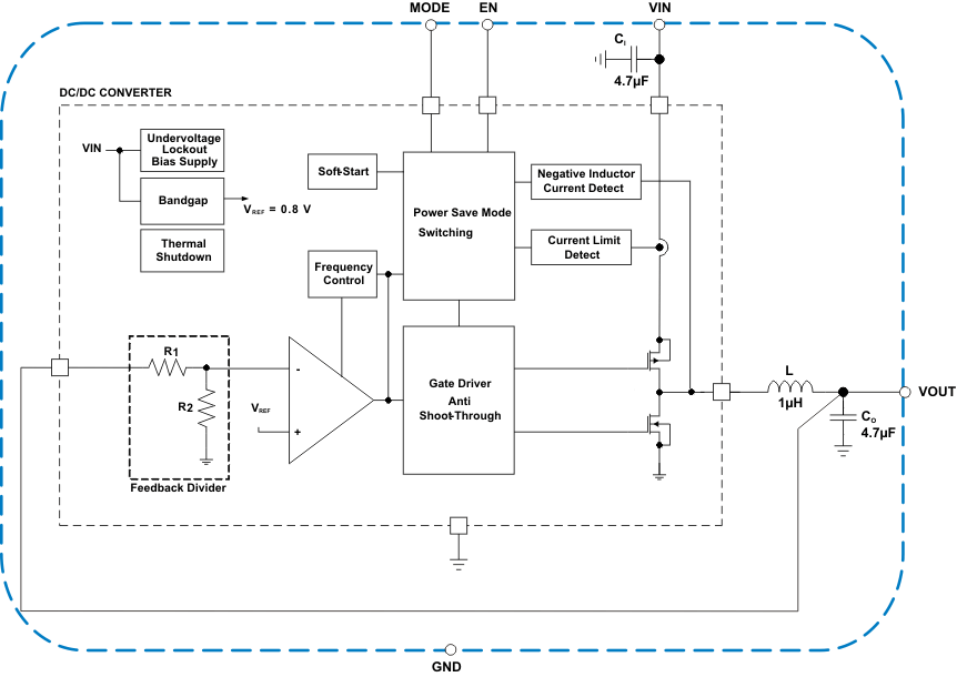
TPS8269xSIP 器件是一款针对低功率应用的完整 500mA/800mA,直流/直流降压电源。 封装中包括开关稳压器、电感器和输入/输出电容器。 设计无需采用额外组件。 TPS8269xSIP 基于高频同步降压直流-直流转换器,此器件针对电池供电便携式应用进行了优化。 此 MicroSIP 直流/直流转换器运行在经调节的 3MHz 开关频率下并且在轻负载电流上进入省电模式以在整个负载电流范围内保持高效率。 PFM 模式可在轻负载工作时将静态电流降至 23μA(典型值),从而可延长电池使用寿命。 对于噪声敏感应用,该器件具有 PWM 展频功能,可提供较低噪声经稳压输出并降低噪声输入上的噪声。 这些特性与高电源抑制比 (PSRR) 和交流负载稳压性能组合在一起,使得该器件适合用来替代线性稳压器以获得更好的电源转换效率。 TPS8269xSIP 封装在一个紧凑 (2.3mm x 2.9mm) 低高度 (1.0mm) 的球栅阵列 (BGA) 封装内,非常适合由标准表面贴装设备进行自动组装。
TPS82693SIPT 电路图
TPS82693SIPT 电路图
TPS82693SIPT 相关产品
- A025P-5
- A02N-5
- A03P-12
- A0505S-1WR3
- A0505XT-1WR3
- A0509S-1WR3
- A0512S-1WR3
- A0515S-1WR3
- A05N-12
- A06N-12
- A06N-5
- A10P-12
- A10P-5
- ADUM5000WARWZ-RL
- ADUM5010ARSZ-RL7
- CBS1002415
- CBS1002424
- CBS1002428
- CBS100242R5
- CBS1004803
- CBS1004805
- CBS1004815
- CBS1004824-R
- CBS200241R8
- CBS2002424
- CBS2002428
- CBS2004803
- CBS2004812
- CBS2004824
- CBS2004828

搜索
发布采购