- 封装:28-SOIC(0.173",4.40mm 宽)裸露焊盘
- RoHS:无铅 / 符合限制有害物质指令(RoHS)规范要求
- 包装方式:Digi-Reel®
- 参考价格:$2.52-$5.04
更新日期:2024-04-01 00:04:00
产品简介:4 通道 LCD 偏置(2.8A 最小升压电流限制高达 20V,2A 最小降压电流限制)
查看详情- 封装:28-SOIC(0.173",4.40mm 宽)裸露焊盘
- RoHS:无铅 / 符合限制有害物质指令(RoHS)规范要求
- 包装方式:Digi-Reel®
- 参考价格:$2.52-$5.04
TPS65160PWPR 供应商
- 公司
- 型号
- 品牌
- 封装/批号
- 数量
- 地区
- 日期
- 说明
- 询价
-
TI
-
原厂原装
22+ -
3288
-
上海市
-
-
-
一级代理原装
-
TI
-
HTSSOP
2019+ -
5800
-
上海市
-
-
-
全新原装现货
TPS65160PWPR 中文资料属性参数
- 标准包装:1
- 类别:集成电路 (IC)
- 家庭:PMIC - 稳压器 - 专用型
- 系列:-
- 应用:转换器,TFT,LCD
- 输入电压:8 V ~ 14 V
- 输出数:4
- 输出电压:最高 20V
- 工作温度:-40°C ~ 85°C
- 安装类型:表面贴装
- 封装/外壳:28-SOIC(0.173",4.40mm 宽)裸露焊盘
- 供应商设备封装:28-HTSSOP
- 包装:Digi-Reel®
- 配用:296-31428-ND - EVAL MOD FOR TPS65161TPS65160EVM-194-ND - EVAL MOD FOR TPS65160
- 其它名称:296-17905-6
产品特性
- 8-V to 14-V Input Voltage Range
- VS Output Voltage Range up to 20 V
- 1% Accurate Boost Converter With 2.8-A Switch Current
- 1.5% accurate 1.8-A Step-Down Converter
- 500-kHz/750-kHz Fixed Switching Frequency
- Negative Charge Pump Driver for VGL
- Positive Charge Pump Driver for VGH
- Adjustable Sequencing for VGL, VGH
- Gate Drive Signal to Drive External MOSFET
- Internal and Adjustable Soft Start
- Short-Circuit Protection
- 23-V (TPS65160) Overvoltage Protection
- 19.5-V (TPS65160A) Overvoltage Protection
- Thermal Shutdown
- Available in HTSSOP-28 Package
产品概述
The TPS65160 offers a compact power supply solution to provide all four voltages required
by thin-film transistor (TFT) LCD panel. With its high current capabilities, the device is ideal
for large screen monitor panels and LCD TV applications.The device can be powered directly from a 12-V input voltage generating the bias voltages
VGH and VGL, as well as the source voltage VS and logic voltage for the LCD
panels. The device consists of a boost converter to provide the source voltage
VS and a step-down converter to provide the logic voltage for the system. A
positive and a negative charge-pump driver provide adjustable regulated output voltages VGL and VGH
to bias the TFT. Both boost and step-down converters, as well as the charge-pump driver, operate
with a fixed switching frequency of 500 kHz or 750 kHz, selectable by the FREQ pin. The TPS65160
includes adjustable power-on sequencing. The device includes safety features like overvoltage
protection of the boost converter and short-circuit protection of the buck converter, as well as
thermal shutdown. Additionally, the device incorporates a gate drive signal to control an isolation
MOSFET switch in series with VS or VGH. See the application circuits at the
end of this data sheet.
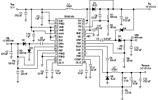
TPS65160PWPR 电路图
TPS65160PWPR 电路图
TPS65160PWPR 相关产品
- A8292SETTR-T
- ADM8832ACPZ
- ADM8839ACPZ
- ADM8839ACPZ-REEL7
- ADP3163JRUZ-REEL
- ADP3192JCPZ-RL
- ADP3193JCPZ-RL
- ADP3198JCPZ-RL
- ADP3206JCPZ-REEL
- ADP3207CJCPZ-RL
- ADP3208AJCPZ-RL
- ADP3208DJCPZ-RL
- ADP3208JCPZ-RL
- ADP3209CJCPZ-RL
- ADP3209DJCPZ-RL
- ADP3209JCPZ-RL
- ADP4000JCPZ-REEL
- ADP4100JCPZ-RL7
- BD8621EFV-E2
- BD8622EFV-E2
- BD8629FS-E2
- CS5165AGDWR16
- CS5165AGDWR16G
- FAN5903UCX
- HIP6012CB-T
- IR3831WMTRPBF
- IR3832WMTRPBF
- IRU3007CWTR
- IRU3013CW
- IRU3027CWTR

搜索
发布采购