- 封装:10-WFDFN 裸露焊盘
- RoHS:无铅 / 符合限制有害物质指令(RoHS)规范要求
- 包装方式:Digi-Reel®
- 参考价格:$1.1175-$2.39
更新日期:2024-04-01 00:04:00
产品简介:250mA 双通道输出有源矩阵有机发光二极管 (AMOLED) 显示屏电源
查看详情- 封装:10-WFDFN 裸露焊盘
- RoHS:无铅 / 符合限制有害物质指令(RoHS)规范要求
- 包装方式:Digi-Reel®
- 参考价格:$1.1175-$2.39
TPS65137ASDSCR 供应商
- 公司
- 型号
- 品牌
- 封装/批号
- 数量
- 地区
- 日期
- 说明
- 询价
-
TI
-
原厂原装
22+ -
3288
-
上海市
-
-
-
一级代理原装
-
TI(德州仪器)
-
WSON-10(3x3)
2022+ -
12000
-
上海市
-
-
-
原装可开发票
TPS65137ASDSCR 中文资料属性参数
- 标准包装:1
- 类别:集成电路 (IC)
- 家庭:PMIC - 显示器驱动器
- 系列:-
- 显示器类型:AMOLED
- 配置:显示矩阵
- 接口:-
- 数字或字符:-
- 电流 - 电源:400µA
- 电源电压:2.3 V ~ 5.5 V
- 工作温度:-40°C ~ 85°C
- 安装类型:表面贴装
- 封装/外壳:10-WFDFN 裸露焊盘
- 供应商设备封装:10-SON 裸露焊盘(3x3)
- 包装:Digi-Reel®
- 其它名称:296-29436-6
产品特性
- 2.5V 至 4.8V 输入电压范围
- 0.8% 输出电压精度 V正向
- 出色的线路瞬态稳压
- 250mA 输出电流
- 固定 4.6V V正向输出电压
- 数字可编程 V负向,-2.2V 至 -5.2V
- V负向的缺省值为 -4.9V
- 短路保护
- 热关断
- 3mm × 3mm 10 引脚四方扁平无引线 (QFN) 封装
- 有源矩阵 OLED
产品概述
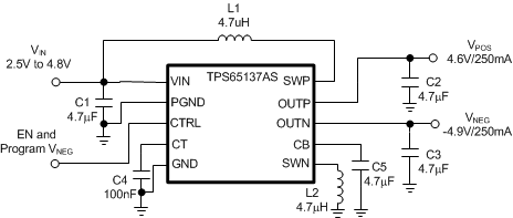
TPS65137AS 被设计用于驱动需要正负电压电源轨的 AMOLED 显示屏(有源矩阵有机发光二极管)。 此器件集成了一个具有低压降 (LDO) 后置稳压器的升压转换器和一个适合于电池供电类产品的反相降压-升压转换器。 数字控制引脚 (CTRL) 允许用数字步进设定负输出电压。 TPS65137AS 使用一个可实现出色线路和负载稳压的全新技术。 需要使用此技术来避免手机发送阶段产生的输入电压干扰对 AMOLED 显示屏造成的影响。
TPS65137ASDSCR 数据手册
数据手册 | 说明 | 数量 | 操作 |
---|---|---|---|
![]() |
IC AMOLED DISPLAY POS/NEG 10WSON |
20页,1002K | 查看 |
TPS65137ASDSCR 电路图

TPS65137ASDSCR 电路图
TPS65137ASDSCR 相关产品
- AS1119-BWLT
- BU97500KV-E2
- BU97930MUV-E2
- BU97931FV-E2
- BU9795AGUW-E2
- BU9798GUW-E2
- BU9798KV-E2
- CD4054BE
- CD4054BM96
- CD4054BPW
- CD4055BE
- CD4055BM
- CD4055BPW
- CD4056BE
- CD4056BM96
- CD4056BPW
- CD4511BE
- CD4511BNSR
- CD4511BNSRG4
- CD4511BPWR
- CD4543BE
- CD4543BM96
- CD4543BNSR
- CD4543BPWR
- CD74HC4511E
- CD74HC4511M96
- CD74HC4511PWR
- CD74HC4511PWRE4
- CD74HC4511PWRG4
- CD74HC4543E