- 封装:24-VFQFN 裸露焊盘
- RoHS:无铅 / 符合限制有害物质指令(RoHS)规范要求
- 包装方式:Digi-Reel®
- 参考价格:$1.728-$3.46
更新日期:2024-04-01 00:04:00
产品简介:具有完全集成的正电荷泵、3.3V LDO 控制器、1.6A 最小升压电流限制和 VCOM 的 4 通道 LCD 偏置
查看详情- 封装:24-VFQFN 裸露焊盘
- RoHS:无铅 / 符合限制有害物质指令(RoHS)规范要求
- 包装方式:Digi-Reel®
- 参考价格:$1.728-$3.46
TPS65101RGER 供应商
- 公司
- 型号
- 品牌
- 封装/批号
- 数量
- 地区
- 日期
- 说明
- 询价
-
TI
-
原厂原装
22+ -
3288
-
上海市
-
-
-
一级代理原装
TPS65101RGER 中文资料属性参数
- 标准包装:1
- 类别:集成电路 (IC)
- 家庭:PMIC - 稳压器 - 专用型
- 系列:-
- 应用:控制器,TFT LCD
- 输入电压:2.7 V ~ 5.8 V
- 输出数:4
- 输出电压:多重
- 工作温度:-40°C ~ 85°C
- 安装类型:表面贴装
- 封装/外壳:24-VFQFN 裸露焊盘
- 供应商设备封装:24-VQFN 裸露焊盘(4x4)
- 包装:Digi-Reel®
- 其它名称:296-19712-6
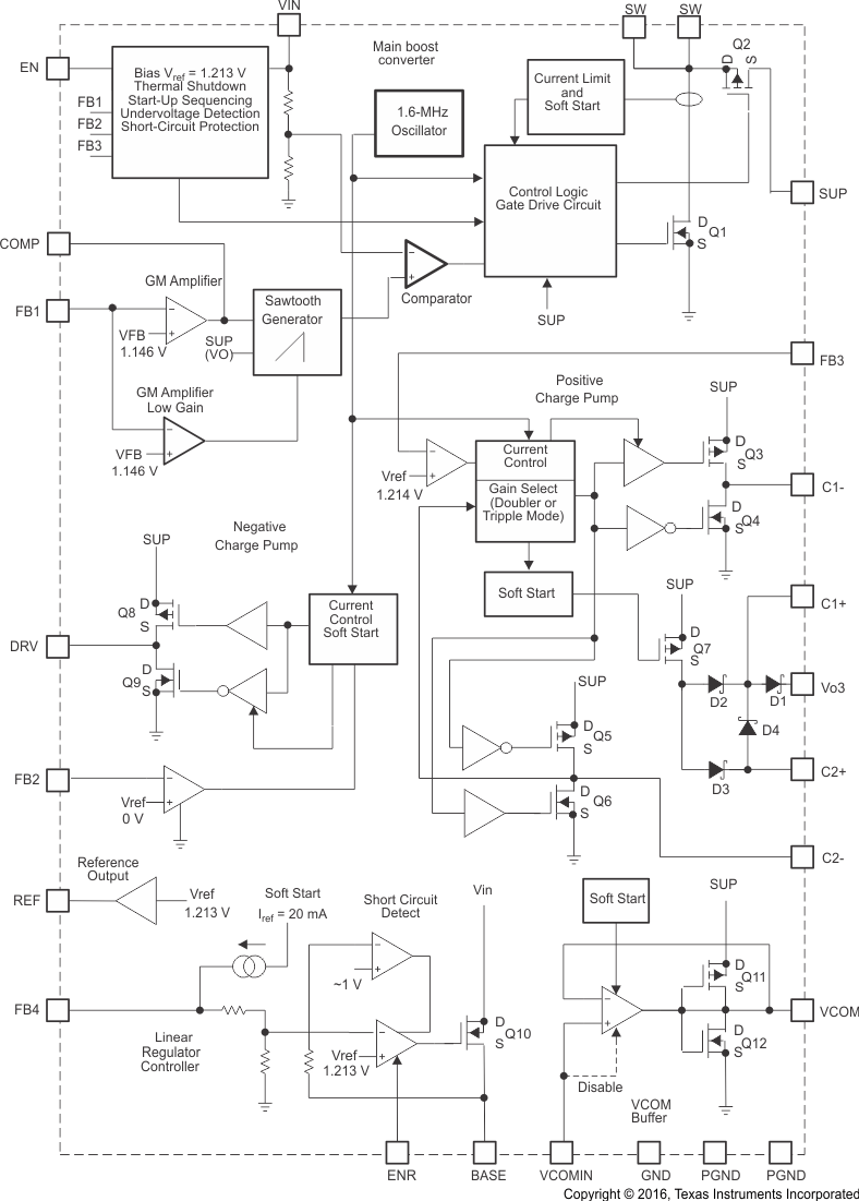
产品特性
- 2.7-V to 5.8-V Input Voltage Range
- 1.6-MHz Fixed Switching Frequency
- 3 Independent Adjustable Outputs
- Boost Converter Output Voltage VO1 of up to 15 V With < 1% Output Voltage Accuracy
- Negative Regulated Charge Pump VO2
- Positive Charge Pump VO3
- Integrated VCOM Buffer
- Virtual Synchronous Converter Technology in Boost Converter
- Auxiliary 3.3-V Linear Regulator Controller
- Internal Soft Start
- Internal Power-On Sequencing
- Fault Detection of all Outputs (TPS65100/05)
- No Fault Detection (TPS65101)
- Thermal Shutdown
- Available in TSSOP-24 and VQFN-24 PowerPAD™ Packages
产品概述
The TPS6510x series offers a compact and small power supply solution that provides all
three voltages required by thin film transistor (TFT) LCD displays. The auxiliary linear regulator
controller can be used to generate a 3.3-V logic power rail for systems powered by a 5-V supply
rail only.The main output VO1, is a 1.6-MHz, fixed-frequency PWM boost
converter providing the source drive voltage for the LCD display. The device is available in two
versions with different internal switch current limits to allow the use of a smaller external
inductor when lower output power is required. The TPS65100/01 has a typical switch current limit of
2.3 A, and the TPS65105 has a typical switch current limit of 1.37 A. A fully integrated adjustable
charge pump doubler/tripler provides the positive LCD gate drive voltage. An externally adjustable
negative charge pump provides the negative gate drive voltage. Due to the high 1.6-MHz switching
frequency of the charge pumps, inexpensive and small 220-nF capacitors can be used. The TPS6510x series has an integrated VCOM buffer to power the LCD backplane. For LCD
panels powered by 5 V only, the TPS6510x series has a linear regulator controller using an external
transistor to provide a regulated 3.3-V output for the digital circuits. For maximum safety, the
TPS65100/05 goes into shutdown as soon as one of the outputs is out of regulation. The device can
be enabled again by toggling the input or the enable (EN) pin to GND. The TPS65101 does not enter
shutdown when one of the outputs is below its power good threshold.
TPS65101RGER 电路图

TPS65101RGER 电路图
TPS65101RGER 相关产品
- A8292SETTR-T
- ADM8832ACPZ
- ADM8839ACPZ
- ADM8839ACPZ-REEL7
- ADP3163JRUZ-REEL
- ADP3192JCPZ-RL
- ADP3193JCPZ-RL
- ADP3198JCPZ-RL
- ADP3206JCPZ-REEL
- ADP3207CJCPZ-RL
- ADP3208AJCPZ-RL
- ADP3208DJCPZ-RL
- ADP3208JCPZ-RL
- ADP3209CJCPZ-RL
- ADP3209DJCPZ-RL
- ADP3209JCPZ-RL
- ADP4000JCPZ-REEL
- ADP4100JCPZ-RL7
- BD8621EFV-E2
- BD8622EFV-E2
- BD8629FS-E2
- CS5165AGDWR16
- CS5165AGDWR16G
- FAN5903UCX
- HIP6012CB-T
- IR3831WMTRPBF
- IR3832WMTRPBF
- IRU3007CWTR
- IRU3013CW
- IRU3027CWTR