- 封装:48-VFQFN 裸露焊盘
- RoHS:无铅 / 符合限制有害物质指令(RoHS)规范要求
- 包装方式:Digi-Reel®
- 参考价格:$10.556-$9.6004
更新日期:2024-04-01 00:04:00
产品简介:具有电池充电器、3 个降压转换器和 2 个 LDO 的电源管理 IC (PMIC)
查看详情- 封装:48-VFQFN 裸露焊盘
- RoHS:无铅 / 符合限制有害物质指令(RoHS)规范要求
- 包装方式:Digi-Reel®
- 参考价格:$10.556-$9.6004
TPS65070RSLT 供应商
- 公司
- 型号
- 品牌
- 封装/批号
- 数量
- 地区
- 日期
- 说明
- 询价
-
TI
-
原厂原装
22+ -
3288
-
上海市
-
-
-
一级代理原装
-
TI(德州仪器)
-
48-VFQFN
2022+ -
12000
-
上海市
-
-
-
原装可开发票
-
TI
-
原厂原装
2318+ -
9200
-
合肥
-
-
-
科大讯飞战略投资企业
TPS65070RSLT 中文资料属性参数
- 标准包装:1
- 类别:集成电路 (IC)
- 家庭:PMIC - 电源管理 - 专用
- 系列:-
- 应用:移动通讯/OMAP?
- 电流 - 电源:-
- 电源电压:2.8 V ~ 6.3 V
- 工作温度:-40°C ~ 85°C
- 安装类型:表面贴装
- 封装/外壳:48-VFQFN 裸露焊盘
- 供应商设备封装:48-VQFN-EP(6x6)
- 包装:Digi-Reel®
- 其它名称:296-32520-6
产品特性
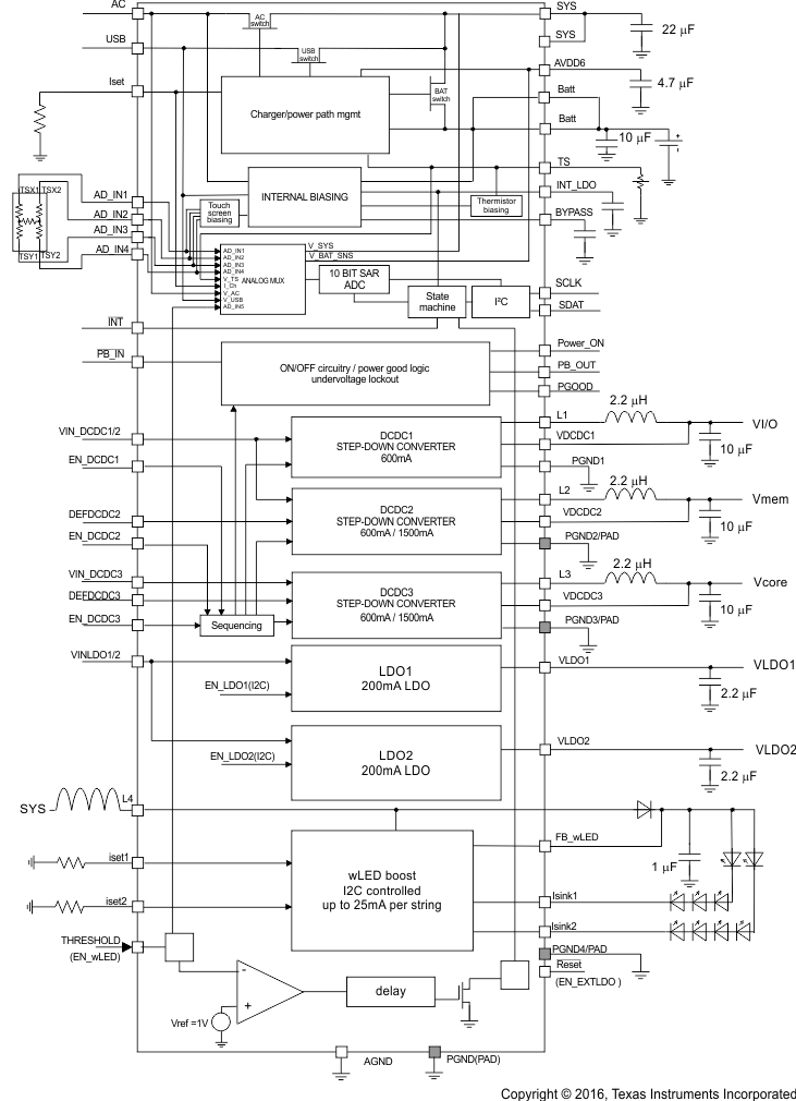
- 充电器/电源路径管理: 电源路径上的 2A 输出电流 线性充电器;1.5A 最大充电电流 USB 输入 100mA/500mA/800mA/1300mA 限流 热调节、安全定时器 温度感测输入
- 电源路径上的 2A 输出电流
- 线性充电器;1.5A 最大充电电流
- USB 输入 100mA/500mA/800mA/1300mA 限流
- 热调节、安全定时器
- 温度感测输入
- 3 个降压转换器: 2.25MHz 固定频率工作 输出电流高达 1.5A 可调节或固定输出电压 VIN 范围从 2.8V 至 6.3V 轻负载电流状态下进入节能模式 PWM 模式下的输出电压精度为 ±1.5% 每个转换器的静态电流典型值为 19µA 可实现 100% 占空比,以确保最低压降
- 2.25MHz 固定频率工作
- 输出电流高达 1.5A
- 可调节或固定输出电压
- VIN 范围从 2.8V 至 6.3V
- 轻负载电流状态下进入节能模式
- PWM 模式下的输出电压精度为 ±1.5%
- 每个转换器的静态电流典型值为 19µA
- 可实现 100% 占空比,以确保最低压降
- LDO: 固定输出电压 LDO2 上的动态电压调节 20µA 静态电流 200mA 最大输出电流 VIN 范围从 1.8V 至 6.3V
- 固定输出电压
- LDO2 上的动态电压调节
- 20µA 静态电流
- 200mA 最大输出电流
- VIN 范围从 1.8V 至 6.3V
- wLED 升压转换器: 使用 I2C 进行内部调光 多达 2 × 10 个 LED 每个灯串高达 25mA,具有内部灌电流
- 使用 I2C 进行内部调光
- 多达 2 × 10 个 LED
- 每个灯串高达 25mA,具有内部灌电流
- I2C 接口
- 10 位 A/D 转换器
- 触摸屏界面
- 低压锁定和电池故障比较器
产品概述
TPS6507x 系列器件属于单芯片电源管理 IC (PMIC),适用于 以下便携式应用: 包含用于单节锂离子电池或锂聚合物电池的具备电源路径管理的电池充电器。该充电器既可由 USB 引脚上的 USB 端口供电,也可由连接到 AC 引脚上的壁式适配器提供的直流电压供电。三个高效 2.25MHz 降压转换器用于为一个基于处理器的系统提供内核电压、存储器和 I/O 电压。为了在最大可能的负载电流范围内实现最大效率,这些降压转换器在轻负载时进入低功耗模式。 对于低噪声 应用 这些器件可通过 I2C 接口强制进入固定频率 PWM。这些降压转换器允许使用小型电感器和电容器,可实现较小的解决方案尺寸。TPS6507x 器件还集成了两个用于实现 200mA 输出电流的通用 LDO。这两个 LDO 不仅可为 SD 卡接口和常开 电压轨供电,还可用于其他用途。每个 LDO 可在 1.8V 至 6.3V 输入电压范围内正常运行,这使得它们可以由其中一个降压转换器供电,也可以由主电池直接供电。具备两个可编程灌电流的感应升压转换器为两个白色 LED 灯串供电。TPS6507x 器件采用间距为 0.4mm 的 48 引脚封装 (6mm × 6mm VQFN)。
TPS65070RSLT 数据手册
数据手册 | 说明 | 数量 | 操作 |
---|---|---|---|
![]() |
Mobile/OMAP? PMIC 48-VQFN (6x6) |
98页,2.02M | 查看 |
TPS65070RSLT 电路图

TPS65070RSLT 电路图
TPS65070RSLT 相关产品
- AD9394BCBZ-R7
- ADM1192-1ARMZ-R7
- ADN8830ACPZ-REEL7
- ADN8831ACPZ-REEL7
- AP5727WG-7
- AT73C246
- BA5810FP-E2
- BD4154FV-E2
- BD6046GUL-E2
- BD6171KV-E2
- BD7964FS-E2
- BD8132FV-E2
- BD9882F-E2
- BD9882FV-E2
- BD9883AF-E2
- BD9883FV-E2
- BD9896FV-E2
- BQ25046DQCR
- BQ25046DQCT
- BQ25504RGTR
- BQ500110RGZR
- BQ500210RGZR
- BQ500210RGZT
- BQ500211RGZT
- BQ51011YFFR
- BQ51011YFFT
- BQ51013ARHLT
- BQ51013AYFPR
- BQ51013AYFPT
- BQ51013YFFR