- 封装:24-VFQFN 裸露焊盘
- RoHS:无铅 / 符合限制有害物质指令(RoHS)规范要求
- 包装方式:带卷 (TR)
- 参考价格:$3.97752
更新日期:2024-04-01 00:04:00
产品简介:具有 2 个直流/直流转换器和 3 个 LDO 的可配置集成电源管理 (PMIC)
查看详情- 封装:24-VFQFN 裸露焊盘
- RoHS:无铅 / 符合限制有害物质指令(RoHS)规范要求
- 包装方式:带卷 (TR)
- 参考价格:$3.97752
TPS650531RGET 供应商
- 公司
- 型号
- 品牌
- 封装/批号
- 数量
- 地区
- 日期
- 说明
- 询价
-
TI
-
原厂原装
22+ -
3288
-
上海市
-
-
-
一级代理原装
-
TI(德州仪器)
-
VQFN-24(4x4)
2022+ -
12000
-
上海市
-
-
-
原装可开发票
-
TI
-
原厂原装
2318+ -
9200
-
合肥
-
-
-
科大讯飞战略投资企业
TPS650531RGET 中文资料属性参数
- 标准包装:250
- 类别:集成电路 (IC)
- 家庭:PMIC - 电源管理 - 专用
- 系列:-
- 应用:移动通讯/OMAP?
- 电流 - 电源:-
- 电源电压:2.5 V ~ 6 V
- 工作温度:-40°C ~ 85°C
- 安装类型:表面贴装
- 封装/外壳:24-VFQFN 裸露焊盘
- 供应商设备封装:24-VQFN 裸露焊盘(4x4)
- 包装:带卷 (TR)
产品特性
- Up To 95% Efficiency
- Output Current for DC-DC Converters: TPS65053: DCDC1 = 1 A; DCDC2 = 0.6 A TPS650531, TPS650532: DCDC1 = 1 A; DCDC2 = 1 A TPS65058: DCDC1 = 0.6 A; DCDC2 = 1 A
- TPS65053: DCDC1 = 1 A; DCDC2 = 0.6 A
- TPS650531, TPS650532: DCDC1 = 1 A; DCDC2 = 1 A
- TPS65058: DCDC1 = 0.6 A; DCDC2 = 1 A
- TPS65053, TPS650531, TPS650532: DC-DC Converters Externally Adjustable
- TPS65058: DCDC1 Fixed at 3.3V, DCDC2 selectable between 1.8V and 1.2V with Dynamic Voltage Scaling for Core Processor Supply
- VIN Range for DC-DC Converters From 2.5 V to 6 V
- 2.25-MHz Fixed Frequency Operation
- Power Save Mode at Light Load Current
- 180° Out-of-Phase Operation
- Output Voltage Accuracy in PWM Mode ±1%
- Total Typical 32-µA Quiescent Current for Both DC-DC Converters
- 100% Duty Cycle for Lowest Dropout
- One General-Purpose 400-mA LDO
- Two General-Purpose 200-mA LDOs
- VIN Range for LDOs from 1.5 V to 6.5 V
- Output Voltage for LDOs: TPS65053 / TPS650531 / TPS650532: VLDO1 and VLDO2 Externally Adjustable, VLDO3 = 1.3 V / 1.2 V / 1.5 V TPS65058: VLDO1 = 3.3 V, VLDO2 selectable between 1.8V and 1.2V, VLDO2 selectable between 1.8V and 1.3V
- TPS65053 / TPS650531 / TPS650532: VLDO1 and VLDO2 Externally Adjustable, VLDO3 = 1.3 V / 1.2 V / 1.5 V
- TPS65058: VLDO1 = 3.3 V, VLDO2 selectable between 1.8V and 1.2V, VLDO2 selectable between 1.8V and 1.3V
产品概述
The TPS6505xx family of devices are integrated power management ICs for applications
powered by one Li-Ion or Li-Polymer cell, which require multiple power rails. The TPS6505xx devices
provide two highly efficient, 2.25-MHz step-down converters targeted at providing the core voltage
and I/O voltage in a processor-based system. Both step-down converters enter a low power mode at
light load for maximum efficiency across the widest possible range of load currents. For low noise
applications the devices can be forced into fixed frequency PWM mode by pulling the MODE pin high.
The TPS6505xx devices also integrate one 400-mA LDO and two 200-mA LDO voltage regulators. Each LDO
operates with an input voltage range between 1.5 V and 6.5 V allowing them to be supplied from one
of the step-down converters or directly from the main battery.
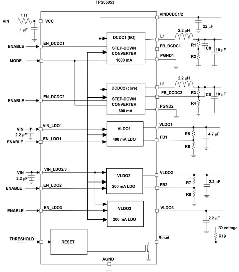
TPS650531RGET 电路图
TPS650531RGET 电路图
TPS650531RGET 相关产品
- AD9394BCBZ-R7
- ADM1192-1ARMZ-R7
- ADN8830ACPZ-REEL7
- ADN8831ACPZ-REEL7
- AP5727WG-7
- AT73C246
- BA5810FP-E2
- BD4154FV-E2
- BD6046GUL-E2
- BD6171KV-E2
- BD7964FS-E2
- BD8132FV-E2
- BD9882F-E2
- BD9882FV-E2
- BD9883AF-E2
- BD9883FV-E2
- BD9896FV-E2
- BQ25046DQCR
- BQ25046DQCT
- BQ25504RGTR
- BQ500110RGZR
- BQ500210RGZR
- BQ500210RGZT
- BQ500211RGZT
- BQ51011YFFR
- BQ51011YFFT
- BQ51013ARHLT
- BQ51013AYFPR
- BQ51013AYFPT
- BQ51013YFFR

搜索
发布采购