- 封装:40-VFQFN 裸露焊盘
- RoHS:无铅 / 符合限制有害物质指令(RoHS)规范要求
- 包装方式:Digi-Reel®
- 参考价格:$6.7805-$9.16
更新日期:2024-04-01 00:04:00
产品简介:6 通道电源管理 IC (PMIC),具有 3 个 DC/DC、3 个 LDO 以及 I2C 接口和动态电压调节功能
查看详情- 封装:40-VFQFN 裸露焊盘
- RoHS:无铅 / 符合限制有害物质指令(RoHS)规范要求
- 包装方式:Digi-Reel®
- 参考价格:$6.7805-$9.16
TPS65021RHAT 供应商
- 公司
- 型号
- 品牌
- 封装/批号
- 数量
- 地区
- 日期
- 说明
- 询价
-
TI
-
原厂原装
22+ -
3288
-
上海市
-
-
-
一级代理原装
-
TI/德州仪器
-
QFN40
21+ -
10000
-
杭州
-
-
-
原装正品,BOM一站式服务
-
TI
-
QFN
2019+ -
5800
-
上海市
-
-
-
全新原装现货
-
TI(德州仪器)
-
VQFN-40
2022+ -
12000
-
上海市
-
-
-
原装可开发票
-
TI
-
QFN40
21+ -
2000
-
上海市
-
-
-
原装现货,品质为先!请来电垂询!
-
TI
-
原厂原装
2318+ -
9200
-
合肥
-
-
-
科大讯飞战略投资企业
TPS65021RHAT 中文资料属性参数
- 标准包装:1
- 类别:集成电路 (IC)
- 家庭:PMIC - 电池管理
- 系列:-
- 功能:电源管理
- 电池化学:锂离子(Li-Ion)
- 电源电压:2.5 V ~ 6 V
- 工作温度:-40°C ~ 85°C
- 安装类型:表面贴装
- 封装/外壳:40-VFQFN 裸露焊盘
- 供应商设备封装:40-VQFN-EP(6x6)
- 包装:Digi-Reel®
- 配用:296-21165-ND - EVALUATION MODULE FOR TPS65021
- 其它名称:296-19362-6
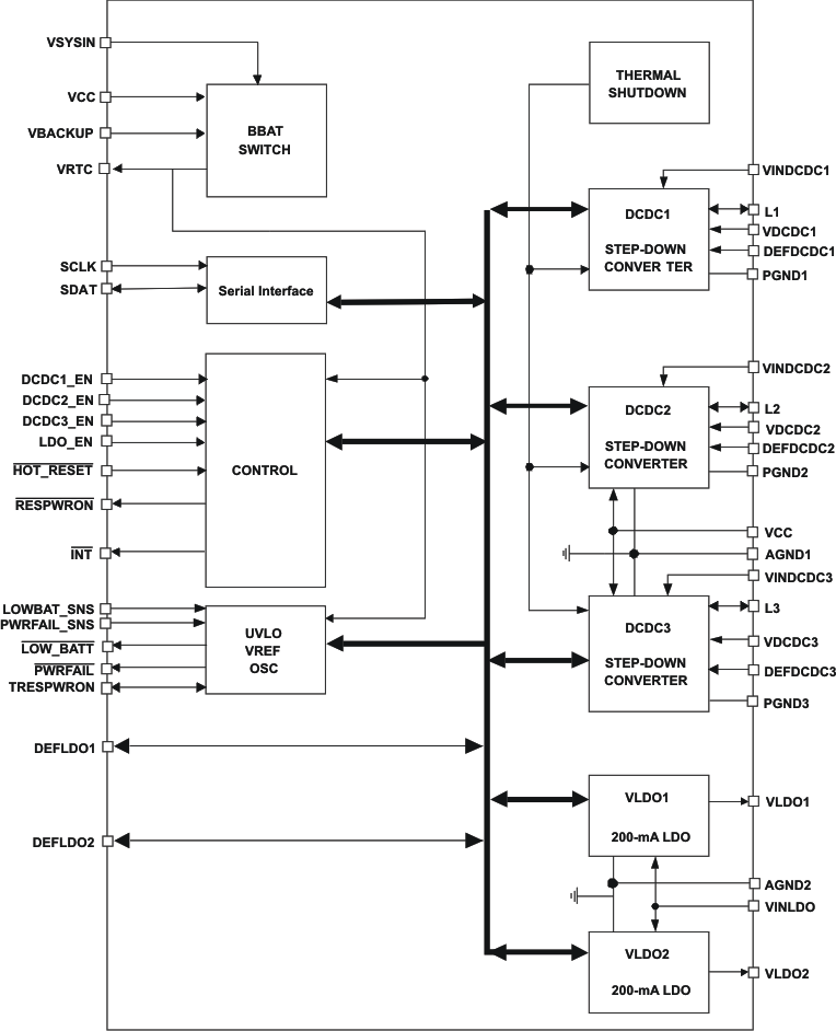
产品特性
- 1.2-A, 97% Efficient Step-Down Converter for System Voltage (VDCDC1)
- 1-A, Up to 95% Efficient Step-Down Converter for Memory Voltage (VDCDC2)
- 900-mA, 90% Efficient Step-Down Converter for Processor Core (VDCDC3)
- 30-mA LDO and Switch for Real-Time Clock (VRTC)
- 2 × 200-mA General-Purpose LDO
- Dynamic Voltage Management for Processor Core
- Preselectable LDO Voltage Using Two Digital Input Pins
- Externally Adjustable Reset Delay Time
- Battery Backup Functionality
- Separate Enable Pins for Inductive Converters
- I2C-Compatible Serial Interface
- 85-µA Quiescent Current
- Low-Ripple PFM Mode
- Thermal Shutdown Protection
- 40-Pin 6-mm × 6-mm VQFN Package
产品概述
The TPS65021 device is an integrated power management IC for applications powered by one
Li-Ion or Li-Polymer cell, and which requires multiple power rails. The TPS65021 device provides
three highly efficient, step-down converters targeted at providing the core voltage, peripheral,
I/O, and memory rails in a processor-based system. All three step-down converters enter a low-power
mode at light load for maximum efficiency across the widest possible range of load currents.The TPS65021 device also integrates two general-purpose 200-mA LDO voltage regulators, which are enabled
with an external input pin. Each LDO operates with an input voltage range from 1.5 V to 6.5 V, thus allowing
them to be supplied from one of the step-down converters or directly from the battery. The default output voltage
of the LDOs can be digitally set to 4 different voltage combinations using the DEFLDO1 and DEFLDO2 pins. The
serial interface can be used for dynamic voltage scaling, masking interrupts, or for disabling or enabling and
setting the LDO output voltages. The interface is compatible with both the fast and standard mode I2C
specifications, allowing transfers at up to 400 kHz. The TPS65021 device is available in a 40-pin (RHA) VQFN
package, and operates over a free-air temperature of 40°C to +85°C.
TPS65021RHAT 数据手册
数据手册 | 说明 | 数量 | 操作 |
---|---|---|---|
![]() |
6-channel Power Mgmt IC with 3DC/DCs, 3 LDOs, I2C interface and Dynamic Voltage Scaling 40-QFN -40 to 85 |
47页,1.3M | 查看 |
![]() |
6-channel Power Mgmt IC with 3DC/DCs, 3 LDOs, I2C interface and Dynamic Voltage Scaling 40-QFN -40 to 85 |
47页,1.3M | 查看 |
TPS65021RHAT 电路图

TPS65021RHAT 电路图
TPS65021RHAT 相关产品
- AD7280ABSTZ
- AD7280AWBSTZ
- AD7280AWBSTZ-RL
- AD8280WASTZ
- AD8280WASTZ-RL
- ADP5065ACBZ-1-R7
- BD6041GUL-E2
- BQ2000PW
- BQ2000PWG4
- BQ2000PWR
- BQ2000TPN-B5
- BQ2000TPW
- BQ2000TPWR
- BQ2000TSN-B5TR
- BQ2002CSN
- BQ2002CSNTR
- BQ2002CSNTRG4
- BQ2002DSN
- BQ2002DSNTR
- BQ2002ESN
- BQ2002ESNTR
- BQ2002FSN
- BQ2002FSNTR
- BQ2002GSN
- BQ2002SN
- BQ2002SNG4
- BQ2002SNTR
- BQ2002TSN
- BQ2002TSNTR
- BQ2003PN