- 封装:6-XFBGA,DSBGA
- RoHS:无铅 / 符合限制有害物质指令(RoHS)规范要求
- 包装方式:Digi-Reel®
- 参考价格:$1.972-$2.71
更新日期:2024-04-01 00:04:00
产品简介:500mA、6MHz 高效降压转换器,Vout=1.8V
查看详情- 封装:6-XFBGA,DSBGA
- RoHS:无铅 / 符合限制有害物质指令(RoHS)规范要求
- 包装方式:Digi-Reel®
- 参考价格:$1.972-$2.71
TPS62671YFDT 供应商
- 公司
- 型号
- 品牌
- 封装/批号
- 数量
- 地区
- 日期
- 说明
- 询价
-
TI
-
原厂原装
22+ -
3288
-
上海市
-
-
-
一级代理原装
-
TI(德州仪器)
-
DSBGA-6(1.30x.93)
2022+ -
12000
-
上海市
-
-
-
原装可开发票
TPS62671YFDT 中文资料属性参数
- 标准包装:1
- 类别:集成电路 (IC)
- 家庭:PMIC - 稳压器 - DC DC 开关稳压器
- 系列:-
- 类型:降压(降压)
- 输出类型:固定
- 输出数:1
- 输出电压:1.8V
- 输入电压:2.3 V ~ 4.8 V
- PWM 型:电压模式
- 频率 - 开关:6MHz
- 电流 - 输出:500mA
- 同步整流器:是
- 工作温度:-40°C ~ 85°C
- 安装类型:表面贴装
- 封装/外壳:6-XFBGA,DSBGA
- 包装:Digi-Reel®
- 供应商设备封装:6-DSBGA
- 其它名称:296-28443-6
产品特性
- 92% Efficiency at 6MHz Operation
- 17µA Quiescent Current
- Wide VIN Range From 2.3V to 4.8V
- 6MHz Regulated Frequency Operation
- Spread Spectrum, PWM Frequency Dithering
- Best in Class Load and Line Transient
- ±2% Total DC Voltage Accuracy
- Low Ripple Light-Load PFM Mode
- ≥35dB VIN PSRR (1kHz to 10kHz)
- Simple Logic Enable Inputs
- Supports External Clock Presence Detect Enable Input
- Three Surface-Mount External Components Required (One 0603 MLCC Inductor, Two 0402 Ceramic Capacitors)
- Complete Sub 0.33-mm Component Profile Solution
- Total Solution Size <10 mm2
- Available in a 6-Pin NanoFree™ (CSP) Ultra-Thin Packaging, 0.4 mm Max. Height
产品概述
The TPS6267x devices are high-frequency synchronous step-down dc-dc converters optimized
for small battery-powered applications. Intended for low-power applications, the TPS6267x supports
up to 650-mA load current and allows the use of low cost chip inductor and capacitors.With a wide input voltage range of 2.3V to 4.8V, the device supports applications powered
by Li-Ion batteries with extended voltage range. Different fixed voltage output versions are
available from 1.05V to 2.1V. The TPS6267x operates at a regulated 6-MHz switching frequency and
enters the power-save mode operation at light load currents to maintain high efficiency over the
entire load current range. The PFM mode extends the battery life by reducing the quiescent current to 17µA (typ)
during light load operation. For noise-sensitive applications, the device has PWM spread spectrum
capability providing a lower noise regulated output, as well as low noise at the input. These
features, combined with high PSRR and AC load regulation performance, make this device suitable to
replace a linear regulator to obtain better power conversion efficiency.
TPS62671YFDT 数据手册
| 数据手册 | 说明 | 数量 | 操作 |
|---|---|---|---|
TPS62671YFDT
|
Buck Switching Regulator IC Positive Fixed 1.8V 1 Output 500mA 6-XFBGA, DSBGA |
35页,1.65M | 查看 |
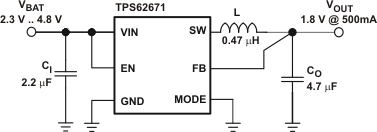
TPS62671YFDT 电路图
TPS62671YFDT 电路图
TPS62671YFDT 相关产品
- A5970D013TR
- A5975DTR
- A7986ATR
- ADM660ARUZ
- ADM660ARUZ-REEL
- ADM660ARZ
- ADM660ARZ-REEL
- ADM8660ANZ
- ADM8660ARZ-REEL
- ADM8828ART-REEL
- ADM8828ARTZ-REEL
- ADM8829ARTZ-REEL
- ADP1111ARZ
- ADP1111ARZ-3.3
- ADP2102YCPZ-1.2-R7
- ADP2102YCPZ-2-R7
- ADP2102YCPZ-3-R7
- ADP2102YCPZ-4-R7
- ADP2105ACPZ-1.2-R7
- ADP2105ACPZ-1.8-R7
- ADP2105ACPZ-3.3-R7
- ADP2105ACPZ-R7
- ADP2106ACPZ-R7
- ADP2107ACPZ-3.3-R7
- ADP2107ACPZ-R7
- ADP2108AUJZ-1.0-R7
- ADP2108AUJZ-1.8-R7
- ADP2108AUJZ-3.3-R7
- ADP2114ACPZ-R7
- ADP2119ACPZ-1.0-R7

搜索
发布采购
TPS62671YFDT