- 封装:6-XFBGA,DSBGA
- RoHS:无铅 / 符合限制有害物质指令(RoHS)规范要求
- 包装方式:Digi-Reel®
- 参考价格:$1.972-$2.71
更新日期:2024-04-01 00:04:00
产品简介:600mA、6MHz、1.225V 输出电压、90% 高效降压转换器
查看详情- 封装:6-XFBGA,DSBGA
- RoHS:无铅 / 符合限制有害物质指令(RoHS)规范要求
- 包装方式:Digi-Reel®
- 参考价格:$1.972-$2.71
TPS62623YFDT 供应商
- 公司
- 型号
- 品牌
- 封装/批号
- 数量
- 地区
- 日期
- 说明
- 询价
-
TI
-
原厂原装
22+ -
3288
-
上海市
-
-
-
一级代理原装
TPS62623YFDT 中文资料属性参数
- 标准包装:1
- 类别:集成电路 (IC)
- 家庭:PMIC - 稳压器 - DC DC 开关稳压器
- 系列:-
- 类型:降压(降压)
- 输出类型:固定
- 输出数:1
- 输出电压:1.23V
- 输入电压:2.3 V ~ 5.5 V
- PWM 型:电压模式
- 频率 - 开关:6MHz
- 电流 - 输出:600mA
- 同步整流器:是
- 工作温度:-40°C ~ 85°C
- 安装类型:表面贴装
- 封装/外壳:6-XFBGA,DSBGA
- 包装:Digi-Reel®
- 供应商设备封装:6-DSBGA
- 其它名称:296-25575-6
产品特性
- Wide Input Voltage Range from 2.3 V to 5.5 V
- 6 MHz Regulated Frequency Operation
- 90% Efficiency at 6 MHz Operation
- 31 µA Quiescent Current
- Best in Class Load and Line Transient
- ±2% Total DC Voltage Accuracy
- Automatic PFM/PWM Mode Switching
- Low Ripple Light-Load PFM Mode
- Internal Soft Start, 120-µs Start-Up Time
- Integrated Active Power-Down Sequencing (TPS62624 only)
- Current Overload and Thermal Shutdown Protection
- Three Surface-Mount External Components Required (One MLCC Inductor, Two Ceramic Capacitors)
- Complete Sub 1-mm Component Profile Solution
- Total Solution Size < 12 mm2
- Available in a 6-Pin NanoFree™ (WCSP) Regular and Ultra-Thin Packaging
产品概述
The TPS6262x device family provides high-frequency synchronous step-down DC/DC converters
optimized for battery-powered portable applications. Intended for low-power applications, the
TPS6262x devices support up to 600 mA load current, and allow the use of low cost chip inductor and
capacitors.With a wide input voltage range of 2.3 V to 5.5 V, the devices support applications
powered by Li-Ion batteries with extended voltage range. Different fixed voltage output versions
are available from 1.2 V to 2.3 V.The TPS6262x devices operate at a regulated 6-MHz switching frequency and enter the
power-save mode operation at light load currents to maintain high efficiency over the entire load
current range.The pulse frequency modulation (PFM) mode extends the battery life by reducing the
quiescent current to 31 µA (typical) during light load and standby operation. For noise-sensitive
applications, the device can be forced into fixed frequency pulse width modulation (PWM) mode by
pulling the MODE pin high.The TPS6262x devices operate over a free air temperature range of –40°C to 85°C. They are
available in a 6-pin chip-scale package (WCSP).
TPS62623YFDT 数据手册
| 数据手册 | 说明 | 数量 | 操作 |
|---|---|---|---|
TPS62623YFDT
|
Buck Switching Regulator IC Positive Fixed 1.225V 1 Output 600mA 6-XFBGA, DSBGA |
28页,1.19M | 查看 |
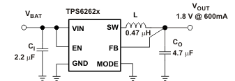
TPS62623YFDT 电路图
TPS62623YFDT 电路图
TPS62623YFDT 相关产品
- A5970D013TR
- A5975DTR
- A7986ATR
- ADM660ARUZ
- ADM660ARUZ-REEL
- ADM660ARZ
- ADM660ARZ-REEL
- ADM8660ANZ
- ADM8660ARZ-REEL
- ADM8828ART-REEL
- ADM8828ARTZ-REEL
- ADM8829ARTZ-REEL
- ADP1111ARZ
- ADP1111ARZ-3.3
- ADP2102YCPZ-1.2-R7
- ADP2102YCPZ-2-R7
- ADP2102YCPZ-3-R7
- ADP2102YCPZ-4-R7
- ADP2105ACPZ-1.2-R7
- ADP2105ACPZ-1.8-R7
- ADP2105ACPZ-3.3-R7
- ADP2105ACPZ-R7
- ADP2106ACPZ-R7
- ADP2107ACPZ-3.3-R7
- ADP2107ACPZ-R7
- ADP2108AUJZ-1.0-R7
- ADP2108AUJZ-1.8-R7
- ADP2108AUJZ-3.3-R7
- ADP2114ACPZ-R7
- ADP2119ACPZ-1.0-R7

搜索
发布采购
TPS62623YFDT