- 封装:16-WFQFN 裸露焊盘
- RoHS:无铅 / 符合限制有害物质指令(RoHS)规范要求
- 包装方式:Digi-Reel®
- 参考价格:$1.2665-$2.71
更新日期:2024-04-01 00:04:00
产品简介:用于 LED 背光的 7 通道 175mA 高效电荷泵
查看详情- 封装:16-WFQFN 裸露焊盘
- RoHS:无铅 / 符合限制有害物质指令(RoHS)规范要求
- 包装方式:Digi-Reel®
- 参考价格:$1.2665-$2.71
TPS60255RTER 供应商
- 公司
- 型号
- 品牌
- 封装/批号
- 数量
- 地区
- 日期
- 说明
- 询价
-
TI
-
原厂原装
22+ -
3288
-
上海市
-
-
-
一级代理原装
TPS60255RTER 中文资料属性参数
- 标准包装:1
- 类别:集成电路 (IC)
- 家庭:PMIC - LED 驱动器
- 系列:-
- 恒定电流:是
- 恒定电压:-
- 拓扑:切换式电容器(充电泵)
- 输出数:7
- 内部驱动器:是
- 类型 - 主要:背光,闪灯/白光
- 类型 - 次要:白色 LED
- 频率:625kHz ~ 875kHz
- 电源电压:2.7 V ~ 6 V
- 输出电压:-
- 安装类型:表面贴装
- 封装/外壳:16-WFQFN 裸露焊盘
- 供应商设备封装:16-WQFN 裸露焊盘(3x3)
- 包装:Digi-Reel®
- 工作温度:-40°C ~ 85°C
- 配用:TPS60255EVM-262-ND - TPS60255EVM-262
- 其它名称:296-23329-6
产品特性
- 2.7 V to 6.0 V Input Voltage Range
- 1× and 1.5× Charge Pump
- Auto Switching Between 1× and 1.5× Modes
- 750 kHz Charge Pump Frequency
- Seven Individually-regulated WLED Current Sinks
- Single- Wire Interface for Dimming and ON/OFF Control
- 25 mA max LED Current for Six Current Sinks
- One 80 mA Current Sink
- Open WLED Detection
- Built-in Soft Start and Current Limit
- 16-pin, 3 mm × 3 mm QFN Package
- APPLICATIONS Cellular PhonesPortable Navigation DisplaysMulti-display Handheld Devices
- Cellular Phones
- Portable Navigation Displays
- Multi-display Handheld Devices
产品概述
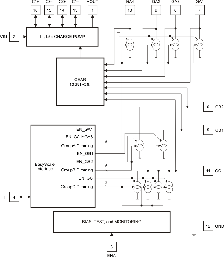
The TPS60255 is a high-efficiency, constant frequency charge pump DC/DC converter that uses 1× and 1.5× conversion to maximize efficiency for the input voltage range. By using adaptive 1×/1.5× charge-pump modes and very low dropout current regulators, the TPS60255 achieves high efficiency for the entire one-cell lithium battery range. The protection features include soft start, over-current limit, thermal shut down, and over-voltage detection. The device automatically detects and removes unused current sinks from the control loop.This device drives six 25 mA current sinks and one 80 mA current sink. These current regulators are programmed by three independent brightness registers and five ON/OFF bits using a single-wire interface (EasyScale™). This offers flexible applications for a variety of lighting control in portable devices.
TPS60255RTER 数据手册
| 数据手册 | 说明 | 数量 | 操作 |
|---|---|---|---|
TPS60255RTER
|
LED Driver IC 7 Output DC DC Regulator Switched Capacitor (Charge Pump) Single-Wire Dimming 25mA, 80mA 16-WQFN (3x3) |
26页,927K | 查看 |
TPS60255RTER 电路图
TPS60255RTER 电路图
TPS60255RTER 相关产品
- A6281EESTR-T
- AD8240YRM
- AD8240YRMZ
- ADD5203ACPZ-RL
- ADD5205ACPZ-RL
- ADD5207ACPZ-RL
- ADP1650ACBZ-R7
- ADP1650ACPZ-R7
- ADP1653ACPZ-R7
- ADP5520ACPZ-R7
- ADP8860ACPZ-R7
- ADP8861ACBZ-R7
- ADP8861ACPZ-R7
- ADP8861ACPZ-RL
- ADP8863ACBZ-R7
- ADP8863ACPZ-R7
- ADP8866ACPZ-R7
- ADP8870ACBZ-R7
- ADP8870ACPZ-R7
- AL5802-7
- AL8400SE-7
- AL8805W5-7
- AL8807MP-13
- AL9910ASP-13
- AOZ1935QI
- AP3156FVG-7
- AP8802SPG-13
- AS3693B-ZTQT
- AS3695C-ZMFT
- BD1606MVV-E2

搜索
发布采购
TPS60255RTER