- 封装:16-WFQFN 裸露焊盘
- RoHS:无铅 / 符合限制有害物质指令(RoHS)规范要求
- 包装方式:Digi-Reel®
- 参考价格:$3.9615-$7.35
更新日期:2024-04-01 00:04:00
产品简介:具有打嗝电流限制的 2.95V 至 6V 输入、6A 同步降压 SWIFT? 转换器
查看详情- 封装:16-WFQFN 裸露焊盘
- RoHS:无铅 / 符合限制有害物质指令(RoHS)规范要求
- 包装方式:Digi-Reel®
- 参考价格:$3.9615-$7.35
TPS54678RTER 供应商
- 公司
- 型号
- 品牌
- 封装/批号
- 数量
- 地区
- 日期
- 说明
- 询价
-
TI
-
原厂原装
22+ -
3288
-
上海市
-
-
-
一级代理原装
-
TI/德州仪器
-
WQFN16
21+ -
10000
-
杭州
-
-
-
原装正品,BOM一站式服务
-
TI/德州仪器
-
WQFN16
2022+ -
4000
-
上海市
-
-
-
原装可开发票
-
TI
-
BGA
21+ -
20000
-
上海市
-
-
-
原装现货,品质为先!请来电垂询!
-
TSSOP
23+ -
46000
-
合肥
-
-
-
科大讯飞战略投资企业,提供一站式配套服务
TPS54678RTER 中文资料属性参数
- 标准包装:1
- 类别:集成电路 (IC)
- 家庭:PMIC - 稳压器 - DC DC 开关稳压器
- 系列:SWIFT™
- 类型:降压(降压)
- 输出类型:可调式
- 输出数:1
- 输出电压:0.6 V ~ 4.5 V
- 输入电压:2.95 V ~ 6 V
- PWM 型:电流模式
- 频率 - 开关:200kHz ~ 2MHz
- 电流 - 输出:6A
- 同步整流器:是
- 工作温度:-40°C ~ 150°C
- 安装类型:表面贴装
- 封装/外壳:16-WFQFN 裸露焊盘
- 包装:Digi-Reel®
- 供应商设备封装:16-WQFN 裸露焊盘(3x3)
- 其它名称:296-34809-6
产品特性
- 采用两个 12mΩ(典型值)MOSFET,可获得高效率 6A 持续输出电流
- 200kHz 至 2MHz 开关频率
- 在工作温度范围(–40°C 至 150°C)内具有 0.6V ±1% 电压基准
- 与外部时钟同步
- 以预偏置电压启动
- 电源正常输出
- 可调缓启动和排序
- 逐周期电流限制和断续电流保护
- 可调输入电压 UVLO
- 热增强型 16 引脚 3mm × 3mm WQFN (RTE) 封装
- 使用 TPS54678 并借助 WEBENCH® 电源设计器创建定制设计
产品概述
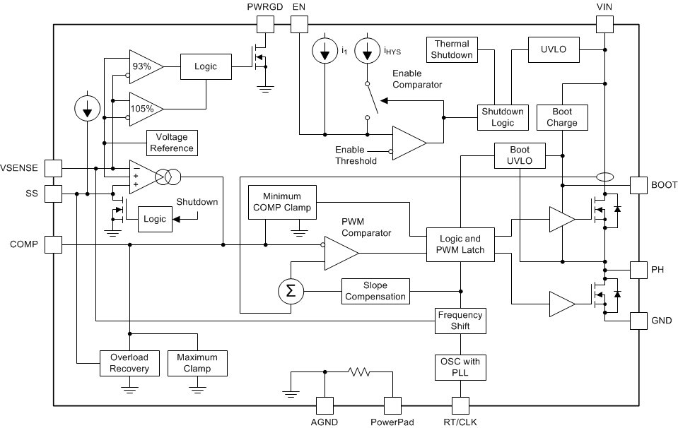
TPS54678 器件是一款具有两个集成 MOSFET 的全功能 6V、6A、同步降压电流模式转换器。TPS54678 集成了 MOSFET,通过实施电流模式控制来减少外部组件数量,通过启用高达 2MHz 的开关频率来减小电感器尺寸,并借助小型 3mm × 3mm 热增强型 WQFN 封装最大限度减小 IC 尺寸,从而实现小型设计。TPS54678 在工作温度范围内以精确 (±1%) 的电压基准 (VREF) 为多种负载提供精确调节。通过集成 12mΩ MOSFET,最大限度提升效率。在使用使能 (EN) 引脚的情况下,通过禁用器件可降低关断电源电流。输出电压启动斜坡受控于软启动 (SS) 引脚,还可以配置该引脚来控制排序或跟踪。借助预偏置电压,可实现单调启动。通过使能引脚上的电阻分压器设定阈值,可以提高欠压锁定。开漏电源正常信号表示输出处于其标称电压值的 93% 至 105% 之间。逐周期电流限制、断续过流保护和热关断可在过流情况下保护器件不受损坏。
TPS54678RTER 电路图
TPS54678RTER 电路图
TPS54678RTER 相关产品
- A5970D013TR
- A5975DTR
- A7986ATR
- ADM660ARUZ
- ADM660ARUZ-REEL
- ADM660ARZ
- ADM660ARZ-REEL
- ADM8660ANZ
- ADM8660ARZ-REEL
- ADM8828ART-REEL
- ADM8828ARTZ-REEL
- ADM8829ARTZ-REEL
- ADP1111ARZ
- ADP1111ARZ-3.3
- ADP2102YCPZ-1.2-R7
- ADP2102YCPZ-2-R7
- ADP2102YCPZ-3-R7
- ADP2102YCPZ-4-R7
- ADP2105ACPZ-1.2-R7
- ADP2105ACPZ-1.8-R7
- ADP2105ACPZ-3.3-R7
- ADP2105ACPZ-R7
- ADP2106ACPZ-R7
- ADP2107ACPZ-3.3-R7
- ADP2107ACPZ-R7
- ADP2108AUJZ-1.0-R7
- ADP2108AUJZ-1.8-R7
- ADP2108AUJZ-3.3-R7
- ADP2114ACPZ-R7
- ADP2119ACPZ-1.0-R7

搜索
发布采购