- 封装:24-VFQFN 裸露焊盘
- RoHS:无铅 / 符合限制有害物质指令(RoHS)规范要求
- 包装方式:带卷 (TR)
- 参考价格:$3.835
更新日期:2024-04-01 00:04:00
产品简介:具有 2 位 VID 的 3.3V/5V 输入、D-CAP+™ 模式同步降压 FET 转换器
查看详情- 封装:24-VFQFN 裸露焊盘
- RoHS:无铅 / 符合限制有害物质指令(RoHS)规范要求
- 包装方式:带卷 (TR)
- 参考价格:$3.835
TPS51463RGER 供应商
- 公司
- 型号
- 品牌
- 封装/批号
- 数量
- 地区
- 日期
- 说明
- 询价
-
TPS51463RGER
原装现货 -
TI
-
QFN24
13+ -
1690
-
深圳
-
12-03
-
QQ询价原装真实库存现货热卖
-
TI
-
原厂原装
22+ -
3288
-
上海市
-
-
-
一级代理原装
-
TI/德州仪器
-
QFN24
21+ -
10000
-
杭州
-
-
-
只做原装现货,大量现货热卖
-
TI(德州仪器)
-
VQFN-24(4x4)
2022+ -
12000
-
上海市
-
-
-
原装可开发票
-
TSSOP
23+ -
46000
-
合肥
-
-
-
科大讯飞战略投资企业,提供一站式配套服务
TPS51463RGER 中文资料属性参数
- 标准包装:3,000
- 类别:集成电路 (IC)
- 家庭:PMIC - 稳压器 - DC DC 开关稳压器
- 系列:D-Cap+™
- 类型:降压(降压)
- 输出类型:可调式
- 输出数:1
- 输出电压:0.8 V ~ 2 V
- 输入电压:4.5 V ~ 5.5 V
- PWM 型:混合物
- 频率 - 开关:700kHz,1MHz
- 电流 - 输出:5A
- 同步整流器:是
- 工作温度:-40°C ~ 85°C
- 安装类型:表面贴装
- 封装/外壳:24-VFQFN 裸露焊盘
- 包装:带卷 (TR)
- 供应商设备封装:24-VQFN 裸露焊盘(4x4)
产品特性
- 拥有 TI 自主知识产权的集成 FET 转换器 D-CAP+ 模式架构
- 最小外部部件数量
- 支持所有多层陶瓷 (MLCC) 输出电容器与 SP/POSCAP
- “自动跳跃”模式
- 700kHz 和 1MHz 可选频率
- 小型 4mm x 4mm,24 引脚,方形扁平无引线 (QFN) 封装
产品概述
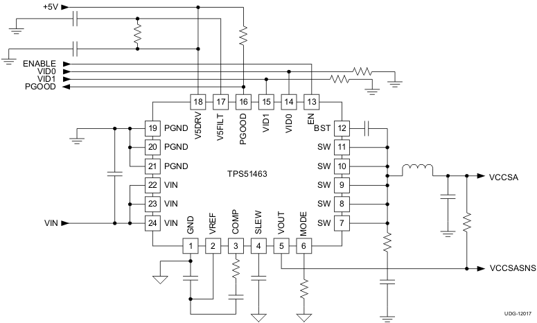
TPS51463 是一款采用 D-CAP+™ 技术的完全集成同步降压稳压器。 在系统尺寸最优的地方此器件用于最高5V压降,性能和优化的物料清单(BOM)是必要条件。 TPS51463 完全支持 Intel Chief River 平台,一个具有集成 2 位 VID 功能的 ULV/CPU 系统代理应用。 TPS51463 还特有 2 个开关频率设置(700 kHz 和 1 MHz),跳跃模式,预偏置启动,可编程外部电容器软启动时间/电压转换时间,输出放电,内部 VBST 开关,2V 基准 (±1%),电源正常和使能。 TPS51463 采用 4 mm × 4 mm,24 引脚,QFN 封装(绿色 RoHs 兼容且无铅),额定温度范围 -40°C 至 85°C。
TPS51463RGER 电路图
TPS51463RGER 电路图
TPS51463RGER 相关产品
- A5970D013TR
- A5975DTR
- A7986ATR
- ADM660ARUZ
- ADM660ARUZ-REEL
- ADM660ARZ
- ADM660ARZ-REEL
- ADM8660ANZ
- ADM8660ARZ-REEL
- ADM8828ART-REEL
- ADM8828ARTZ-REEL
- ADM8829ARTZ-REEL
- ADP1111ARZ
- ADP1111ARZ-3.3
- ADP2102YCPZ-1.2-R7
- ADP2102YCPZ-2-R7
- ADP2102YCPZ-3-R7
- ADP2102YCPZ-4-R7
- ADP2105ACPZ-1.2-R7
- ADP2105ACPZ-1.8-R7
- ADP2105ACPZ-3.3-R7
- ADP2105ACPZ-R7
- ADP2106ACPZ-R7
- ADP2107ACPZ-3.3-R7
- ADP2107ACPZ-R7
- ADP2108AUJZ-1.0-R7
- ADP2108AUJZ-1.8-R7
- ADP2108AUJZ-3.3-R7
- ADP2114ACPZ-R7
- ADP2119ACPZ-1.0-R7

搜索
发布采购