- 参考价格:¥9.11-¥9.32
更新日期:2024-04-01 00:04:00
产品简介:具有 5V 和 3.3V LDO 的 5.5V 至 24V 双路同步降压控制器
查看详情- 参考价格:¥9.11-¥9.32
TPS51275RUKR 供应商
- 公司
- 型号
- 品牌
- 封装/批号
- 数量
- 地区
- 日期
- 说明
- 询价
-
TI
-
原厂原装
22+ -
3288
-
上海市
-
-
-
一级代理原装
-
TI/德州仪器
-
NA
21+ -
10000
-
杭州
-
-
-
只做原装现货,大量现货热卖
-
TI(德州仪器)
-
WQFN-20
2022+ -
12000
-
上海市
-
-
-
原装可开发票
-
TI
-
TSSOP
23+ -
46000
-
合肥
-
-
-
科大讯飞战略投资企业,提供一站式配套服务
TPS51275RUKR 中文资料属性参数
- 制造商:Texas Instruments
- 产品种类:DC/DC 开关控制器
- 输入电压:5 V to 24 V
- 开关频率:300 KHz
- 输出电压:3.3 V, 5 V
- 最大工作温度:+ 85 C
- 安装风格:SMD/SMT
- 封装 / 箱体:WQFN-20
- 封装:Reel
- 工厂包装数量:3000
产品特性
- 输入电压范围:5V 至 24V
- 输出电压:5V 和 3.3V(可调范围 ±10%)
- 内置,100mA,5V 和 3.3V LDO
- 用于电荷泵的时钟输出
- ±1% 基准精度
- 自适应接通时间 D-CAP 模式控制架构,此架构支持 300kHz 和 355kHz 频率设置
- 自动跳跃轻负载运行(TPS51275 和 TPS51275C)
- OOA 轻负载运行 (TPS51275B)
- 内部 0.8ms 电压伺服器软启动
- 低侧 RDS(on)电流感测机制
- 内置输出放电功能
- 用于开关的独立使能输入
- 专用 OC 设置端子
- 电源正常指示器
- 过压 (OVP),欠压 (UVP) 和过流 (OCP) 保护
- 非锁存欠压闭锁 (UVLO) 和过热 (OTP) 保护
- 20 引脚,3mm x 3mm,四方扁平无引线 (QFN)(RUK) 封装
- 笔记本电脑
- 平板电脑
产品概述
TPS51275,TPS51275B 和 TPS51275C 是针对笔记本系统电源解决方案的经济型,双路同步降压控制器。 它提供 5V 和 3.3V LDO 并且只需要使用极少的外部组件。 260kHz VCLK 输出可被用于驱动一个外部电荷泵,为负载开关生成栅极驱动电压而不会降低主转换器的效率。 TPS51275,TPS51275B 和 TPS51275C 支持高效,快速瞬态响应并提供一个组合电源正常信号。 自适应接通时间,D-CAP™ 控制提供便捷且有效的运行。 此器件运行电源输入电压范围介于 5V 至 24V 之间并且支持 5.0V 和 3.3V 的输出电压。 TPS51275,TPS51275B 和 TPS51275C 采用 20 引脚,3mm x 3mm,QFN 封装,额定运行温度 -40°C 至 85°C。
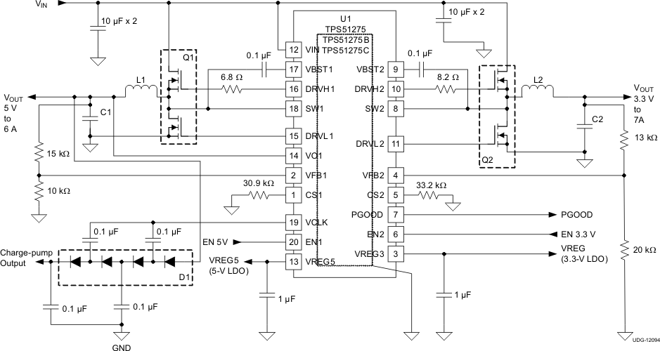
TPS51275RUKR 电路图

TPS51275RUKR 电路图
TPS51275RUKR 相关产品
- 100301QC
- 100304QC
- 100310QC
- 100311QC
- 100313QC
- 100316QC
- 100322QC
- 100329APC
- 100329DC
- 100336DC
- 100336PC
- 100341QC
- 100351DC
- 100351PC
- 100363QC
- 100364QC
- 100370QC
- 100390QC
- 100398QI
- 11AA010T-I/TT
- 11AA160T-I/TT
- 11LC010T-I/TT
- 11LC020T-I/TT
- 11LC040T-E/TT
- 11LC160T-E/TT
- 1ED020I12-F
- 2304NZGI-1LF
- 23A640-I/SN
- 23K256-I/SN
- 23K256-I/ST