- 封装:20-WFQFN 裸露焊盘
- RoHS:无铅 / 符合限制有害物质指令(RoHS)规范要求
- 包装方式:带卷 (TR)
- 参考价格:$1.397
更新日期:2024-04-01 00:04:00
产品简介:具有 5V 和 3.3V LDO 的 5.5V 至 24V 双路同步降压控制器
查看详情- 封装:20-WFQFN 裸露焊盘
- RoHS:无铅 / 符合限制有害物质指令(RoHS)规范要求
- 包装方式:带卷 (TR)
- 参考价格:$1.397
TPS51225RUKR 供应商
- 公司
- 型号
- 品牌
- 封装/批号
- 数量
- 地区
- 日期
- 说明
- 询价
-
TI
-
原厂原装
22+ -
3288
-
上海市
-
-
-
一级代理原装
-
TI(德州仪器)
-
20-WFQFN
2022+ -
12000
-
上海市
-
-
-
原装可开发票
-
TSSOP
23+ -
46000
-
合肥
-
-
-
科大讯飞战略投资企业,提供一站式配套服务
TPS51225RUKR 中文资料属性参数
- 标准包装:3,000
- 类别:集成电路 (IC)
- 家庭:PMIC - 稳压器 - 线性 + 切换式
- 系列:D-CAP™
- 拓扑:降压(降压)同步(2),线性(LDO)(2)
- 功能:任何功能
- 输出数:4
- 频率 - 开关:300kHz,355kHz
- 电压/电流 - 输出 1:控制器
- 电压/电流 - 输出 2:控制器
- 电压/电流 - 输出 3:-
- 带 LED 驱动器:无
- 带监控器:无
- 带序列发生器:无
- 电源电压:5.5 V ~ 24 V
- 工作温度:-40°C ~ 85°C
- 安装类型:表面贴装
- 封装/外壳:20-WFQFN 裸露焊盘
- 供应商设备封装:20-QFN 裸露焊盘(3x3)
- 包装:带卷 (TR)
产品特性
- 输入电压范围:5.5V 至 24V
- 输出电压:5V 和 3.3V(可调范围 ±10%)
- 内置,100mA,5V 和 3.3V LDO
- 用于电荷泵的时钟输出
- ±1% 基准精度
- 自适应接通时间 D-CAP 支持 300kHz/355kHz 频率设置的模式控制架构
- 自动跳跃轻负载运行 (TPS51225/C)
- OOA 轻负载运行 (TPS51225/B)
- 内部 0.8ms 电压伺服器软启动
- 温度系数为 4500 ppm/°C 的低侧 RDS(接通)电流感测体系
- 内置输出放电功能
- 用于开关的独立使能输入 (TPS51225/B/C)
- 专用 OC 设置终端
- 电源正常指示器
- 过压 (OVP) 保护/欠压 (UVP) 保护/过流 (OCP) 保护
- 非锁存欠压闭锁 (UVLO) / 过热 (OTP) 保护
- 20 引脚,3mm x 3mm,四方扁平无引线 (QFN) (RUK) 封装
产品概述
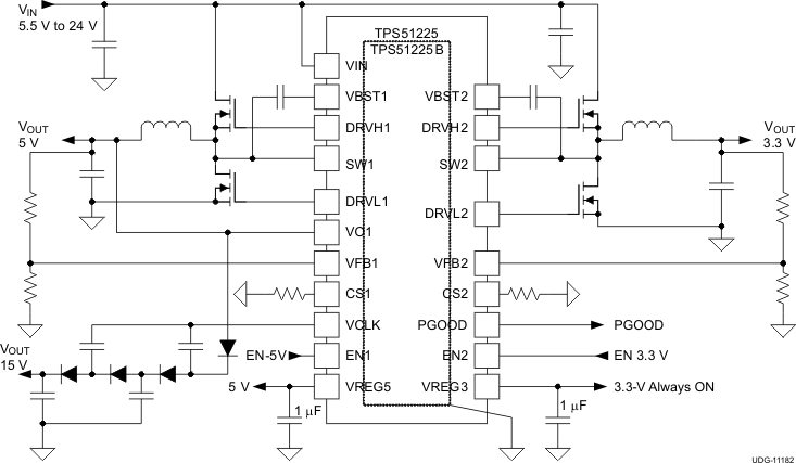
TPS51225/B/C 是一款针对笔记本电脑系统电源解决方案的高性价比、双同步降压控制器。 它提供 5V 和 3.3V LDO 并且只需要使用极少的外部组件。 260kHz VCLK 输出可被用于驱动一个外部电荷泵,为负载开关生成栅极驱动电压而不会降低主转换器的效率。 TPS51225/B/C 支持高效率,快速瞬态响应并提供一个组合电源正常信号。 自适应接通时间,D-CAP™ 控制提供便捷且有效的运行。 这一器件运行电源输入电压范围介于 5.5V 至 24V 之间并且支持 5.0V 和 3.3V 的输出电压。TPS51225/B/C 采用 20 引脚,3mm x 3mm,QFN 封装,额定运行温度 -40°C 至 85°C。
TPS51225RUKR 电路图

TPS51225RUKR 电路图
TPS51225RUKR 相关产品
- A4402ELPTR-T
- ADP2140ACPZ1218R7
- ADP2140ACPZ1228R7
- ADP2140ACPZ1233R7
- ADP2140ACPZ1528R7
- ADP2140ACPZ1533R7
- ADP2140ACPZ1812R7
- ADP2140ACPZ1815R7
- ADP2140ACPZ1833R7
- ADP2140ACPZ18812R7
- ADP2140ACPZ2518R7
- ADP2140ACPZ3312R7
- ADP2140ACPZ3315R7
- ADP2140ACPZ3318R7
- ADP2140ACPZ3325R7
- ADP2140ACPZ3328R7
- ADP5023ACPZ-1-R7
- ADP5023ACPZ-R7
- ADP5032ACBZ-1-R7
- ADP5033ACBZ-1-R7
- ADP5034ACPZ-1-R7
- ADP5034ACPZ-2-R7
- ADP5037ACPZ-1-R7
- ADP5037ACPZ-R7
- ADP5040ACPZ-1-R7
- ADP5042ACPZ-1-R7
- ADP5042ACPZ-2-R7
- ADP5043ACPZ-1-R7
- ISL6534CRZ-TR5229
- ISL6534CVZ-TR5229