- 封装:24-VFQFN 裸露焊盘
- RoHS:无铅 / 符合限制有害物质指令(RoHS)规范要求
- 包装方式:Digi-Reel®
- 参考价格:$2.808-$5.62
更新日期:2024-04-01 00:04:00
产品简介:具有低 IQ 和灵活外部元件的 4.5V 至 28V 双通道同步降压控制器
查看详情- 封装:24-VFQFN 裸露焊盘
- RoHS:无铅 / 符合限制有害物质指令(RoHS)规范要求
- 包装方式:Digi-Reel®
- 参考价格:$2.808-$5.62
TPS51123ARGER 供应商
- 公司
- 型号
- 品牌
- 封装/批号
- 数量
- 地区
- 日期
- 说明
- 询价
-
TI
-
原厂原装
22+ -
3288
-
上海市
-
-
-
一级代理原装
-
TI(德州仪器)
-
24-VFQFN
2022+ -
12000
-
上海市
-
-
-
原装可开发票
TPS51123ARGER 中文资料属性参数
- 标准包装:1
- 类别:集成电路 (IC)
- 家庭:PMIC - 稳压器 - 线性 + 切换式
- 系列:D-CAP™
- 拓扑:降压(降压)同步(2),线性(LDO)(2)
- 功能:任何功能
- 输出数:4
- 频率 - 开关:460kHz
- 电压/电流 - 输出 1:控制器
- 电压/电流 - 输出 2:控制器
- 电压/电流 - 输出 3:3.3V,100mA
- 带 LED 驱动器:无
- 带监控器:无
- 带序列发生器:无
- 电源电压:5.5 V ~ 28 V
- 工作温度:-40°C ~ 85°C
- 安装类型:表面贴装
- 封装/外壳:24-VFQFN 裸露焊盘
- 供应商设备封装:24-VQFN 裸露焊盘(4x4)
- 包装:®
- 其它名称:296-29247-6
产品特性
- 宽输入电压范围: 5.5V 至 28V
- 输出电压范围:2V 至 5.5V
- 带有开关的内置 100mA 5V/3.3V LDO
- 内置 1% 2V 基准输出
- 可选具有/不具有 Out-of-Audio™ 模式的轻负载和只支持脉宽调制 (PWM) 运行
- 内部 1.6ms 电压伺服器软启动
- 具有四个可选频率设置的自适应接通时间控制架构
- 4500ppm/°C RDS(on) 电流感测
- 内置输出放电
- 电源正常输出
- 内置过压保护 (OVP) / 欠压保护 (UVP) / 过流保护 (OCP)
- 热关断(非锁闭)
- 24 引脚四方扁平无引线 (QFN) (RGE) 封装
- 笔记本电脑
- I/O 电源
- 系统电源
产品概述
TPS51123A 是针对笔记本系统电源解决方案的经济高效的双路同步降压控制器。 它提供 5V 和 3.3V LDO 并且只需要使用极少的外部组件。 TPS51123A 支持高效、快速瞬态响应并提供组合型电源正常信号。 Out-of-Audio™ 模式轻载运行在比传统强制 PWM 运行频率高很多的频率下可实现低可闻噪声。 自适应接通时间 D-CAP 控制提供了便捷高效的操作。 这一部件运行电源输入电压范围介于 5.5V 至 28V 之间并且支持 2V 至 5.5V 的输出电压。TPS51123A 采用 24 引脚、四方扁平无引线 (QFN) 封装且额定环境运行温度范围为 -40°C 至 85°C。
TPS51123ARGER 数据手册
数据手册 | 说明 | 数量 | 操作 |
---|---|---|---|
![]() |
Linear And Switching Voltage Regulator IC 4 Output Step-Down (Buck) Synchronous (2), Linear (LDO) (2) 460kHz 24-VFQFN Exposed Pad |
38页,1.15M | 查看 |
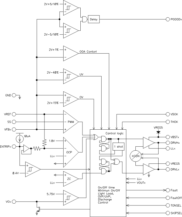
TPS51123ARGER 电路图

TPS51123ARGER 电路图
TPS51123ARGER 相关产品
- A4402ELPTR-T
- ADP2140ACPZ1218R7
- ADP2140ACPZ1228R7
- ADP2140ACPZ1233R7
- ADP2140ACPZ1528R7
- ADP2140ACPZ1533R7
- ADP2140ACPZ1812R7
- ADP2140ACPZ1815R7
- ADP2140ACPZ1833R7
- ADP2140ACPZ18812R7
- ADP2140ACPZ2518R7
- ADP2140ACPZ3312R7
- ADP2140ACPZ3315R7
- ADP2140ACPZ3318R7
- ADP2140ACPZ3325R7
- ADP2140ACPZ3328R7
- ADP5023ACPZ-1-R7
- ADP5023ACPZ-R7
- ADP5032ACBZ-1-R7
- ADP5033ACBZ-1-R7
- ADP5034ACPZ-1-R7
- ADP5034ACPZ-2-R7
- ADP5037ACPZ-1-R7
- ADP5037ACPZ-R7
- ADP5040ACPZ-1-R7
- ADP5042ACPZ-1-R7
- ADP5042ACPZ-2-R7
- ADP5043ACPZ-1-R7
- ISL6534CRZ-TR5229
- ISL6534CVZ-TR5229