- 封装:24-VFQFN 裸露焊盘
- RoHS:无铅 / 符合限制有害物质指令(RoHS)规范要求
- 包装方式:Digi-Reel®
- 参考价格:$3.096-$6.19
更新日期:2024-04-01 00:04:00
产品简介:具有 PMBus? 且包含遥测功能的 3V 至 20V、30A 同步降压控制器
查看详情- 封装:24-VFQFN 裸露焊盘
- RoHS:无铅 / 符合限制有害物质指令(RoHS)规范要求
- 包装方式:Digi-Reel®
- 参考价格:$3.096-$6.19
TPS40400RHLR 供应商
- 公司
- 型号
- 品牌
- 封装/批号
- 数量
- 地区
- 日期
- 说明
- 询价
-
TI
-
原厂原装
22+ -
3288
-
上海市
-
-
-
一级代理原装
-
TI/德州仪器
-
VQFN
21+ -
10000
-
杭州
-
-
-
只做原装现货,大量现货热卖
-
TI(德州仪器)
-
VQFN-24
2022+ -
12000
-
上海市
-
-
-
原装可开发票
-
TI
-
VQFN
21+ -
20000
-
上海市
-
-
-
原装现货,品质为先!请来电垂询!
-
TSSOP
23+ -
46000
-
合肥
-
-
-
科大讯飞战略投资企业,提供一站式配套服务
TPS40400RHLR 中文资料属性参数
- 标准包装:1
- 类别:集成电路 (IC)
- 家庭:PMIC - 稳压器 - DC DC 切换控制器
- 系列:-
- PWM 型:电压模式
- 输出数:1
- 频率 - 最大:720MHz
- 占空比:90%
- 电源电压:3 V ~ 20 V
- 降压:是
- 升压:无
- 回扫:无
- 反相:无
- 倍增器:无
- 除法器:无
- Cuk:无
- 隔离:无
- 工作温度:-40°C ~ 125°C
- 封装/外壳:24-VFQFN 裸露焊盘
- 包装:®
- 其它名称:296-29246-6
产品特性
- 输入工作电压范围:3 V 至 20 V
- 支持 PMBus 功能的模拟控制器
- 参考电压 600 mV ± 1%
- 远程电压感测放大器
- 内部 6 V 稳压器与 6 V 栅极驱动器
- 可编程过流保护
- 电感器电阻或串行电阻适用于电流感测
- 可编程开关频率:200 kHz 至 2 MHz
- 电源良好指示器
- 热关断
- 可编程软启动
- 内部引导二极管
- 预偏置输出安全
- 24 引脚 QFN 封装
产品概述
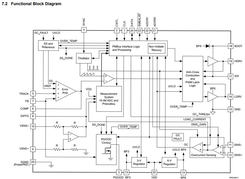
TPS40400是一款成本优化的灵活同步降压控制器, 采用 3.0 V 至 20 V 额定电源供电。该控制器是一款模拟 PWM 控制器,可通过 PMBus 接口进行编程和监控。该器件的高灵活特性包括可编程软启动时间、可编程短路限制以及可编程欠压锁定 (UVLO) 等。 该控制器是一款模拟 PWM 控制器,可通过 PMBus 接口进行编程和监控。 该器件的高灵活特性包括可编程软启动时间、可编程短路限制以及可编程欠压锁定 (UVLO) 等。自适应反交叉传导方案可用于避免功率 FET 出现直通电流。 栅极驱动电压为 6 V,可改进功率 FET,减少损失。 通过感应电感器上或与电感器串联电阻器上的压降,可检测短路情况。 PMBus 可编程阈值与该电压相比较,可检测过流。 在达到过流阈值时,则可采用逐脉冲电流限制方案将电流降至可接受的水平。 如果过流情况持续超过转换器的 7 个时钟周期,则宣布故障条件,转换器将关闭并进入短中断重启模式或锁存。 该行为可通过 PMBus 接口选择。 其它 PMBus 接口特性还包括可编程工作频率、软起动时间、过压及欠压阈值、对有关事件的响应,以及包括边缘效应和状态监测在内的输出电压改变等。
TPS40400RHLR 电路图
TPS40400RHLR 电路图
TPS40400RHLR 相关产品
- ADP1621ARMZ-R7
- ADP1822ARQZ-R7
- ADP1829ACPZ-R7
- ADP1850ACPZ-R7
- ADP1864AUJZ-R7
- ADP1870ACPZ-0.3-R7
- ADP1870ACPZ-1.0-R7
- ADP1870ARMZ-0.3-R7
- ADP1870ARMZ-0.6-R7
- ADP1870ARMZ-1.0-R7
- ADP1871ACPZ-0.3-R7
- ADP1871ACPZ-0.6-R7
- ADP1871ACPZ-1.0-R7
- ADP1871ARMZ-0.3-R7
- ADP1871ARMZ-0.6-R7
- ADP1871ARMZ-1.0-R7
- ADP1874ARQZ-0.3-R7
- ADP1875ARQZ-0.3-R7
- ADP1876ACPZ-R7
- ADP1878ACPZ-0.3-R7
- ADP1882ARMZ-0.3-R7
- ADP1882ARMZ-0.6-R7
- ADP1882ARMZ-1.0-R7
- ADP1883ARMZ-0.3-R7
- ADP1883ARMZ-0.6-R7
- ADP1883ARMZ-1.0-R7
- ADP2323ACPZ-R7
- ADP2325ACPZ-R7
- AN8016NSH-E1
- AN8018SA-E1

搜索
发布采购