更新日期:2024-04-01 00:04:00
产品简介:具有使能功能的汽车类标准可编程看门狗计时器
查看详情TPS3431SQDRBRQ1 供应商
- 公司
- 型号
- 品牌
- 封装/批号
- 数量
- 地区
- 日期
- 说明
- 询价
-
TI
-
VSON8
22+ -
6000
-
上海市
-
-
-
原厂原装上海仓现货
-
TI
-
SON-8
24+ -
6000
-
上海市
-
-
-
上海现货
-
TI
-
VSON8
新批号 -
887000
-
上海市
-
-
-
原厂发货进口原装微信同步QQ893727827
-
TSSOP
23+ -
46000
-
合肥
-
-
-
科大讯飞战略投资企业,提供一站式配套服务
TPS3431SQDRBRQ1 中文资料属性参数
- 现有数量:2,618现货9,000Factory
- 价格:1 : ¥14.63000剪切带(CT)3,000 : ¥8.09698卷带(TR)
- 系列:Automotive, AEC-Q100
- 包装:卷带(TR)剪切带(CT)Digi-Reel? 得捷定制卷带
- 产品状态:在售
- 类型:监视器电路
- 计数:-
- 频率:-
- 电压 - 供电:1.8V ~ 6.5V
- 电流 - 供电:10 μA
- 工作温度:-40°C ~ 125°C
- 封装/外壳:8-VDFN 裸露焊盘
- 供应商器件封装:8-VSON(3x3)
- 安装类型:表面贴装,可润湿侧翼
产品特性
- 符合面向汽车应用的 AEC-Q100 标准: 器件温度等级 1:–40°C 至 +125°C 的工作环境温度范围
- 器件温度等级 1:–40°C 至 +125°C 的工作环境温度范围
- 提供功能安全 可帮助进行功能安全系统设计的文档
- 可帮助进行功能安全系统设计的文档
- 出厂编程的精密看门狗计时器: 可在 25°C 条件下实现 ±2.5%(典型值)的看门狗超时 (WDT) 精度
- 可在 25°C 条件下实现 ±2.5%(典型值)的看门狗超时 (WDT) 精度
- 看门狗禁用功能
- 用户可编程看门狗超时
- 输入电压范围:VDD = 1.8V 至 6.5V
- 低静态电流:IDD = 10µA(典型值)
- 低电平有效的开漏输出
- 使能输入 (EN) 和使能输出 (ENOUT)
- 采用小型 3mm × 3mm 8 引脚 VSON 封装
- 工作结温范围: –40°C 至 +125°C
产品概述
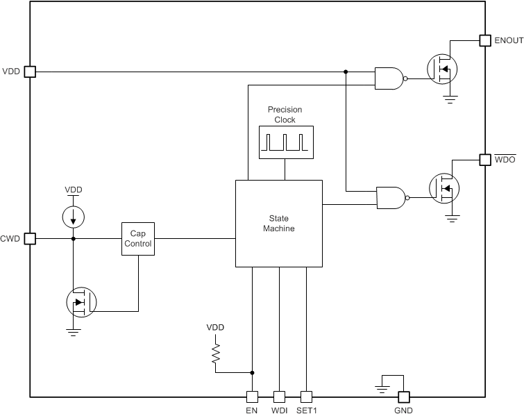
TPS3431-Q1 是一款具有使能功能的标准 汽车类可编程看门狗计时器,适用于 汽车应用。看门狗超时可在 –40°C 至 +125°C 温度范围内实现 15% 的高计时精度,在 25°C 下实现 2.5% 的典型计时精度,并且可通过外部电容器或工厂编程的默认延迟设置进行编程。在开发过程中,可以通过 Enable 引脚或 SET 逻辑引脚将看门狗禁用,从而避免出现不必要的看门狗超时。 TPS3431-Q1 采用小型 3.00mm × 3.00mm 8 引脚 VSON 封装。 TPS3431-Q1 具有可湿性侧面,可轻松进行光学检查。
TPS3431SQDRBRQ1 电路图

TPS3431SQDRBRQ1 电路图
TPS3431SQDRBRQ1 相关产品
- 1339-31DVGI8
- 2305A-1HDCG
- 2305NZ-1HDCG
- 2309A-1HDCG
- 308RILF
- 49FCT805BTQG
- 524MILFT
- 553MLFT
- 557M-01LFT
- 5V41065PGGI
- 5V41201PGGI
- 5V41236PGGI
- 5V49EE501NLGI
- 5V49EE902NLGI
- 6V49205BNLGI
- 74FCT3807AQG8
- 74FCT3807EPYGI
- 8102101FA
- 82V3391BEQG
- 83PN156DKILF
- 83PR226BKI-01LF
- 843002AKI-41LF
- 8442BYILF
- 844N255AKILF
- 8516FYILFT
- 8535AGI-21LF
- 8538BG-31LF
- 8538BG-31LFT
- 853S006AGILF
- 8N3S271KC-0029CDI