更新日期:2024-04-01 00:04:00
产品简介:具备可编程复位延迟功能的汽车类窗口看门狗计时器
查看详情TPS3430WQDRCRQ1 供应商
- 公司
- 型号
- 品牌
- 封装/批号
- 数量
- 地区
- 日期
- 说明
- 询价
-
TI
-
VSON-10
22+ -
9000
-
上海市
-
-
-
原厂原装上海仓现货
-
TI(德州仪器)
-
VSON-10(3x3)
2022+ -
12000
-
上海市
-
-
-
原装可开发票
-
TSSOP
23+ -
46000
-
合肥
-
-
-
科大讯飞战略投资企业,提供一站式配套服务
TPS3430WQDRCRQ1 中文资料属性参数
- 现有数量:1,735现货9,000Factory
- 价格:1 : ¥17.01000剪切带(CT)3,000 : ¥9.44448卷带(TR)
- 系列:Automotive, AEC-Q100
- 包装:卷带(TR)剪切带(CT)Digi-Reel? 得捷定制卷带
- 产品状态:在售
- 类型:监视器电路
- 计数:-
- 频率:-
- 电压 - 供电:1.6V ~ 6.5V
- 电流 - 供电:10 μA
- 工作温度:-40°C ~ 125°C
- 封装/外壳:10-VFDFN 裸露焊盘
- 供应商器件封装:10-VSON(3x3)
- 安装类型:表面贴装,可润湿侧翼
产品特性
- 符合面向汽车应用的 AEC-Q100 标准: 器件温度等级 1:–40°C 至 +125°C 的工作环境温度范围
- 器件温度等级 1:–40°C 至 +125°C 的工作环境温度范围
- 提供功能安全 可帮助进行功能安全系统设计的文档
- 可帮助进行功能安全系统设计的文档
- 出厂编程的精密看门狗计时器: 可在 25°C 下实现 ±2.5% 的看门狗超时和看门狗复位延迟精度(典型值)
- 可在 25°C 下实现 ±2.5% 的看门狗超时和看门狗复位延迟精度(典型值)
- 看门狗禁用功能
- 用户可编程看门狗超时
- 用户可编程看门狗复位延迟
- 输入电压范围:VDD = 1.6V 至 6.5V
- 低电源电流:IDD = 10µA(典型值)
- 开漏输出
- 小型 3mm × 3mm 10 引脚 VSON 封装
- 工作结温范围: –40°C 至 +125°C
产品概述
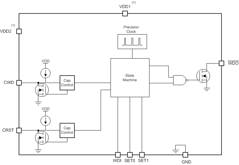
TPS3430-Q1 是一款具有可编程看门狗窗口和可编程看门狗复位延迟的独立 汽车类窗口看门狗计时器,适用于 汽车应用。 TPS3430-Q1 窗口看门狗可实现 2.5% 的计时精度(25°C 时的典型值),而且可通过出厂编程的默认延迟设置来设置看门狗输出 (WDO) 复位延迟,或通过外部电容器进行编程。在开发过程中或上电期间,可以通过 SET 引脚将监视器禁用,从而避免出现不必要的监视器超时。 TPS3430-Q1 采用小型 3.00mm × 3.00mm 10 引脚 VSON 封装。 TPS3430-Q1 具有可湿性侧面,可轻松进行光学检查。
TPS3430WQDRCRQ1 电路图

TPS3430WQDRCRQ1 电路图
TPS3430WQDRCRQ1 相关产品
- 1339-31DVGI8
- 2305A-1HDCG
- 2305NZ-1HDCG
- 2309A-1HDCG
- 308RILF
- 49FCT805BTQG
- 524MILFT
- 553MLFT
- 557M-01LFT
- 5V41065PGGI
- 5V41201PGGI
- 5V41236PGGI
- 5V49EE501NLGI
- 5V49EE902NLGI
- 6V49205BNLGI
- 74FCT3807AQG8
- 74FCT3807EPYGI
- 8102101FA
- 82V3391BEQG
- 83PN156DKILF
- 83PR226BKI-01LF
- 843002AKI-41LF
- 8442BYILF
- 844N255AKILF
- 8516FYILFT
- 8535AGI-21LF
- 8538BG-31LF
- 8538BG-31LFT
- 853S006AGILF
- 8N3S271KC-0029CDI