- 封装:16-TSSOP(0.173",4.40mm 宽)
- RoHS:无铅 / 符合限制有害物质指令(RoHS)规范要求
- 包装方式:Digi-Reel®
- 参考价格:$0.3875-$0.9
更新日期:2024-04-01 00:04:00
产品简介:18V(最大值)含传感器单相 BLDC 栅极驱动器
查看详情- 封装:16-TSSOP(0.173",4.40mm 宽)
- RoHS:无铅 / 符合限制有害物质指令(RoHS)规范要求
- 包装方式:Digi-Reel®
- 参考价格:$0.3875-$0.9
TMP815PWR 供应商
- 公司
- 型号
- 品牌
- 封装/批号
- 数量
- 地区
- 日期
- 说明
- 询价
-
TI
-
原厂原装
22+ -
3288
-
上海市
-
-
-
一级代理原装
-
TI(德州仪器)
-
TSSOP-16
2022+ -
12000
-
上海市
-
-
-
原装可开发票
-
TI
-
原厂原装
2318+ -
9200
-
合肥
-
-
-
科大讯飞战略投资企业
TMP815PWR 中文资料属性参数
- 标准包装:1
- 类别:集成电路 (IC)
- 家庭:PMIC - 电机和风扇控制器,驱动器
- 系列:-
- 应用:风扇电机驱动器
- 评估套件:-
- 输出数:1
- 电流 - 输出:10mA
- 电压 - 负载:15V
- 电源电压:6 V ~ 16 V
- 工作温度:-30°C ~ 95°C
- 安装类型:表面贴装
- 封装/外壳:16-TSSOP(0.173",4.40mm 宽)
- 供应商设备封装:16-TSSOP
- 包装:®
- 其它名称:296-25408-6
产品特性
- Single-Phase Full-Wave Driving Predriver Low Saturation Drive Using External P-channel Devices at Top and N-channel Devices in Bottom in H-bridge Configuration Enables High-Efficiency Low-Power Consumption Drive
- Low Saturation Drive Using External P-channel Devices at Top and N-channel Devices in Bottom in H-bridge Configuration Enables High-Efficiency Low-Power Consumption Drive
- Variable Speed Control Possible With External PWM Input Separately Excited Upper Direct PWM (f = 30 kHz) Control Method Ensures Quiet Speed Control
- Separately Excited Upper Direct PWM (f = 30 kHz) Control Method Ensures Quiet Speed Control
- Current Limiter Circuit Incorporated Chopper Type Current Limiting Made at Start- up and During Lock
- Chopper Type Current Limiting Made at Start- up and During Lock
- Reactive Current Cut Circuit Incorporated Reactive Current Before Phase Change Is Cut to Enable Silent and Low-Consumption Drive
- Reactive Current Before Phase Change Is Cut to Enable Silent and Low-Consumption Drive
- Minimum-Speed Setting Pin Minimum Speed Can be Set With External Resistor
- Minimum Speed Can be Set With External Resistor
- Soft-Start Setting Pin
- Lock Protection and Automatic Reset Circuits Incorporated
- Rotation Speed Detection (FG) and Lock Detection (RD) Output
- Thermal Shutdown Circuit Incorporated
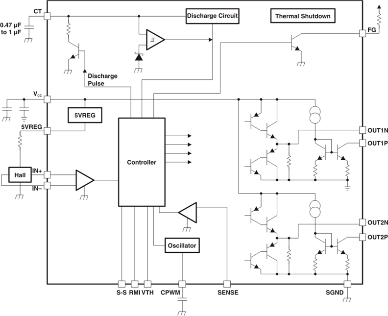
产品概述
The TMP815 device is a single-phase bipolar driving motor
predriver with a variable-speed function that is compatible with an external PWM signal. A highly
efficient and quiet variable-drive fan motor with low-power consumption can be achieved with few
external parts.This device is best suited for driving of the servers requiring large air flow and large
current or the fan motors of consumer appliances.
TMP815PWR 电路图

TMP815PWR 电路图
TMP815PWR 相关产品
- A1448EEWLT-P
- A3908EEETR-T
- A3930KJPTR-T
- A3958SLBTR
- A3977SLPTR-T
- A3980KLP-T
- A3981KLPTR-T
- A3988SJPTR-T
- A4931METTR-T
- A4950ELJTR-T
- A4950KLJTR-T
- A4952ELYTR-T
- A4953ELJTR-T
- A4954ELPTR-T
- A4970GLBTR-T
- A4970SLBTR-T
- A4973SB-T
- A4973SLBTR-T
- A4975SB-T
- A4975SLBTR-T
- A4980KLPTR-T
- A4982SETTR-T
- A4984SESTR-T
- A4984SETTR-T
- A4984SLPTR-T
- A4985SESTR-T
- A4985SETTR-T
- A4985SLPTR-T
- A4986SLPTR-T
- A4987SESTR-T