- 封装:20-TSSOP(0.173",4.40mm 宽)
- RoHS:无铅 / 符合限制有害物质指令(RoHS)规范要求
- 包装方式:Digi-Reel®
- 参考价格:$0.3875-$0.9
更新日期:2024-04-01 00:04:00
产品简介:适用于 12V、24V 或 48V 应用的含传感器单相 BLDC 栅极驱动器
查看详情- 封装:20-TSSOP(0.173",4.40mm 宽)
- RoHS:无铅 / 符合限制有害物质指令(RoHS)规范要求
- 包装方式:Digi-Reel®
- 参考价格:$0.3875-$0.9
TMP814PWR 供应商
- 公司
- 型号
- 品牌
- 封装/批号
- 数量
- 地区
- 日期
- 说明
- 询价
-
TI
-
原厂原装
22+ -
3288
-
上海市
-
-
-
一级代理原装
-
TI
-
原厂原装
2318+ -
9200
-
合肥
-
-
-
科大讯飞战略投资企业
TMP814PWR 中文资料属性参数
- 标准包装:1
- 类别:集成电路 (IC)
- 家庭:PMIC - 电机和风扇控制器,驱动器
- 系列:-
- 应用:风扇电机驱动器
- 评估套件:-
- 输出数:1
- 电流 - 输出:20mA
- 电压 - 负载:10V
- 电源电压:6 V ~ 16 V
- 工作温度:-30°C ~ 95°C
- 安装类型:表面贴装
- 封装/外壳:20-TSSOP(0.173",4.40mm 宽)
- 供应商设备封装:20-TSSOP
- 包装:®
- 其它名称:296-25407-6
产品特性
- Predriver for Single-Phase Full-Wave Drive PNP-NMOS is Used as an External Power TR, Enabling High-Efficiency Low-Consumption Drive by Means of the Low-Saturation Output and Single-Phase Full-Wave Drive (PMOS- NMOS Also Applicable)
- PNP-NMOS is Used as an External Power TR, Enabling High-Efficiency Low-Consumption Drive by Means of the Low-Saturation Output and Single-Phase Full-Wave Drive (PMOS- NMOS Also Applicable)
- External PWM Input Enabling Variable Speed Control Separately-Excited Upper Direct PWM (f = 25 kHz) Control Method, Enabling Highly Silent Speed Control
- Separately-Excited Upper Direct PWM (f = 25 kHz) Control Method, Enabling Highly Silent Speed Control
- Compatible with 12-V, 24-V, and 48-V Power Supplies
- Current Limiter Circuit Incorporated Chopper Type Current Limit at Start
- Chopper Type Current Limit at Start
- Reactive Current Cut Circuit Incorporated Reactive Current Before Phase Change is Cut to Enable Silent and Low-Consumption Drive
- Reactive Current Before Phase Change is Cut to Enable Silent and Low-Consumption Drive
- Minimum Speed Setting Pin Minimum Speed Can Be Set With External Resistor. Start Assistance Circuit Enables Start at Extremely Low Speed.
- Minimum Speed Can Be Set With External Resistor. Start Assistance Circuit Enables Start at Extremely Low Speed.
- Constant-Voltage Output Pin for Hall Bias
- Lock Protection and Automatic Reset Functions Incorporated
- FG (Rotation Speed Detection) and RD (Lock Detection) Output
产品概述
The TMP814 is a single-phase bipolar variable speed fan motor
predriver that works with an external PWM signal. A highly efficient, quiet and low-power
consumption motor driver circuit, with a large variable speed, can be implemented by adding a small
number of external components.This device is optimal for driving large scale fan motors (with large air volume and
large current) such as those used in servers and consumer products.
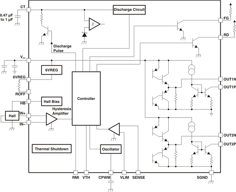
TMP814PWR 电路图

TMP814PWR 电路图
TMP814PWR 相关产品
- A1448EEWLT-P
- A3908EEETR-T
- A3930KJPTR-T
- A3958SLBTR
- A3977SLPTR-T
- A3980KLP-T
- A3981KLPTR-T
- A3988SJPTR-T
- A4931METTR-T
- A4950ELJTR-T
- A4950KLJTR-T
- A4952ELYTR-T
- A4953ELJTR-T
- A4954ELPTR-T
- A4970GLBTR-T
- A4970SLBTR-T
- A4973SB-T
- A4973SLBTR-T
- A4975SB-T
- A4975SLBTR-T
- A4980KLPTR-T
- A4982SETTR-T
- A4984SESTR-T
- A4984SETTR-T
- A4984SLPTR-T
- A4985SESTR-T
- A4985SETTR-T
- A4985SLPTR-T
- A4986SLPTR-T
- A4987SESTR-T