- 封装:8-DIP(0.300",7.62mm)
- RoHS:无铅 / 符合限制有害物质指令(RoHS)规范要求
- 包装方式:管件
- 参考价格:$0.6251-$1.65
更新日期:2024-04-01 00:04:00
产品简介:适用于 15V 系统的单电源监控器,具有可编程延迟时间
查看详情- 封装:8-DIP(0.300",7.62mm)
- RoHS:无铅 / 符合限制有害物质指令(RoHS)规范要求
- 包装方式:管件
- 参考价格:$0.6251-$1.65
TL7715ACP 供应商
- 公司
- 型号
- 品牌
- 封装/批号
- 数量
- 地区
- 日期
- 说明
- 询价
-
TI
-
原厂原装
22+ -
3288
-
上海市
-
-
-
一级代理原装
-
TI(德州仪器)
-
PDIP-8
2022+ -
12000
-
上海市
-
-
-
原装可开发票
-
TI
-
DIP8
23+ -
5800
-
上海市
-
-
-
进口原装现货,杜绝假货。
-
TI
-
原厂原装
2318+ -
9200
-
合肥
-
-
-
科大讯飞战略投资企业
TL7715ACP 中文资料属性参数
- 标准包装:50
- 类别:集成电路 (IC)
- 家庭:PMIC - 监控器
- 系列:-
- 类型:简单复位/加电复位
- 监视电压数目:1
- 输出:补充型
- 复位:高有效/低有效
- 复位超时:最大传输延迟为 1µs
- 电压 - 阀值:13.5V
- 工作温度:0°C ~ 70°C
- 安装类型:通孔
- 封装/外壳:8-DIP(0.300",7.62mm)
- 供应商设备封装:8-PDIP
- 包装:管件
- 其它名称:296-3252-5
产品特性
- Power-On Reset Generator
- Automatic Reset Generation After Voltage Drop
- Wide Supply-Voltage Range
- Precision Voltage Sensor
- Temperature-Compensated Voltage Reference
- Externally Adjustable Pulse Duration
产品概述
The TL77xxA family of integrated-circuit supply-voltage supervisors is designed
specifically for use as reset controllers in microcomputer and microprocessor systems. The
supply-voltage supervisor monitors the supply for undervoltage conditions at the SENSE input.
During power up, the RESET output becomes active (low) when
VCC attains a value approaching 3.6 V. At this point (assuming that SENSE is
above VIT+), the delay timer function activates a time delay, after which
outputs RESET and RESET go inactive (high and low, respectively). When an
undervoltage condition occurs during normal operation, RESET and RESET go
active.
TL7715ACP 数据手册
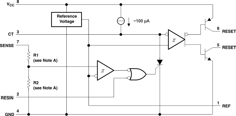
TL7715ACP 电路图

TL7715ACP 电路图
TL7715ACP 相关产品
- 2T03G15QDCKRG4Q
- 2T05H33QDCKRG4Q
- 2T09I50QDBVRG4Q
- 2T13K33MDBVREPG4
- ADM1062ACPZ-REEL7
- ADM1062ASUZ-REEL7
- ADM1063ASUZ
- ADM1063ASUZ-REEL7
- ADM1064ACPZ
- ADM1064ASUZ
- ADM1066ACPZ-REEL7
- ADM1066ASUZ-REEL
- ADM1066ASUZ-REEL7
- ADM1067ACPZ
- ADM1067ASU
- ADM1068ASTZ
- ADM1069ASTZ
- ADM1069ASTZ-REEL7
- ADM1086AKSZ-REEL7
- ADM1184ARMZ
- ADM1185ARMZ-1REEL7
- ADM1186-1ARQZ
- ADM1232ANZ
- ADM1232ARM-REEL7
- ADM1232ARMZ-REEL7
- ADM1232ARN-REEL7
- ADM1232ARNZ-REEL7
- ADM1232ARW-REEL7
- ADM13305-18ARZ
- ADM13305-25ARZ