更新日期:2024-04-01 00:04:00
产品简介:具有三态输出的 8 通道、4.5V 至 5.5V 双极缓冲器
查看详情M38510/32403SSA 中文资料属性参数
- 现有数量:0现货919Factory
- 价格:在售
- 系列:*
- 包装:管件
- 产品状态:在售
- 逻辑类型:-
- 元件数:-
- 每个元件位数:-
- 输入类型:-
- 输出类型:-
- 电流 - 输出高、低:-
- 电压 - 供电:-
- 工作温度:-
- 安装类型:-
- 封装/外壳:-
- 供应商器件封装:-
产品特性
- Inputs Tolerant Down to 2 V, Compatible With 3.3-V or 2.5-V Logic Inputs
- Maximum tpd of 15 ns at 5 V
- 3-State Outputs Drive Bus Lines or Buffer Memory Address Registers
- PNP Inputs Reduce DC Loading
- Hysteresis at Inputs Improves Noise Margins
产品概述
The SNx4LS24x, SNx4S24x octal buffers and line drivers are designed specifically to
improve both the performance and density of three-state memory address drivers, clock drivers, and
bus-oriented receivers and transmitters. The designer has a choice of selected combinations of
inverting and non-inverting outputs, symmetrical, active-low output-control
(G) inputs, and complementary output-control (G and
G) inputs. These devices feature high fan-out, improved fan-in, and 400-mV
noise margin. The SN74LS24x and SN74S24x devices can be used to drive terminated lines down to 133
Ω.
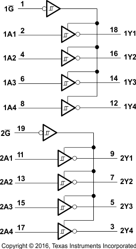
M38510/32403SSA 电路图
M38510/32403SSA 电路图
M38510/32403SSA 相关产品
- 1P1G125QDRYRQ1
- 1P1G126QDRYRQ1
- 1P2GU04QDRYRQ1
- 2N7001TDCKR
- 2N7001TDPWR
- 54FCT245TDB
- 5962-8762401CA
- 5962-8766301MRA
- 5962-8768001EA
- 7202LA50JG
- 7203L20TDB
- 7204L35J
- 72805LB15PF
- 7280L20PA
- 72V201L15PFGI
- 72V211L10PFG
- 72V245L10PFG
- 72V3640L10PF
- 72V3660L7-5PFI
- 72V70210DAG
- 72V70840DAG
- 72V73273BBG
- 74AHC05S14-13
- 74AHC05T14-13
- 74AHC1G126MDCKTEP
- 74AHC32S14-13
- 74AHC594S16-13
- 74AHC594T16-13
- 74AHCT08PW-Q100J
- 74AHCT125S14-13

搜索
发布采购