更新日期:2024-04-01 00:04:00
产品简介:军用级、单通道、40V、1MHz 运算放大器
查看详情M38510/10103BPA 中文资料属性参数
- 现有数量:0现货863Factory
- 价格:在售
- 系列:*
- 包装:管件
- 产品状态:在售
- 放大器类型:-
- 电路数:-
- 输出类型:-
- 压摆率:-
- 增益带宽积:-
- -3db 带宽:-
- 电流 - 输入偏置:-
- 电压 - 输入补偿:-
- 电流 - 供电:-
- 电流 - 输出/通道:-
- 电压 - 跨度(最小值):-
- 电压 - 跨度(最大值):-
- 工作温度:-
- 安装类型:-
- 封装/外壳:-
- 供应商器件封装:-
产品特性
- Offset Voltage 3 mV Maximum Over Temperature
- Input Current 100 nA Maximum Over Temperature
- Offset Current 20 nA Maximum Over Temperature
- Ensured Drift Characteristics
- Offsets Ensured Over Entire Common Mode and Supply Voltage Ranges
- Slew Rate of 10 V/µS as a Summing Amplifier
产品概述
The LM101A is a general purpose operational amplifier which features improved performance
over industry standards such as the LM709. Advanced processing techniques make possible an order of
magnitude reduction in input currents, and a redesign of the biasing circuitry reduces the
temperature drift of input current. Improved specifications include:This amplifier offers many features which make its application nearly foolproof:
overload protection on the input and output, no latch-up when the common mode range is exceeded,
and freedom from oscillations and compensation with a single 30 pF capacitor. It has advantages
over internally compensated amplifiers in that the frequency compensation can be tailored to the
particular application. For example, in low frequency circuits it can be overcompensated for
increased stability margin. Or the compensation can be optimized to give more than a factor of ten
improvement in high frequency performance for most applications.In addition, the device provides better accuracy and lower noise in high impedance
circuitry. The low input currents also make it particularly well suited for long interval
integrators or timers, sample and hold circuits and low frequency waveform generators. Further,
replacing circuits where matched transistor pairs buffer the inputs of conventional IC op amps, it
can give lower offset voltage and a drift at a lower cost.
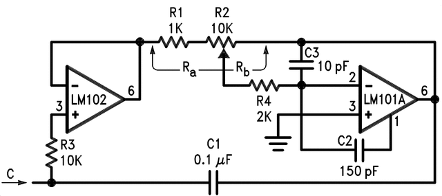
M38510/10103BPA 电路图

M38510/10103BPA 电路图
M38510/10103BPA 相关产品
- 5962-87738012A
- 5962-88513012A
- 5962-8851302HA
- 5962-8856501CA
- 5962-8859301M2A
- 5962-8872101PA
- 5962-8954401PA
- 5962-89641012A
- 5962-9098001MXA
- 5962-9201301MEA
- 5962-9313001MPA
- 5962-9452101M2A
- 5962-9457201MEA
- 5962-9457203MPA
- 5962-9851501QPA
- 77043012A
- 8102302PA
- 81023052A
- 81023062A
- 8102306CA
- ACPL-785E
- ACPL-785E-200
- AD524SD/883B
- AD524SE/883B
- AD549SH/883B
- AD603SQ/883B
- AD624SD/883B
- AD625SD/883B
- AD640TD/883B
- AD684SQ/883B