LP5523TMX/NOPB
驱动器- 参考价格:¥10.56-¥7.11
更新日期:2024-04-01 00:04:00
LP5523TMX/NOPB 供应商
- 公司
- 型号
- 品牌
- 封装/批号
- 数量
- 地区
- 日期
- 说明
- 询价
-
TI
-
原厂原装
22+ -
3288
-
上海市
-
-
-
一级代理原装
-
TI
-
DSBGA-25
23+ -
46000
-
合肥
-
-
-
科大讯飞战略投资企业,提供一站式配套服务
LP5523TMX/NOPB 中文资料属性参数
- 制造商:National Semiconductor (TI)
- 输入电压:2.7 V to 5.5 V
- 工作频率:1.25 MHz
- 最大电源电流:0.95 mA
- 输出电流:25.5 mA
- 最大工作温度:+ 85 C
- 安装风格:SMD/SMT
- 封装 / 箱体:uSMD-25 (BGA-25)
- 最小工作温度:- 30 C
- 封装:Reel
- 工厂包装数量:3000
产品特性
- Three Independent Program Execution Engines, Nine Programmable Outputs with 25.5-mA Full-Scale Current, 8-Bit Current Setting Resolution, and 12-Bit PWM Control Resolution
- Adaptive High-Efficiency 1×/1.5× Fractional Charge Pump - Efficiency Up to 94%
- LED Drive Efficiency Up to 93%
- Charge Pump With Soft Start and Overcurrent and Short-Circuit Protection
- Built-in LED Test
- 200-nA Typical Standby Current
- Automatic Power-Save Mode IVDD = 10 µA (Typical)
- Two-Wire I2C-Compatible Control Interface
- Flexible Instruction Set
- Large SRAM Program Memory
- Small Application Circuit
- Source (High-Side) Drivers
- Architecture Supports Color Control
产品概述
The LP5523 is a 9-channel LED driver designed to produce lighting effects for mobile
devices. A high-efficiency charge pump enables LED driving over full Li-Ion battery voltage range.
The device is equipped with an internal program memory, which allows operation without processor
control. The LP5523 maintains excellent efficiency over a wide operating range by autonomously
selecting the best charge-pump gain based on LED forward voltage requirements. The LP5523 is able
to automatically enter power-save mode when LED outputs are not active, thus lowering idle current
consumption down to 10 µA (typical).The LP5523 has an I2C-compatible control interface with four
pin selectable addresses. The device has a flexible general purpose output (GPO), which can be used
as a digital control pin for other devices. INT pin can be used to notify processor when a lighting
sequence has ended (interrupt function). Also, the device has a trigger input interface, which
allows synchronization, for example, between multiple LP5523 devices.The device requires only four small, low-cost ceramic capacitors. The LP5523 is available
in a tiny 25-pin DSBGA package (0.4-mm pitch).
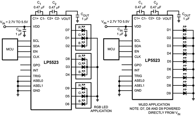
LP5523TMX/NOPB 电路图
LP5523TMX/NOPB 电路图
LP5523TMX/NOPB 相关产品
- 100301QC
- 100304QC
- 100310QC
- 100311QC
- 100313QC
- 100316QC
- 100322QC
- 100329APC
- 100329DC
- 100336DC
- 100336PC
- 100341QC
- 100351DC
- 100351PC
- 100363QC
- 100364QC
- 100370QC
- 100390QC
- 100398QI
- 11AA010T-I/TT
- 11AA160T-I/TT
- 11LC010T-I/TT
- 11LC020T-I/TT
- 11LC040T-E/TT
- 11LC160T-E/TT
- 1ED020I12-F
- 2304NZGI-1LF
- 23A640-I/SN
- 23K256-I/SN
- 23K256-I/ST

搜索
发布采购