LP3963ESX-2.5/NOPB
电源管理 IC- 参考价格:¥11.45-¥22.98
更新日期:2024-04-01 00:04:00
LP3963ESX-2.5/NOPB 供应商
- 公司
- 型号
- 品牌
- 封装/批号
- 数量
- 地区
- 日期
- 说明
- 询价
-
TI
-
原厂原装
22+ -
3288
-
上海市
-
-
-
一级代理原装
-
NSC
-
SOT-89
23+ -
15000
-
上海市
-
-
-
中国区代理原装现货热卖特价
LP3963ESX-2.5/NOPB 中文资料属性参数
- 制造商:National Semiconductor (TI)
- 最大输入电压:7 V
- 输出电压:2.5 V
- 回动电压(最大值):0.1 V at 300 mA, 1 V at 3A
- 输出电流:3 A
- 负载调节:0.06 %
- 输出端数量:1
- 输出类型:Fixed
- 最大工作温度:+ 125 C
- 安装风格:SMD/SMT
- 封装 / 箱体:TO-263
- 线路调整率:0.02 %
- 最小工作温度:- 40 C
- 封装:Reel
- 工厂包装数量:500
- 电压调节准确度:+/- 1.5 %
产品特性
- Ultra Low Dropout Voltage
- Low Ground Pin Current
- Load Regulation of 0.06%
- 15µA Quiescent Current in Shutdown Mode
- Specified Output Current of 3A DC
- Available in DDPAK/TO-263 and TO-220 Packages
- Output Voltage Accuracy ± 1.5%
- Error Flag Indicates Output Status (LP3963)
- Sense Option Improves Load Regulation (LP3966)
- Minimum Output Capacitor Requirements
- Overtemperature/Overcurrent Protection
- −40°C to +125°C Junction Temperature Range
产品概述
The LP3963/LP3966 series of fast ultra low-dropout linear regulators operate from a +2.5V
to +7.0V input supply. Wide range of preset output voltage options are available. These ultra low
dropout linear regulators respond very quickly to step changes in load which makes them suitable
for low voltage microprocessor applications. The LP3963/LP3966 are developed on a CMOS process
which allows low quiescent current operation independent of output load current. This CMOS process
also allows the LP3963/LP3966 to operate under extremely low dropout conditions.Dropout Voltage: Ultra low dropout voltage; typically
80mV at 300mA load current and 800mV at 3A load current.Ground Pin Current: Typically 6mA at 3A load
current.Shutdown Mode: Typically 15µA quiescent current when the
shutdown pin is pulled low.Error Flag:
Error flag goes low when the output voltage drops 10% below nominal value
(for LP3963).SENSE: Sense pin improves regulation at remote loads.
(For LP3966)Precision Output Voltage: Multiple output voltage
options are available ranging from 1.2V to 5.0V and adjustable (LP3966), with a specified accuracy
of ±1.5% at room temperature, and ±3.0% over all conditions (varying line, load, and temperature).
LP3963ESX-2.5/NOPB 数据手册
| 数据手册 | 说明 | 数量 | 操作 |
|---|---|---|---|
LP3963ESX-2.5/NOPB
|
Linear Voltage Regulator IC Positive Fixed 1 Output 2.5V 3A DDPAK/TO-263-5 |
25页,2.05M | 查看 |
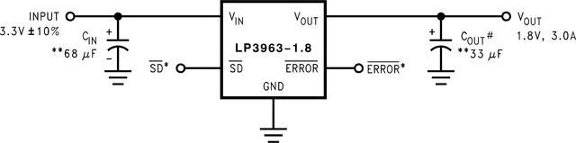
LP3963ESX-2.5/NOPB 电路图
LP3963ESX-2.5/NOPB 电路图
LP3963ESX-2.5/NOPB 相关产品
- 100301QC
- 100304QC
- 100310QC
- 100311QC
- 100313QC
- 100316QC
- 100322QC
- 100329APC
- 100329DC
- 100336DC
- 100336PC
- 100341QC
- 100351DC
- 100351PC
- 100363QC
- 100364QC
- 100370QC
- 100390QC
- 100398QI
- 11AA010T-I/TT
- 11AA160T-I/TT
- 11LC010T-I/TT
- 11LC020T-I/TT
- 11LC040T-E/TT
- 11LC160T-E/TT
- 1ED020I12-F
- 2304NZGI-1LF
- 23A640-I/SN
- 23K256-I/SN
- 23K256-I/ST

搜索
发布采购
LP3963ESX-2.5/NOPB