- 参考价格:¥6.86
更新日期:2024-04-01 00:04:00
LP3944ISQX/NOPB 供应商
- 公司
- 型号
- 品牌
- 封装/批号
- 数量
- 地区
- 日期
- 说明
- 询价
-
TI
-
原厂原装
22+ -
3288
-
上海市
-
-
-
一级代理原装
LP3944ISQX/NOPB 中文资料属性参数
- 制造商:National Semiconductor (TI)
- 封装:Reel
- 工厂包装数量:4500
产品特性
- Internal Power-on Reset
- Active Low Reset
- Internal Precision Oscillator
- Variable Dim Rates (from 6.25 ms to 1.6s; 160 Hz–0.625 Hz)
- 8 LED Driver (Multiple Programmable States—On, Off, Input, and Dimming at a Specified Rate)
- 8 Open Drain Outputs Capable of Driving up to 25 mA per LED
产品概述
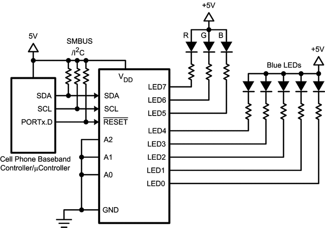
LP3944 is an integrated device capable of independently driving 8 LEDs. This device also
contains an internal precision oscillator that provides all the necessary timing required for
driving each LED. Two prescaler registers along with two PWM registers provide a versatile duty
cycle control. The LP3944 contains the ability to dim LEDs in SMBUS/I2C
applications where it is required to cut down on bus traffic.Traditionally, to dim LEDs using a serial shift register such as 74LS594/5 would require
a large amount of traffic to be on the serial bus. LP3944 instead requires only the setup of the
frequency and duty cycle for each output pin. From then on, only a single command from the host is
required to turn each individual open drain output ON, OFF, or to cycle a programmed frequency and
duty cycle. Maximum output sink current is 25 mA per pin and 200 mA per package. Any ports not used
for controlling the LEDs can be used for general purpose input/output expansion.
LP3944ISQX/NOPB 电路图
LP3944ISQX/NOPB 电路图
LP3944ISQX/NOPB 相关产品
- 100301QC
- 100304QC
- 100310QC
- 100311QC
- 100313QC
- 100316QC
- 100322QC
- 100329APC
- 100329DC
- 100336DC
- 100336PC
- 100341QC
- 100351DC
- 100351PC
- 100363QC
- 100364QC
- 100370QC
- 100390QC
- 100398QI
- 11AA010T-I/TT
- 11AA160T-I/TT
- 11LC010T-I/TT
- 11LC020T-I/TT
- 11LC040T-E/TT
- 11LC160T-E/TT
- 1ED020I12-F
- 2304NZGI-1LF
- 23A640-I/SN
- 23K256-I/SN
- 23K256-I/ST

搜索
发布采购