更新日期:2024-04-01 00:04:00
产品简介:采用 3.5mm × 3.5mm 封装的 3V 至 17V、1A 降压直流/直流电源模块
查看详情LMZ21701SILR 供应商
- 公司
- 型号
- 品牌
- 封装/批号
- 数量
- 地区
- 日期
- 说明
- 询价
-
TI
-
原厂原装
22+ -
3288
-
上海市
-
-
-
一级代理原装
-
TI/德州仪器
-
9000
21+ -
10000
-
杭州
-
-
-
只做原装现货,大量现货热卖
-
TI(德州仪器)
-
SMD-8
2022+ -
12000
-
上海市
-
-
-
原装可开发票
-
TI
-
原厂原封装
新批号 -
887000
-
上海市
-
-
-
原厂发货进口原装微信同步QQ893727827
LMZ21701SILR 中文资料属性参数
- 现有数量:1,786现货9,000Factory
- 价格:1 : ¥36.89000剪切带(CT)3,000 : ¥20.86849卷带(TR)
- 系列:SIMPLE SWITCHER? Nano
- 包装:卷带(TR)剪切带(CT)Digi-Reel? 得捷定制卷带
- 产品状态:在售
- 类型:非隔离 PoL 模块
- 输出数:1
- 电压 - 输入(最小值):3V
- 电压 - 输入(最大值):17V
- 电压 - 输出 1:0.9 ~ 6V
- 电压 - 输出 2:-
- 电压 - 输出 3:-
- 电压 - 输出 4:-
- 电流 - 输出(最大值):1A
- 功率 (W):-
- 电压 - 隔离:-
- 应用:ITE(商业)
- 特性:OTP,SCP,UVLO
- 工作温度:-40°C ~ 125°C
- 效率:95%
- 安装类型:表面贴装型
- 封装/外壳:8-SMD 模块
- 大小 / 尺寸:0.14" 长 x 0.14" 宽 x 0.07" 高(3.5mm x 3.5mm x 1.8mm)
- 供应商器件封装:-
- 控制特性:使能,高电平有效
- 认证机构:-
- 标准编号:-
产品特性
- 集成电感
- 微型 3.5mm × 3.5mm × 1.75mm 封装
- 35-mm² 解决方案尺寸(单侧)
- 结温范围为 -40°C 至 125°C
- 可调输出电压
- 集成补偿
- 可调软启动功能
- 启动至预偏置负载
- 电源正常状态和使能引脚
- 节能模式无缝转换
- 高达 1000mA 的输出电流
- 输入电压范围为 3V 至 17V
- 输出电压范围为 0.9V 到 6V
- 效率高达 95 %
- 1.5µA 关断电流
- 17µA 静态电流
- 使用 LMZ21701 并借助 WEBENCH® 电源设计器创建定制设计
产品概述
LMZ21701 微型模块是易于使用的降压直流/直流解决方案,可在空间受限的应用中驱动高达 1000mA 的 负载。仅需一个输入电容器、一个输出电容器、一个软启动电容器和两个电阻器即可完成基本操作。
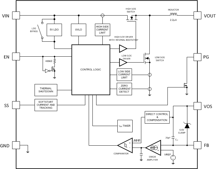
LMZ21701SILR 电路图

LMZ21701SILR 电路图
LMZ21701SILR 相关产品
- A025P-5
- A02N-5
- A03P-12
- A0505S-1WR3
- A0505XT-1WR3
- A0509S-1WR3
- A0512S-1WR3
- A0515S-1WR3
- A05N-12
- A06N-12
- A06N-5
- A10P-12
- A10P-5
- ADUM5000WARWZ-RL
- ADUM5010ARSZ-RL7
- CBS1002415
- CBS1002424
- CBS1002428
- CBS100242R5
- CBS1004803
- CBS1004805
- CBS1004815
- CBS1004824-R
- CBS200241R8
- CBS2002424
- CBS2002428
- CBS2004803
- CBS2004812
- CBS2004824
- CBS2004828