更新日期:2024-04-01 00:04:00
产品简介:具有集成 VCO 的 3.76GHz 宽带频率合成器
查看详情LMX2581SQE/NOPB 供应商
- 公司
- 型号
- 品牌
- 封装/批号
- 数量
- 地区
- 日期
- 说明
- 询价
-
TI
-
原厂原装
22+ -
3288
-
上海市
-
-
-
一级代理原装
LMX2581SQE/NOPB 中文资料属性参数
- 现有数量:669现货10,000Factory
- 价格:1 : ¥106.69000剪切带(CT)250 : ¥78.72756卷带(TR)
- 系列:-
- 包装:卷带(TR)剪切带(CT)Digi-Reel? 得捷定制卷带
- 产品状态:在售
- 类型:频率合成器(RF)
- PLL:带旁路
- 输入:时钟
- 输出:时钟
- 电路数:1
- 比率 - 输入:输出:1:5
- 差分 - 输入:输出:无/是
- 频率 - 最大值:3.76GHz
- 分频器/倍频器:是/是
- 电压 - 供电:3.15V ~ 3.45V
- 工作温度:-40°C ~ 85°C
- 安装类型:表面贴装型
- 封装/外壳:32-WFQFN 裸露焊盘
- 供应商器件封装:32-WQFN(5x5)
产品特性
- 输出频率:50MHz 至 3760MHz
- 输入时钟频率高达 900MHz
- 相位检测器速率高达 200MHz
- 支持分数和整数两种模式
- 标准化锁相环 (PLL) 相位噪声为 –229dBc/Hz
- 标准化 PLL 1/f 噪声为 –120.8dBc/Hz
- 对于 2.5GHz 载波,1MHz 偏移时的压控振荡器 (VCO) 相位噪声为 –137dBc/Hz
- 整数模式下的抖动为 100fs(均方根 (RMS))
- 可编程的分数调制器阶数
- 可编程的分数分母
- 最高达 +12dBm 的可编程输出功率
- 可编程的 32 级电荷泵电流
- 提供相应的可编程选项以使用外部 VCO
- 数字锁定检测
- 3 线串行接口和读回功能
- 单电源电压范围:3.15V 至 3.45V
- 支持最低至 1.6V 的逻辑电平
- 无线基础设施(通用移动通信系统 (UMTS)、长期演进技术 (LTE)、全球微波互联接入 (WiMax)、多标准基站)
- 无线宽带
- 测试和测量
- 时钟发生
产品概述
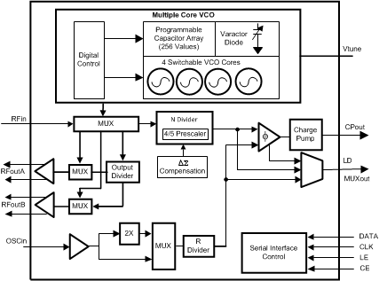
LMX2581 是一款低噪声宽带频率合成器,其集成有 Δ-Σ 分数 N PLL、多核 VCO、可编程输出分频器以及两个差动输出缓冲器。 VCO 的频率范围为 1880MHz 至 3760MHz,既可以直接发送至输出缓冲器,也可以进行 2 至 38 范围内的分频。 每个缓冲器在 2700MHz 频率下都能够提供 -3dBm 至 +12dBm 范围内的输出功率。 该器件集成有低噪声 LDO,用于实现出色的抗扰度和稳定性能。.该合成器是一款高度可编程的器件,用户可通过编程来优化其性能。 在分数模式下,分母和调制器阶数均可编程,并且还可以配置抖动。 用户还能够直接指定 VCO 内核或者完全旁路掉内部 VCO。 最后,该器件还包含许多便捷功能,例如断电、快速锁定、自动静音以及锁定检测。 所有寄存器均可通过简单的 3 线接口进行编程,并且还提供读回功能。LMX2581 通过 3.3V 单电源供电运行,并且采用 32 引脚 5.0mm × 5.0mm 超薄型四方扁平无引线 (WQFN) 封装。
LMX2581SQE/NOPB 数据手册
| 数据手册 | 说明 | 数量 | 操作 |
|---|---|---|---|
LMX2581SQE/NOPB
|
IC RF FREQ SYNTHESIZER 32WQFN |
56页,1.4M | 查看 |
LMX2581SQE/NOPB 电路图
LMX2581SQE/NOPB 电路图
LMX2581SQE/NOPB 相关产品
- 1339-31DVGI8
- 2305A-1HDCG
- 2305NZ-1HDCG
- 2309A-1HDCG
- 308RILF
- 49FCT805BTQG
- 524MILFT
- 553MLFT
- 557M-01LFT
- 5V41065PGGI
- 5V41201PGGI
- 5V41236PGGI
- 5V49EE501NLGI
- 5V49EE902NLGI
- 6V49205BNLGI
- 74FCT3807AQG8
- 74FCT3807EPYGI
- 8102101FA
- 82V3391BEQG
- 83PN156DKILF
- 83PR226BKI-01LF
- 843002AKI-41LF
- 8442BYILF
- 844N255AKILF
- 8516FYILFT
- 8535AGI-21LF
- 8538BG-31LF
- 8538BG-31LFT
- 853S006AGILF
- 8N3S271KC-0029CDI

搜索
发布采购
LMX2581SQE/NOPB