- 参考价格:¥1.10-¥1.34
更新日期:2024-04-01 00:04:00

LMV431IM5X 供应商
- 公司
- 型号
- 品牌
- 封装/批号
- 数量
- 地区
- 日期
- 说明
- 询价
-
LMV431IM5X/NOPB
原装现货 -
TI/NS
-
SOT23-3
21+ -
3000
-
深圳
-
12-03
-
QQ询价原装真实库存现货热卖
-
TI
-
原厂原装
22+ -
3288
-
上海市
-
-
-
一级代理原装
-
TI/NS
-
SMD
21+ -
20000
-
上海市
-
-
-
原装现货,品质为先!请来电垂询!
-
NS
-
SOT23-5
23+ -
5800
-
上海市
-
-
-
进口原装现货,杜绝假货。
-
SOT23-5
2024 -
83000
-
上海市
-
-
-
上海原装现货,欢迎咨询合作
-
TI
-
原厂原装
2318+ -
9200
-
合肥
-
-
-
科大讯飞战略投资企业
-
TI/德州仪器
-
SOT23-5
21+ -
10000
-
杭州
-
-
-
只做原装现货,大量现货热卖
-
TI(德州仪器)
-
SOT-23-5
2022+ -
12000
-
上海市
-
-
-
原装可开发票
-
NSC
-
SSOP
23+ -
15000
-
上海市
-
-
-
中国区代理原装现货热卖特价
-
NS/ELNAF
-
SOT235
1802+ -
1054
-
上海市
-
-
-
原装现货,精专配套,正品BOM表报价
LMV431IM5X 中文资料属性参数
- 制造商:National Semiconductor (TI)
- 产品:Voltage References
- 拓扑结构:Shunt References
- 参考类型:Adjustable
- 输出电压:1.24 V to 30 V
- 初始准确度:1.5 %
- 串联 VREF - 输入电压(最大值):35 V
- 分流电流(最大值):15 mA
- 最大工作温度:+ 85 C
- 封装 / 箱体:SOT-23
- 封装:Reel
- 最小工作温度:- 40 C
- 安装风格:SMD/SMT
- 工厂包装数量:3000
产品特性
- Low-Voltage Operation/Wide Adjust Range (1.24 V/30 V)
- 0.5% Initial Tolerance (LMV431B)
- Temperature Compensated for Industrial Temperature Range (39 PPM/°C for the LMV431AI)
- Low Operation Current (55 µA)
- Low Output Impedance (0.25 Ω)
- Fast Turn-On Response
- Low Cost
产品概述
The LMV431, LMV431A and LMV431B are precision 1.24 V shunt regulators capable of
adjustment to 30 V. Negative feedback from the cathode to the adjust pin controls the cathode
voltage, much like a non-inverting op amp configuration (Refer to Symbol and Functional Diagrams). A two-resistor voltage divider terminated at the adjust pin
controls the gain of a 1.24 V band-gap reference. Shorting the cathode to the adjust pin (voltage
follower) provides a cathode voltage of a 1.24 V.The LMV431, LMV431A and LMV431B have respective initial tolerances of 1.5%, 1%, and 0.5%,
and functionally lend themselves to several applications that require zener diode type performance
at low voltages. Applications include a 3 V to 2.7 V low drop-out regulator, an error amplifier in
a 3 V off-line switching regulator and even as a voltage detector. These parts are typically stable
with capacitive loads greater than 10 nF and less than 50 pF.The LMV431, LMV431A and LMV431B provide performance at a competitive price.
LMV431IM5X 数据手册
数据手册 | 说明 | 数量 | 操作 |
---|---|---|---|
![]() |
Low-Voltage (1.24V) Adjustable Precision Shunt Regulators |
15 Pages页,557K | 查看 |
![]() |
Low-Voltage (1.24V) Adjustable Precision Shunt Regulators |
16 Pages页,557K | 查看 |
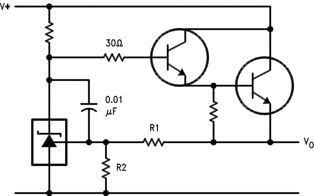
LMV431IM5X 电路图

LMV431IM5X 电路图
LMV431IM5X 相关产品
- 100301QC
- 100304QC
- 100310QC
- 100311QC
- 100313QC
- 100316QC
- 100322QC
- 100329APC
- 100329DC
- 100336DC
- 100336PC
- 100341QC
- 100351DC
- 100351PC
- 100363QC
- 100364QC
- 100370QC
- 100390QC
- 100398QI
- 11AA010T-I/TT
- 11AA160T-I/TT
- 11LC010T-I/TT
- 11LC020T-I/TT
- 11LC040T-E/TT
- 11LC160T-E/TT
- 1ED020I12-F
- 2304NZGI-1LF
- 23A640-I/SN
- 23K256-I/SN
- 23K256-I/ST