- 参考价格:¥17.66-¥35.40
更新日期:2024-04-01 00:04:00
LMV1089VY/NOPB 供应商
- 公司
- 型号
- 品牌
- 封装/批号
- 数量
- 地区
- 日期
- 说明
- 询价
-
TI
-
原厂原装
22+ -
3288
-
上海市
-
-
-
一级代理原装
LMV1089VY/NOPB 中文资料属性参数
- 制造商:National Semiconductor (TI)
- 产品:Class-AB
- 输出类型:1-Channel Mono
- 可用增益调整:36 dB
- 共模抑制比(最小值):62 dB
- THD + 噪声:0.1 %
- 电源电流:1.1 mA at 5 V
- 最大工作温度:+ 85 C
- 安装风格:SMD/SMT
- 封装 / 箱体:LQFP-32
- 封装:Tray
- 音频负载电阻:100000 Ohms
- 双重电源电压:3 V, 5 V
- 输入信号类型:Single
- 最小工作温度:- 40 C
- 输出信号类型:Single
- 工厂包装数量:250
- 电源类型:Dual
LMV1089VY/NOPB 数据手册
数据手册 | 说明 | 数量 | 操作 |
---|---|---|---|
![]() |
Amplifier IC 1-Channel (Mono) Class AB 32-TQFP (7x7) |
39页,1.95M | 查看 |
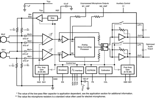
LMV1089VY/NOPB 电路图

LMV1089VY/NOPB 电路图
LMV1089VY/NOPB 相关产品
- 100301QC
- 100304QC
- 100310QC
- 100311QC
- 100313QC
- 100316QC
- 100322QC
- 100329APC
- 100329DC
- 100336DC
- 100336PC
- 100341QC
- 100351DC
- 100351PC
- 100363QC
- 100364QC
- 100370QC
- 100390QC
- 100398QI
- 11AA010T-I/TT
- 11AA160T-I/TT
- 11LC010T-I/TT
- 11LC020T-I/TT
- 11LC040T-E/TT
- 11LC160T-E/TT
- 1ED020I12-F
- 2304NZGI-1LF
- 23A640-I/SN
- 23K256-I/SN
- 23K256-I/ST