更新日期:2024-04-01 00:04:00
产品简介:用于模拟监视和控制的集成多通道 ADC 和 DAC
查看详情LMP92018SQE/NOPB 供应商
- 公司
- 型号
- 品牌
- 封装/批号
- 数量
- 地区
- 日期
- 说明
- 询价
-
TI
-
原厂原装
22+ -
3288
-
上海市
-
-
-
一级代理原装
LMP92018SQE/NOPB 中文资料属性参数
- 现有数量:0现货3,750Factory查看交期
- 价格:250 : ¥64.70904卷带(TR)
- 系列:-
- 包装:卷带(TR)剪切带(CT)Digi-Reel? 得捷定制卷带
- 产品状态:在售
- 类型:模拟监视/控制电路
- 通道数:8
- 分辨率(位):10 b
- 采样率(每秒):500k
- 数据接口:SPI
- 供电电压源:单电源
- 电压 - 供电:5V
- 工作温度:-40°C ~ 125°C
- 安装类型:表面贴装型
- 封装/外壳:36-WFQFN 裸露焊盘
- 供应商器件封装:36-WQFN(6x6)
产品特性
- 8 ANALOG VOLTAGE MONITORING CHANNELS10-Bit ADC with Programmable Input MUX Internal/External Reference Tolerates High-Source Impedance at Lower Sampling Rates
- 10-Bit ADC with Programmable Input MUX
- Internal/External Reference
- Tolerates High-Source Impedance at Lower Sampling Rates
- 4 PROGRAMMABLE ANALOG VOLTAGE OUTPUTSFour 10-Bit DACs Internal/External Reference Drives Loads up to 1nF
- Four 10-Bit DACs
- Internal/External Reference
- Drives Loads up to 1nF
- VOLTAGE REFERENCEUser-Selectable Source: External or Internal Internal Reference 2.5V
- User-Selectable Source: External or Internal
- Internal Reference 2.5V
- TEMPERATURE SENSOR±2.5°C Accuracy
- ±2.5°C Accuracy
- 12-BIT GPIO PORTEach Bit Individually Programmable User-Selectable Rail
- Each Bit Individually Programmable
- User-Selectable Rail
- SPI-COMPATIBLE BUSUser-Selectable Rail
- User-Selectable Rail
产品概述
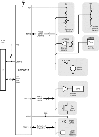
LMP92018 is a complete analog monitoring and control circuit which integrates an eight
channel 10-bit Analog-to-Digital Converter (ADC), four 10-bit Digital-to-Analog Converters (DACs),
an internal reference, an internal temperature sensor, a12-bit GPIO port, and a 10MHz SPI
interface.The eight channels of the ADC can be used to monitor rail voltages, current sense
amplifier outputs, health monitors or sensors while the four DACs can be used to control PA (Power
Amplifier) bias points, control actuators, potentiometers, etc. Both the ADC and DACs can use either the internal 2.5V reference or an external reference
independently allowing for flexibility in system design. The built-in digital temperature sensor enables accurate (±2.5°C) local temperature
measurement whose value is captured in the user accessible register. The LMP92018 also includes a 12-bit GPIO port which allows for the resources of the
microcontroller to be further extended, thus providing even more flexibility and reducing the
number of signal interfacing to the microcontroller.Both the GPIO port and the SPI compatible interface have independent supply pins enabling
the LMP92018 to interface with low voltage microcontrollers.The LMP92018 is available in a space saving 36-pin WQFN package and is specified over the
full -30°C to +85°C temperature range.
LMP92018SQE/NOPB 数据手册
| 数据手册 | 说明 | 数量 | 操作 |
|---|---|---|---|
LMP92018SQE/NOPB
|
Analog Monitor/Control Circuit 10 bit 500k SPI 36-WQFN (6x6) |
33页,968K | 查看 |
LMP92018SQE/NOPB 电路图
LMP92018SQE/NOPB 电路图
LMP92018SQE/NOPB 相关产品
- 5962-0720401VXC
- 5962-0720801VXC
- 5962-87802012A
- 5962-9152101MXA
- 5962-9961601HXA
- 6PA3100IRHBRQ1
- AD2S1210SST-EP-RL7
- AD2S1210WDSTZ
- AD2S80ATD/B
- AD3421QRWERQ1
- AD3421QRWETQ1
- AD5122ABCPZ100-RL7
- AD5122BCPZ100-RL7
- AD5122BRUZ10
- AD5123BCPZ100-RL7
- AD5142BCPZ10-RL7
- AD5235BRU25-EP-RL7
- AD5317RBRUZ
- AD5317RBRUZ-RL7
- AD5372BCPZ
- AD5623RBCPZ-5REEL7
- AD5628BCBZ-1-RL7
- AD5668BCPZ-1500RL7
- AD5684ARUZ
- AD5684BCPZ-RL7
- AD5684BRUZ-RL7
- AD5686ACPZ-RL7
- AD5686ARUZ
- AD5686BRUZ
- AD5686BRUZ-RL7

搜索
发布采购
LMP92018SQE/NOPB