- 参考价格:¥7.11-¥7.25
更新日期:2024-04-01 00:04:00
LMP7701MAX/NOPB 供应商
- 公司
- 型号
- 品牌
- 封装/批号
- 数量
- 地区
- 日期
- 说明
- 询价
-
TI
-
原厂原装
22+ -
3288
-
上海市
-
-
-
一级代理原装
LMP7701MAX/NOPB 中文资料属性参数
- 制造商:National Semiconductor (TI)
- 通道数量:1
- 共模抑制比(最小值):88 dB
- 输入补偿电压:0.2 mV at 5 V
- 工作电源电压:3 V, 5 V, 9 V
- 安装风格:SMD/SMT
- 封装 / 箱体:SOIC-8 Narrow
- 转换速度:1 V/us at 5 V
- 关闭:No
- 最大工作温度:+ 125 C
- 封装:Reel
- 最小工作温度:- 40 C
- 工厂包装数量:2500
- 电源电流:1 mA at 5 V
- Supply Voltage - Max:12 V
- Supply Voltage - Min:2.7 V
- 技术:CMOS
- 电压增益 dB:130 dB
产品特性
- Unless Otherwise Noted, Typical Values at VS = 5 V
- Input Offset Voltage (LMP7701): ±200-µV (Maximum)
- Input Offset Voltage (LMP7702/LMP7704): ±220-µV (Maximum)
- Input Bias Current: ±200 fA
- Input Bias Current: ±200 fA
- Input Voltage Noise: 9 nV/√Hz
- CMRR: 130 dB
- Open-Loop Gain: 130 dB
- Temperature Range: –40°C to 125°C
- Unity-Gain Bandwidth: 2.5 MHz
- Supply Current (LMP7701): 715 µA
- Supply Current (LMP7702): 1.5 mA
- Supply Current (LMP7704): 2.9 mA
- Supply Voltage Range: 2.7 V to 12 V
- Rail-to-Rail Input and Output
产品概述
The LMP770x are single, dual, and quad low-offset voltage, rail-to-rail input and output
precision amplifiers, each with a CMOS input stage and a wide supply voltage range. The LMP770x are
part of the LMP™ precision amplifier family and
are ideal for sensor interface and other instrumentation applications.The specified low-offset voltage of less than ±200 µV, along with the specified low input
bias current of less than ±1 pA, make the LMP7701 ideal for precision applications. The LMP770x are
built using VIP50 technology, which allows the combination of a CMOS input stage and a 12-V
common-mode and supply voltage range. This makes the LMP770x ideal for applications where
conventional CMOS parts cannot operate under the desired voltage conditions.The LMP770x each have a rail-to-rail input stage that significantly reduces the CMRR
glitch commonly associated with rail-to-rail input amplifiers. This is achieved by trimming both
sides of the complimentary input stage, thereby reducing the difference between the NMOS and PMOS
offsets. The output of the LMP770x swings within 40 mV of either rail to maximize the signal
dynamic range in applications requiring low supply voltage. The LMP7701 is offered in the space-saving 5-Pin SOT-23 and 8-Pin SOIC package. The
LMP7702 is offered in the 8-Pin SOIC and 8-Pin VSSOP package. The quad LMP7704 is offered in the
14-Pin SOIC and 14-Pin TSSOP package. These small packages are ideal solutions for area constrained
PC boards and portable electronics.
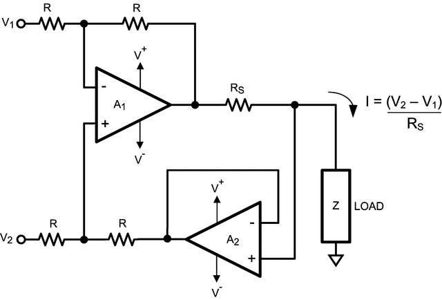
LMP7701MAX/NOPB 电路图
LMP7701MAX/NOPB 电路图
LMP7701MAX/NOPB 相关产品
- 100301QC
- 100304QC
- 100310QC
- 100311QC
- 100313QC
- 100316QC
- 100322QC
- 100329APC
- 100329DC
- 100336DC
- 100336PC
- 100341QC
- 100351DC
- 100351PC
- 100363QC
- 100364QC
- 100370QC
- 100390QC
- 100398QI
- 11AA010T-I/TT
- 11AA160T-I/TT
- 11LC010T-I/TT
- 11LC020T-I/TT
- 11LC040T-E/TT
- 11LC160T-E/TT
- 1ED020I12-F
- 2304NZGI-1LF
- 23A640-I/SN
- 23K256-I/SN
- 23K256-I/ST

搜索
发布采购