更新日期:2024-04-01 00:04:00
产品简介:具有双 PLL 且符合 JESD204B 标准的超低噪声和低功耗时钟抖动消除器
查看详情LMK04610RTQT 供应商
- 公司
- 型号
- 品牌
- 封装/批号
- 数量
- 地区
- 日期
- 说明
- 询价
-
TI
-
原厂原装
22+ -
3288
-
上海市
-
-
-
一级代理原装
-
TI
-
-
23+ -
5800
-
上海市
-
-
-
全新原装现货,杜绝假货。
LMK04610RTQT 中文资料属性参数
- 现有数量:757现货
- 价格:1 : ¥267.67000剪切带(CT)250 : ¥208.01716卷带(TR)
- 系列:-
- 包装:卷带(TR)剪切带(CT)Digi-Reel? 得捷定制卷带
- 产品状态:在售
- 类型:抖动消除器
- PLL:是
- 输入:CML,LVCMOS,LVDS,LVPECL
- 输出:HCSL,LVDS,LVPECL
- 电路数:1
- 比率 - 输入:输出:2:10
- 差分 - 输入:输出:是/是
- 频率 - 最大值:6.175GHz
- 分频器/倍频器:是/无
- 电压 - 供电:1.7V ~ 3.465V
- 工作温度:-40°C ~ 85°C
- 安装类型:表面贴装型
- 封装/外壳:56-VFQFN 裸露焊盘
- 供应商器件封装:56-QFN(8x8)
产品特性
- 双环路 PLL 架构
- 超低噪声(10kHz 至 20MHz): 1966.08MHz 频率下 48fs RMS 抖动 983.04MHz 频率下 50fs RMS 抖动 122.88MHz 频率下 61fs RMS 抖动
- 1966.08MHz 频率下 48fs RMS 抖动
- 983.04MHz 频率下 50fs RMS 抖动
- 122.88MHz 频率下 61fs RMS 抖动
- 122.88MHz 时具有 –165dBc/Hz 本底噪声
- JESD204B 支持 一次性、脉冲和连续 SYSREF
- 一次性、脉冲和连续 SYSREF
- 10 个差动输出时钟(处于 8 个频率组中) 介于 700mVpp 和 1600mVpp 之间的可编程输出摆幅 每个输出对可配置为 SYSREF 时钟输出 16 位通道分频器 最小 SYSREF 频率为 25kHz 最大输出频率为 2GHz 精密数字延迟,动态可调 数字延迟 (DDLY) ½ × 时钟分配路径频率(最大 2GHz) 60ps 步长模拟延迟 50% 占空比输出分配,1 至 65535(偶数和奇数)
- 介于 700mVpp 和 1600mVpp 之间的可编程输出摆幅
- 每个输出对可配置为 SYSREF 时钟输出
- 16 位通道分频器
- 最小 SYSREF 频率为 25kHz
- 最大输出频率为 2GHz
- 精密数字延迟,动态可调 数字延迟 (DDLY) ½ × 时钟分配路径频率(最大 2GHz)
- 数字延迟 (DDLY) ½ × 时钟分配路径频率(最大 2GHz)
- 60ps 步长模拟延迟
- 50% 占空比输出分配,1 至 65535(偶数和奇数)
- 2 个基准输入 输入丢失时采用保持模式 自动和手动切换模式 信号损失 (LOS) 检测
- 输入丢失时采用保持模式
- 自动和手动切换模式
- 信号损失 (LOS) 检测
- 在 10 个有源输出下的典型功耗为 0.88W
- 通常由 1.8V(输出、输入)和 3.3V 电源(数字、PLL1、PLL2_OSC、PLL2 内核)供电
- 完全集成的可编程环路滤波器
- PLL2 PLL2 相位检测器频率高达 250MHz OSCin 倍频器 集成式低噪声 VCO
- PLL2 相位检测器频率高达 250MHz
- OSCin 倍频器
- 集成式低噪声 VCO
- 内部功率调节:优于 –80dBc PSRR(在 VDDO 上)(对于 122.88MHz 差动输出)
- 3 线制或 4 线制 SPI 接口(4 线制为默认设置)
- –40ºC 至 +85ºC 工业环境温度
- 支持 105ºC PCB 温度(在散热焊盘上测量)
- LMK04610:8mm × 8mm VQFN-56 封装,间距为 0.5mm
产品概述
LMK0461x 器件系列具有业界性能最高且功耗最低的抖动清除器,支持 JESD204B 接口。
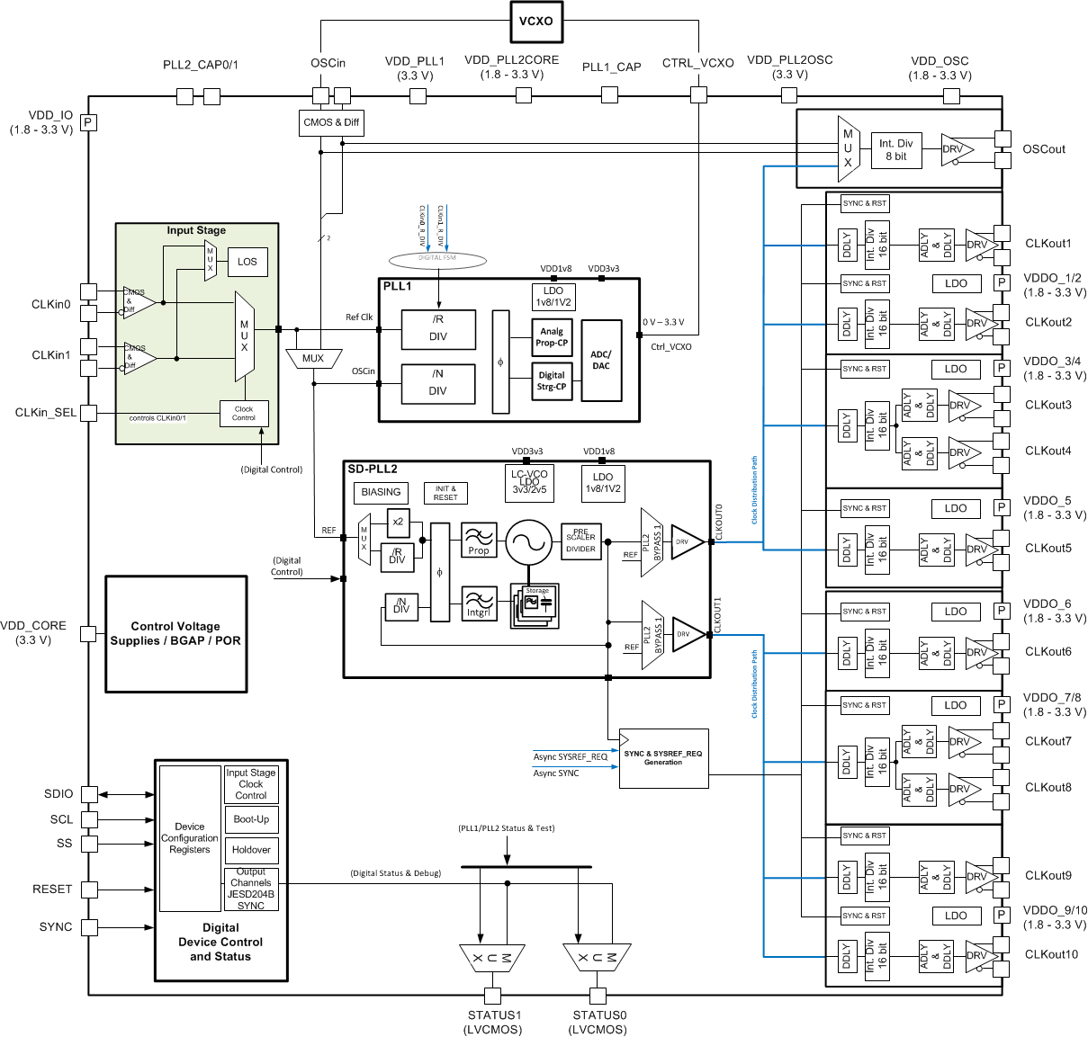
LMK04610RTQT 电路图

LMK04610RTQT 电路图
LMK04610RTQT 相关产品
- 1339-31DVGI8
- 2305A-1HDCG
- 2305NZ-1HDCG
- 2309A-1HDCG
- 308RILF
- 49FCT805BTQG
- 524MILFT
- 553MLFT
- 557M-01LFT
- 5V41065PGGI
- 5V41201PGGI
- 5V41236PGGI
- 5V49EE501NLGI
- 5V49EE902NLGI
- 6V49205BNLGI
- 74FCT3807AQG8
- 74FCT3807EPYGI
- 8102101FA
- 82V3391BEQG
- 83PN156DKILF
- 83PR226BKI-01LF
- 843002AKI-41LF
- 8442BYILF
- 844N255AKILF
- 8516FYILFT
- 8535AGI-21LF
- 8538BG-31LF
- 8538BG-31LFT
- 853S006AGILF
- 8N3S271KC-0029CDI