- 参考价格:¥6.47-¥9.18
更新日期:2024-04-01 00:04:00
LMH6723MAX/NOPB 供应商
- 公司
- 型号
- 品牌
- 封装/批号
- 数量
- 地区
- 日期
- 说明
- 询价
-
TI
-
原厂原装
22+ -
3288
-
上海市
-
-
-
一级代理原装
-
TI(德州仪器)
-
SOIC-8
2022+ -
12000
-
上海市
-
-
-
原装可开发票
LMH6723MAX/NOPB 中文资料属性参数
- 制造商:National Semiconductor (TI)
- 通道数量:1
- 共模抑制比(最小值):57 dB
- 输入补偿电压:3 mV at +/- 5 V
- 工作电源电压:5 V, 9 V
- 安装风格:SMD/SMT
- 封装 / 箱体:SOIC-8 Narrow
- 转换速度:600 V/us at +/- 5 V
- 关闭:No
- 最大工作温度:+ 85 C
- 封装:Reel
- 最小工作温度:- 40 C
- 工厂包装数量:2500
- 电源电流:1.2 mA at +/- 5 V
- Supply Voltage - Max:12 V
- Supply Voltage - Min:4.5 V
- 技术:BiCOM
产品特性
- Large Signal Bandwidth and Slew Rate 100% Tested
- 370 MHz Bandwidth (AV = 1, VOUT = 0.5 VPP) −3 dB BW
- 260 MHz (AV = +2 V/V, VOUT = 0.5 VPP) −3 dB BW
- 1 mA Supply Current
- 110 mA Linear Output Current
- 0.03%, 0.11° Differential Gain, Phase
- 0.1 dB Gain Flatness to 100 MHz
- Fast Slew Rate: 600 V/µs
- Unity Gain Stable
- Single Supply Range of 4.5 to 12V
- Improved Replacement for CLC450, CLC452, (LMH6723)
产品概述
The LMH6723/LMH6724 provides a 260 MHz small signal bandwidth at a gain of +2 V/V and a
600 V/µs slew rate while consuming only 1 mA from ±5V supplies.The LMH6723/LMH6724 supports video applications with its 0.03% and 0.11° differential
gain and phase for NTSC and PAL video signals, while also offering a flat gain response of 0.1 dB
to 100 MHz. Additionally, the LMH6723/LMH6724 can deliver 110 mA of linear output current. This
level of performance, as well as a wide supply range of 4.5 to 12V, makes the LMH6723/LMH6724 an
ideal op amp for a variety of portable applications. With small packages (SOIC and SOT-23), low
power requirement, and high performance, the LMH6723/LMH6724 serves a wide variety of portable
applications.The LMH6723/LMH6724 is manufactured in Texas Instruments VIP10 complimentary bipolar
process.
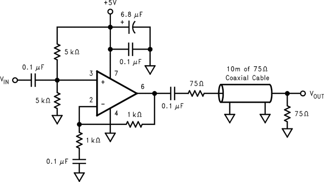
LMH6723MAX/NOPB 电路图
LMH6723MAX/NOPB 电路图
LMH6723MAX/NOPB 相关产品
- 100301QC
- 100304QC
- 100310QC
- 100311QC
- 100313QC
- 100316QC
- 100322QC
- 100329APC
- 100329DC
- 100336DC
- 100336PC
- 100341QC
- 100351DC
- 100351PC
- 100363QC
- 100364QC
- 100370QC
- 100390QC
- 100398QI
- 11AA010T-I/TT
- 11AA160T-I/TT
- 11LC010T-I/TT
- 11LC020T-I/TT
- 11LC040T-E/TT
- 11LC160T-E/TT
- 1ED020I12-F
- 2304NZGI-1LF
- 23A640-I/SN
- 23K256-I/SN
- 23K256-I/ST

搜索
发布采购