更新日期:2024-04-01 00:04:00

产品简介:具有 87mW 耳机放大器和 3D 增强功能的 2.2W 单声道、模拟输入 D 类放大器
查看详情LM4947TL 供应商
- 公司
- 型号
- 品牌
- 封装/批号
- 数量
- 地区
- 日期
- 说明
- 询价
-
TI
-
原厂原装
22+ -
3288
-
上海市
-
-
-
一级代理原装
LM4947TL 中文资料属性参数
- 音频放大类别::D
- 通道数::3
- 输出功率::1.19W
- 电源电压范围::2.7V 到 5.5V
- 总谐波失真(THD)+噪声::0.04% @ 500mW, 8ohm, VDD=5V
- 负载阻抗::8ohm
- 工作温度范围::-40°C 到 +85°C
- 封装类型::Micro SMD
- 针脚数::25
- SVHC(高度关注物质)::No SVHC (19-Dec-2011)
- 功率, 有效值::1.19W
- 器件标号::4947
- 封装类型::Bump
- 电源电压 最大::5.5V
- 电源电压 最小::2.7V
- 表面安装器件::表面安装
- 负载阻抗, 最小::8ohm
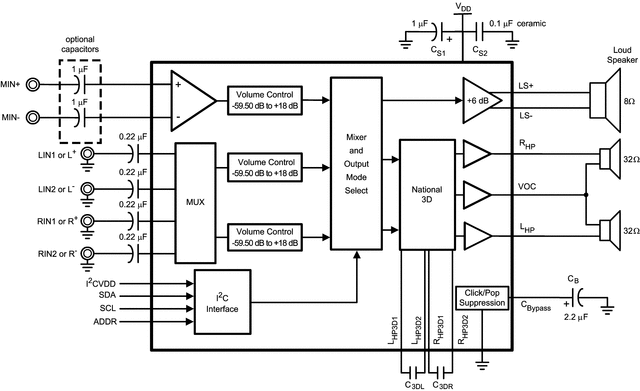
产品特性
- I2C Control Interface
- I2C Programmable Texas Instruments 3D Audio
- I2C Controlled 32 Step Digital Volume Control (-59.5dB to +18dB)
- Three Independent Volume Channels (Left, Right, Mono)
- Eight Distinct Output Modes
- Small, 25–Bump DSBGA Packaging
- “Click and Pop” Suppression Circuitry
- Thermal Shutdown Protection
- Low Shutdown Current (0.1μA, typ)
- RF Suppression
- Differential Mono and Stereo Inputs
- Stereo Input Mux
- THD+N at 1kHz, 500mW into 8Ω BTL (3.3V): 1.0% (typ)
- THD+N at 1kHz, 37mW into 32Ω SE (3.3V): 1.0% (typ)
- Single Supply Operation (VDD): 2.7 to 5.5 V
- I2C Single Supply Operation: 2.2 to 5.5 V
产品概述
The LM4947 is an audio subsystem capable of efficiently delivering 500mW (Class D
operation) of continuous average power into a mono 8Ω bridged-tied load (BTL) with 1% THD+N, 37mW
(Class AB operation) power channel of continuous average power into stereo 32Ω single-ended (SE)
loads with 1% THD+N, or an output capacitor-less (OCL) configuration with identical specification
as the SE configuration, from a 3.3V power supply.The LM4947 has six input channels: one pair for a two-channel stereo signal, the second
pair for a secondary two-channel stereo input, and the third pair for a differential single-channel
mono input. Additionally, the two sets of stereo inputs may be configured as a single stereo
differential input (differential left and differential right). The LM4947 features a 32-step
digital volume control and eight distinct output modes. The digital volume control, 3D enhancement,
and output modes are programmed through a two-wire I2C compatible
interface that allows flexibility in routing and mixing audio channels. The RF suppression circuitry in the LM4947 makes it well-suited for GSM mobile phones and
other portable applications in which strong RF signals generated by an antenna (and long output
traces) may couple audibly into the amplifier.The LM4947 is designed for cellular phones, PDAs, and other portable handheld
applications. It delivers high quality output power from a surface-mount package and requires only
eight external components in the OCL mode (two additional components in SE mode).
LM4947TL 数据手册
数据手册 | 说明 | 数量 | 操作 |
---|---|---|---|
![]() |
Amplifier IC 1-Channel (Mono) with Stereo Headphones Class D 25-uSMD |
37页,1.36M | 查看 |
LM4947TL 电路图

LM4947TL 电路图