- 参考价格:¥20.15-¥45.54
更新日期:2024-04-01 00:04:00
产品简介:具有 I2C 接口的 540mW 单声道、35mW 立体声、模拟输入 AB 类音频放大器
查看详情- 参考价格:¥20.15-¥45.54
LM4946SQ/NOPB 供应商
- 公司
- 型号
- 品牌
- 封装/批号
- 数量
- 地区
- 日期
- 说明
- 询价
-
TI
-
原厂原装
22+ -
3288
-
上海市
-
-
-
一级代理原装
-
TI(德州仪器)
-
WQFN-24
2022+ -
12000
-
上海市
-
-
-
原装可开发票
LM4946SQ/NOPB 中文资料属性参数
- 制造商:National Semiconductor (TI)
- 产品:Class-AB
- 输出功率:1.3 W x 1 at 8 Ohms, 0.085 W x 2 at 32 Ohms
- 输出类型:1-Channel Mono, 2-Channel Stereo
- 共模抑制比(最小值):61 dB (Typ)
- THD + 噪声:0.05 %, 0.012 %
- 工作电源电压:3 V, 5 V
- 电源电流:7.4 mA at 5 V
- 最大工作温度:+ 85 C
- 封装 / 箱体:LLP EP
- 封装:Reel
- 音频负载电阻:32 Ohms
- 输入信号类型:Single
- 最小工作温度:- 40 C
- 输出信号类型:Differential, Single
- 工厂包装数量:1000
- 电源类型:Single
- Supply Voltage - Max:5.5 V
- Supply Voltage - Min:2.7 V
产品概述
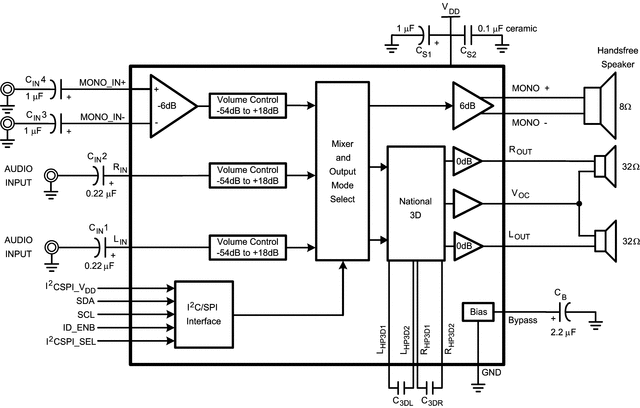
The LM4946 is an audio power amplifier capable of delivering 540mW of continuous average power into a mono 8Ω bridged-tied
load (BTL) with 1% THD+N, 35mW per channel of continuous average power into stereo 32Ω single-ended (SE) loads with 1% THD+N,
or an output capacitor-less (OCL) configuration with identical specifications as the SE configuration, from a 3.3V power supply.
The LM4946 has three input channels: one pair for a two-channel stereo signal and the third for a differential single-channel
mono input. The LM4946 features a 32-step digital volume control and eight distinct output modes. The digital volume control,
3D enhancement, and output modes (mono/SE/OCL) are programmed through a two-wire I
2C or a three-wire SPI compatible interface that allows flexibility in routing and mixing audio channels.
The LM4946 is designed for cellular phone, PDA, and other portable handheld applications. It delivers high quality output
power from a surface-mount package and requires only seven external components in the OCL mode (two additional components
in SE mode).
LM4946SQ/NOPB 电路图
LM4946SQ/NOPB 电路图
LM4946SQ/NOPB 相关产品
- 100301QC
- 100304QC
- 100310QC
- 100311QC
- 100313QC
- 100316QC
- 100322QC
- 100329APC
- 100329DC
- 100336DC
- 100336PC
- 100341QC
- 100351DC
- 100351PC
- 100363QC
- 100364QC
- 100370QC
- 100390QC
- 100398QI
- 11AA010T-I/TT
- 11AA160T-I/TT
- 11LC010T-I/TT
- 11LC020T-I/TT
- 11LC040T-E/TT
- 11LC160T-E/TT
- 1ED020I12-F
- 2304NZGI-1LF
- 23A640-I/SN
- 23K256-I/SN
- 23K256-I/ST

搜索
发布采购