- 参考价格:¥11.59-¥9.25
更新日期:2024-04-01 00:04:00
产品简介:具有输出故障检测的 1.3W 单声道、模拟输入 AB 类音频放大器
查看详情- 参考价格:¥11.59-¥9.25
LM48100QMH/NOPB 供应商
- 公司
- 型号
- 品牌
- 封装/批号
- 数量
- 地区
- 日期
- 说明
- 询价
-
TI
-
原厂原装
22+ -
3288
-
上海市
-
-
-
一级代理原装
LM48100QMH/NOPB 中文资料属性参数
- 制造商:National Semiconductor (TI)
- 产品:Class-AB
- 输出功率:1.6 W x 1 at 8 Ohms
- 输出类型:1-Channel Mono
- 可用增益调整:54 dB
- THD + 噪声:0.04%
- 最大工作温度:+ 105 C
- 安装风格:SMD/SMT
- 封装 / 箱体:TSSOP EP
- 封装:Tube
- 音频负载电阻:8 Ohms
- 双重电源电压:3 V, 5 V
- 输入信号类型:Single
- 最小工作温度:- 40 C
- 输出信号类型:Differential
- 工厂包装数量:94
- 电源类型:Triple
产品特性
- Output Fault Detection
- I2C Volume and Mode Control
- Input Mixer and Multiplexer
- High PSRR
- Individual 32-Step Volume Control
- Short Circuit and Thermal Protection
- Advanced Click-and-Pop Suppression
- Low-Power Shutdown Mode
- Available in 14-Pin HTSSOP Package
- Key Specifications: Output Power at VDD = 5 V, RL = 8 Ω, THD+N ≤ 1% 1.3 W (Typical) Quiescent Power Supply Current at 5 V, 6 mA (Typical) PSRR at 1 kHz 74 dB (Typical) Shutdown current 0.01 µA (Typical)
- Output Power at VDD = 5 V, RL = 8 Ω, THD+N ≤ 1% 1.3 W (Typical)
- Quiescent Power Supply Current at 5 V, 6 mA (Typical)
- PSRR at 1 kHz 74 dB (Typical)
- Shutdown current 0.01 µA (Typical)
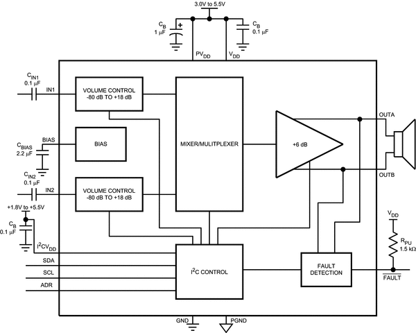
产品概述
The LM48100Q-Q1 is a single supply, mono, bridge-tied load amplifier with
I2C volume control, ideal for automotive applications. A comprehensive
output fault detection system senses the load conditions, protecting the device during short
circuit events, as well as detecting open circuit conditions.Operating from a single 5-V supply, the LM48100Q-Q1 delivers 1.3 W of continuous output
power to an 8 Ω load with < 1% THD+N. Flexible power supply requirements allow operation from 3
V to 5.5 V. High power supply rejection ratio (PSRR), 74 dB at 1 kHz, allows the device to operate
in noisy environments without additional power supply conditioning.The LM48100Q-Q1 features dual audio inputs that can be mixed/multiplexed to the device
output. Each input path has its own independent, 32-step volume control. The mixer, volume control
and device mode select are controlled through an I2C compatible
interface. An open drain FAULT output indicates when a fault has occurred.
Comprehensive output short circuit and thermal overload protection prevent the device from being
damaged during a fault condition.A low power shutdown mode reduces supply current consumption to 0.01 µA. Superior click
and pop suppression eliminates audible transients on power-up/down and during shutdown. The
LM48100Q-Q1 is available in an 14-pin HTSSOP PowerPAD™ IC
package.
LM48100QMH/NOPB 电路图
LM48100QMH/NOPB 电路图
LM48100QMH/NOPB 相关产品
- 100301QC
- 100304QC
- 100310QC
- 100311QC
- 100313QC
- 100316QC
- 100322QC
- 100329APC
- 100329DC
- 100336DC
- 100336PC
- 100341QC
- 100351DC
- 100351PC
- 100363QC
- 100364QC
- 100370QC
- 100390QC
- 100398QI
- 11AA010T-I/TT
- 11AA160T-I/TT
- 11LC010T-I/TT
- 11LC020T-I/TT
- 11LC040T-E/TT
- 11LC160T-E/TT
- 1ED020I12-F
- 2304NZGI-1LF
- 23A640-I/SN
- 23K256-I/SN
- 23K256-I/ST

搜索
发布采购