- 封装:8-TSSOP(0.173",4.40mm 宽)
- RoHS:无铅 / 符合限制有害物质指令(RoHS)规范要求
- 包装方式:Digi-Reel®
- 参考价格:$0.245-$0.68
更新日期:2024-04-01 00:04:00
产品简介:2.5V、2%、70°C、微功耗基准电压
查看详情- 封装:8-TSSOP(0.173",4.40mm 宽)
- RoHS:无铅 / 符合限制有害物质指令(RoHS)规范要求
- 包装方式:Digi-Reel®
- 参考价格:$0.245-$0.68
LM385PWR-2-5 供应商
- 公司
- 型号
- 品牌
- 封装/批号
- 数量
- 地区
- 日期
- 说明
- 询价
-
TI
-
原厂原装
22+ -
3288
-
上海市
-
-
-
一级代理原装
-
-
2019+ -
5800
-
上海市
-
-
-
全新原装现货
-
TI(德州仪器)
-
TSSOP-8
2022+ -
12000
-
上海市
-
-
-
原装可开发票
LM385PWR-2-5 中文资料属性参数
- 标准包装:1
- 类别:集成电路 (IC)
- 家庭:PMIC - 电压基准
- 系列:-
- 基准类型:分流器
- 输出电压:2.5V
- 容差:±3%
- 温度系数:标准值 20ppm/°C
- 输入电压:-
- 通道数:1
- 电流 - 阴极:20µA
- 电流 - 静态:-
- 电流 - 输出:20mA
- 工作温度:0°C ~ 70°C
- 安装类型:表面贴装
- 封装/外壳:8-TSSOP(0.173",4.40mm 宽)
- 供应商设备封装:8-TSSOP
- 包装:Digi-Reel®
- 其它名称:296-13076-6
产品特性
- 工作电流范围 20µA 至 20mA
- 1.5% 和 3% 初始电压容差
- 基准阻抗LM385 在 25°C 时最大值为 1Ω所有器件在整个温度范围内的最大值均为 1.5Ω
- LM385 在 25°C 时最大值为 1Ω
- 所有器件在整个温度范围内的最大值均为 1.5Ω
- 极低功耗
产品概述
LMx85-2.5 和 LM385B 是微功率、双端子、带隙电压基准器件,工作电流范围为 20µA 至 20mA,具有极低的动态阻抗和良好的温度稳定性。片上微调可提供范围更小的电压容差。这些器件的带隙基准具有噪声低和长期稳定的特点。该设计使得这些器件极不容易受容性负载影响,因此在大多数基准中更易于使用 应用中,低功耗是一个关键问题。宽动态工作温度范围可适应各种电流供应需求,并具有出色的稳压功能。该系列的超低耗用功率使这些器件对微功耗电路非常有用。这些电压基准可用于设计便携式仪表、稳压器或通用模拟电路,电池寿命接近保质期。这些电压基准的宽工作电流范围使其能够用容差范围更小的器件替换旧的基准。
LM385PWR-2-5 数据手册
数据手册 | 说明 | 数量 | 操作 |
---|---|---|---|
![]() |
MICROPOWER VOLTAGE REFERENCES |
14 Pages页,260K | 查看 |
![]() |
MICROPOWER VOLTAGE REFERENCES |
14 Pages页,260K | 查看 |
![]() |
Shunt Voltage Reference IC ±3% 20mA 8-TSSOP (0.173", 4.40mm Width) |
25页,1.21M | 查看 |
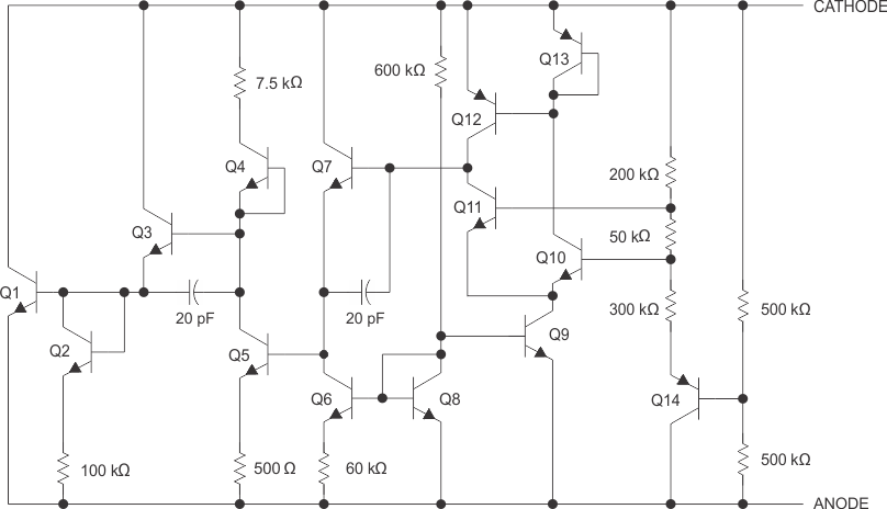
LM385PWR-2-5 电路图

LM385PWR-2-5 电路图
LM385PWR-2-5 相关产品
- AD1580ARTZ-REEL
- AD1580ARTZ-REEL7
- AD1580BKSZ-REEL7
- AD1580BRTZ-R2
- AD1580BRTZ-REEL7
- AD1582BRTZ-REEL7
- AD1583ARTZ-REEL7
- AD1583BRTZ-REEL7
- AD1584ARTZ-REEL7
- AD1584BRTZ-REEL7
- AD1585ARTZ-REEL7
- AD2702JD
- AD2702LD
- AD580LH
- AD584KNZ
- AD586BR-REEL7
- AD586BRZ-REEL
- AD586JRZ-REEL7
- AD586LR-REEL7
- AD586MNZ
- AD680ANZ
- AD680ARZ-REEL7
- AD680JRZ-REEL7
- AD780ARZ
- AD780ARZ-REEL7
- AD780BRZ
- AD780BRZ-REEL
- AD780BRZ-REEL7
- AD780CRZ-REEL7
- ADR01ARZ