- 参考价格:¥5.06-¥7.66
更新日期:2024-04-01 00:04:00
LM3525M-H 供应商
- 公司
- 型号
- 品牌
- 封装/批号
- 数量
- 地区
- 日期
- 说明
- 询价
-
TI
-
原厂原装
22+ -
3288
-
上海市
-
-
-
一级代理原装
-
NS
-
-
0 -
50
-
杭州
-
-
-
原装正品现货
-
NS
-
-
2019+ -
5800
-
上海市
-
-
-
全新原装现货
-
NS
-
SOP
23+ -
15000
-
上海市
-
-
-
中国区代理原装进口特价
-
TI/NS
-
-
21+ -
2000
-
上海市
-
-
-
原装现货,品质为先!请来电垂询!
-
NSC
-
SOP-8
新批号 -
887000
-
上海市
-
-
-
原厂发货进口原装微信同步QQ893727827
-
NS
-
sop
22+ -
5000
-
常州
-
-
-
全新原装现货热卖
-
NS
-
-
23+ -
5800
-
上海市
-
-
-
进口原装现货,杜绝假货。
-
NS/ELNAF
-
SOP-8
1817+ -
28520
-
上海市
-
-
-
原装现货,精专配套,正品BOM表报价
-
TI/德州仪器
-
-
21+ -
90000
-
上海市
-
-
LM3525M-H 中文资料属性参数
- 制造商:National Semiconductor (TI)
- 封装:Tube
- 工厂包装数量:95
产品特性
- Compatible with USB1.1 and USB 2.0
- 1 ms Fault Flag Delay During Hot-Plug Events
- Smooth Turn-On Eliminates Inrush Induced Voltage Drop
- UL Recognized Component: REF # 205202
- 1A Nominal Short Circuit Output Current Protects Notebook PC Power Supplies
- Thermal Shutdown Protects Device in Direct Short Condition
- 500mA Minimum Continuous Load Current
- Small SOIC-8 Package Minimizes Board Space
- 2.7V to 5.5V Input Voltage Range
- Switch Resistance ≤ 120 mΩ Max. at VIN = 5V
- 1µA Max Standby Current
- 100 µA Max Operating Current
- Undervoltage Lockout (UVLO)
产品概述
The LM3525 provides Universal Serial Bus standard power switch and over-current
protection for all host port applications. The single port device is ideal for Notebook PC and
Handheld PC applications that supply power to one port.A 1 ms delay on fault flag output prevents erroneous overcurrent reporting caused by
inrush currents during the hot-plug events.The LM3525 accepts an input voltage between 2.7V and 5.5V allowing use as a device-based
inrush current limiter for 3.3V USB peripherals, as well as Root and Self-Powered Hubs at 5.5V. The
Enable input accepts both 3.3V and 5.0V logic thresholds.The small size, low RON, and 1 ms fault flag delay make the LM3525
a good choice for root hubs as well as ganged power control in space-critical self-powered
hubs.
LM3525M-H 数据手册
| 数据手册 | 说明 | 数量 | 操作 |
|---|---|---|---|
LM3525M-H/NOPB
|
IC USB POWER SWITCH 8-SOIC |
17页,1021K | 查看 |
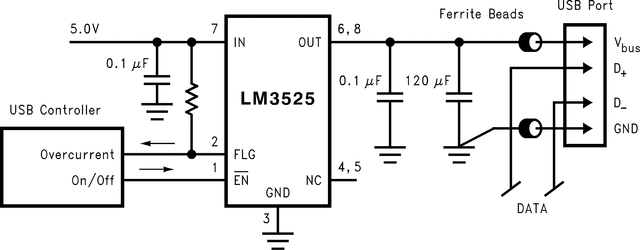
LM3525M-H 电路图
LM3525M-H 电路图
LM3525M-H 相关产品
- 2455R--01000075
- 2455RC-99360003
- ADT7461AARMZ2RL7
- DS1721S/T&R
- EMC1053-1-ACZL-TR
- EMC1053-4-ACZL-TR
- EMC1063-2-ACZL-TR
- EMC1072-A-ACZL-TR
- EMC1103-1-AIZL-TR
- EMC1402-2-ACZL-TR
- EMC1403-2-AIA-TR
- EMC1403-2-YZT-TR
- EMC1403-3-AIZL-TR
- EMC1412-2-ACZL-TR
- EMC1413-A-AIA-TR
- EMC1413-A-AIZL-TR
- EMC1414-1-AIZL-TR
- EMC1428-1-AP-TR
- EMC2102-DZK-TR
- EMC2300-AZC-TR
- ES120-0030
- JC502C3R5/17
- LM19CIZ/NOPB
- LM235H/NOPB
- LM26CIM5-SHA/NOPB
- LM26CIM5-VPA/NOPB
- LM26CIM5X-YPA/NOPB
- LM335AMX/NOPB
- LM3421Q0MHX/NOPB
- LM3421Q1MHX/NOPB

搜索
发布采购
LM3525M-H/NOPB