- 参考价格:¥17.87-¥18.84
更新日期:2024-04-01 00:04:00
LM3431QMHX/NOPB 供应商
- 公司
- 型号
- 品牌
- 封装/批号
- 数量
- 地区
- 日期
- 说明
- 询价
-
TI
-
原厂原装
22+ -
3288
-
上海市
-
-
-
一级代理原装
-
TI
-
IC
21+ -
5438
-
上海市
-
-
-
原装进口
LM3431QMHX/NOPB 中文资料属性参数
- 制造商:National Semiconductor (TI)
- 封装:Reel
- 工厂包装数量:2500
产品特性
- LM3431Q/LM3431AQ are Automotive Grade Products that are AEC-Q100 Grade 1 Qualified (–40°C to 125°C operating junction temperature)
- 3-Channel Programmable LED Current
- High Accuracy Linear Current Regulation
- Analog and Digital PWM Dimming Control
- Up to 25kHz Dimming Frequency
- >100:1 Contrast Ratio
- Integrated Boost Controller
- 5V-36V Input Voltage Range
- Adjustable Switching Frequency up to 1MHz
- LED Short and Open Protection
- Selectable Fault Shutdown or Automatic Restart
- Programmable Fault Delay
- Programmable Cycle by Cycle Current Limit
- Output Over Voltage Protection
- No Audible Noise
- Enable Pin
- LED Over-Temperature Shutdown Input
- Thermal Shutdown
- TSSOP-28 Exposed Pad Package
产品概述
The LM3431 is a 3-channel linear current controller combined with a boost switching
controller ideal for driving LED backlight panels in space critical applications. The LM3431 drives
3 external NPN transistors or MOSFETs to deliver high accuracy constant current to 3 LED strings.
Output current is adjustable to drive strings in excess of 200 mA. The LM3431 can be expanded to
drive as many as 6 LED strings.The boost controller drives an external NFET switch for step-up regulation from input
voltages between 5V and 36V. The LM3431 features LED cathode feedback to minimize regulator
headroom and optimize efficiency. A DIM input pin controls LED brightness from analog or digital control signals. Dimming
frequencies up to 25 kHz are possible with a contrast ratio of 100:1. Contrast ratios greater than
1000:1 are possible at lower dimming frequencies. The LM3431 eliminates audible noise problems by maintaining constant output voltage
regulation during LED dimming. Additional features include LED short and open protection, fault
delay/error flag, cycle by cycle current limit, and thermal shutdown for both the IC and LED array.
The enhanced LM3431A features reduced offset voltage for higher accuracy LED current.
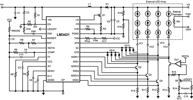
LM3431QMHX/NOPB 电路图
LM3431QMHX/NOPB 电路图
LM3431QMHX/NOPB 相关产品
- 100301QC
- 100304QC
- 100310QC
- 100311QC
- 100313QC
- 100316QC
- 100322QC
- 100329APC
- 100329DC
- 100336DC
- 100336PC
- 100341QC
- 100351DC
- 100351PC
- 100363QC
- 100364QC
- 100370QC
- 100390QC
- 100398QI
- 11AA010T-I/TT
- 11AA160T-I/TT
- 11LC010T-I/TT
- 11LC020T-I/TT
- 11LC040T-E/TT
- 11LC160T-E/TT
- 1ED020I12-F
- 2304NZGI-1LF
- 23A640-I/SN
- 23K256-I/SN
- 23K256-I/ST

搜索
发布采购