- 参考价格:¥50.03-¥87.98
更新日期:2024-04-01 00:04:00
产品简介:具有 TX 预加重和 RX 均衡功能的双通道 4.25Gbps 2:1/1:2 CML 多路复用器/缓冲器
查看详情- 参考价格:¥50.03-¥87.98
DS42MB200TSQ/NOPB 供应商
- 公司
- 型号
- 品牌
- 封装/批号
- 数量
- 地区
- 日期
- 说明
- 询价
-
TI
-
原厂原装
22+ -
3288
-
上海市
-
-
-
一级代理原装
DS42MB200TSQ/NOPB 中文资料属性参数
- 制造商:National Semiconductor (TI)
- 输入线路数量:12
- 输出线路数量:12
- 极性:Non-Inverting
- Supply Voltage - Max:3.465 V
- Supply Voltage - Min:3.135 V
- 最大工作温度:+ 85 C
- 安装风格:SMD/SMT
- 封装 / 箱体:LLP-48
- 封装:Reel
- 数据速率:4.25 Gbps
- 最小工作温度:- 40 C
- 工厂包装数量:250
产品特性
- 1– 4.25 Gbps Fully Differential Data Paths
- Fixed Input Equalization
- Programmable Output Pre-emphasis
- Independent Switch and Line Side Pre-emphasis Controls
- Programmable Switch-side Loopback Mode
- On-chip Terminations
- +3.3V Dupply
- ESD Rating HBM 6 kV
- Lead-less WQFN-48 Package (7mmx7mmx0.8mm, 0.5mm Pitch)
- –40°C to +85°C Operating Temperature Range
产品概述
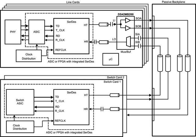
The DS42MB200 is a dual signal conditioning 2:1 multiplexer and 1:2 fan-out buffer
designed for use in backplane redundancy applications. Signal conditioning features include input
equalization and programmable output pre-emphasis that enable data communication in FR4 backplanes
up to 4.25 Gbps. Each input stage has a fixed equalizer to reduce ISI distortion from board
traces. All output drivers have 4 selectable steps of pre-emphasis to compensate for
transmission losses from long FR4 backplanes and reduce deterministic jitter. The pre-emphasis
levels can be independently controlled for the line-side and switch-side drivers. The internal
loopback paths from switch-side input to switch-side output enable at-speed system testing. All
receiver inputs are internally terminated with 100Ω differential terminating resistors. All driver
outputs are internally terminated with 50Ω to VCC.
DS42MB200TSQ/NOPB 数据手册
数据手册 | 说明 | 数量 | 操作 |
---|---|---|---|
![]() |
Buffer, Multiplexer 2 x 1:2, 2:1 Channel 4.25Gbps 48-WQFN (7x7) |
18页,897K | 查看 |
DS42MB200TSQ/NOPB 电路图

DS42MB200TSQ/NOPB 电路图
DS42MB200TSQ/NOPB 相关产品
- 100301QC
- 100304QC
- 100310QC
- 100311QC
- 100313QC
- 100316QC
- 100322QC
- 100329APC
- 100329DC
- 100336DC
- 100336PC
- 100341QC
- 100351DC
- 100351PC
- 100363QC
- 100364QC
- 100370QC
- 100390QC
- 100398QI
- 11AA010T-I/TT
- 11AA160T-I/TT
- 11LC010T-I/TT
- 11LC020T-I/TT
- 11LC040T-E/TT
- 11LC160T-E/TT
- 1ED020I12-F
- 2304NZGI-1LF
- 23A640-I/SN
- 23K256-I/SN
- 23K256-I/ST