- 参考价格:¥41.75-¥70.52
更新日期:2024-04-01 00:04:00
产品简介:具有发送预加重和接收均衡功能的 4.25Gbps 2:1/1:2 CML 多路复用器/缓冲器
查看详情- 参考价格:¥41.75-¥70.52
DS42MB100TSQ/NOPB 供应商
- 公司
- 型号
- 品牌
- 封装/批号
- 数量
- 地区
- 日期
- 说明
- 询价
-
TI
-
原厂原装
22+ -
3288
-
上海市
-
-
-
一级代理原装
DS42MB100TSQ/NOPB 中文资料属性参数
- 制造商:National Semiconductor (TI)
- 输入线路数量:6
- 输出线路数量:6
- 极性:Non-Inverting
- Supply Voltage - Max:3.465 V
- Supply Voltage - Min:3.135 V
- 最大工作温度:+ 85 C
- 安装风格:SMD/SMT
- 封装 / 箱体:LLP-36
- 封装:Reel
- 数据速率:4.25 Gbps
- 最小工作温度:- 40 C
- 工厂包装数量:250
产品特性
- 2:1 Multiplexer and 1:2 Buffer
- 0.25-Gbps to 4.25-Gbps Fully Differential Data Paths
- Fixed Input Equalization
- Programmable Output Pre-Emphasis
- Independent Pre-Emphasis Controls
- Programmable Loopback Modes
- On-Chip Terminations
- ESD Rating of 6-kV HBM
- 3.3-V Supply
- Lead-Less WQFN-36 Package
- –40°C to +85°C Operating Temperature Range
产品概述
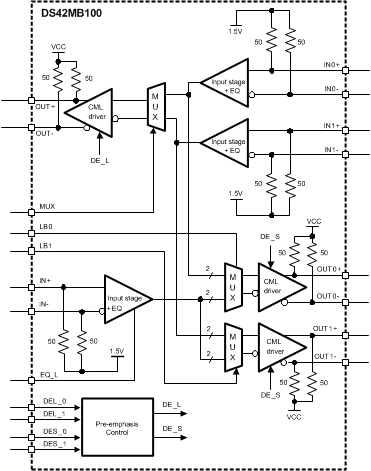
The DS42MB100 device is a signal conditioning 2:1 multiplexer and 1:2 fan-out buffer
designed for use in backplane-redundancy or cable driving applications. Signal conditioning
features include continuous time linear equalization (CTLE) and programmable output pre-emphasis
that enable data communication in FR4 backplane up to 4.25 Gbps. Each input stage has a fixed
equalizer to reduce ISI distortion from board traces. All output drivers have four selectable levels of pre-emphasis to compensate for
transmission losses from long FR4 backplane or cable attenuation reducing deterministic jitter. The
pre-emphasis levels can be independently controlled for the line-side and switch-side drivers. The
internal loopback paths from switch-side input to switch-side output enable at-speed system
testing. All receiver inputs are internally terminated with 100-Ω differential terminating
resistors. All driver outputs are internally terminated with 50-Ω terminating resistors to
VCC.
DS42MB100TSQ/NOPB 电路图
DS42MB100TSQ/NOPB 电路图
DS42MB100TSQ/NOPB 相关产品
- 100301QC
- 100304QC
- 100310QC
- 100311QC
- 100313QC
- 100316QC
- 100322QC
- 100329APC
- 100329DC
- 100336DC
- 100336PC
- 100341QC
- 100351DC
- 100351PC
- 100363QC
- 100364QC
- 100370QC
- 100390QC
- 100398QI
- 11AA010T-I/TT
- 11AA160T-I/TT
- 11LC010T-I/TT
- 11LC020T-I/TT
- 11LC040T-E/TT
- 11LC160T-E/TT
- 1ED020I12-F
- 2304NZGI-1LF
- 23A640-I/SN
- 23K256-I/SN
- 23K256-I/ST

搜索
发布采购