- 封装:14-DIP(0.300",7.62mm)
- RoHS:无铅 / 符合限制有害物质指令(RoHS)规范要求
- 包装方式:管件
- 参考价格:$0.19305-$0.68
更新日期:2024-04-01 00:04:00
产品简介:高速 CMOS 逻辑 4 级二进制计数器
- 封装:14-DIP(0.300",7.62mm)
- RoHS:无铅 / 符合限制有害物质指令(RoHS)规范要求
- 包装方式:管件
- 参考价格:$0.19305-$0.68
CD74HCT393E 供应商
- 公司
- 型号
- 品牌
- 封装/批号
- 数量
- 地区
- 日期
- 说明
- 询价
-
TI
-
原厂原装
22+ -
3288
-
上海市
-
-
-
一级代理原装
CD74HCT393E 中文资料属性参数
- 标准包装:25
- 类别:集成电路 (IC)
- 家庭:逻辑 -计数器,除法器
- 系列:74HCT
- 逻辑类型:二进制计数器
- 方向:上
- 元件数:2
- 每个元件的位元数:4
- 复位:异步
- 计时:-
- 计数速率:27MHz
- 触发器类型:负边沿
- 电源电压:4.5 V ~ 5.5 V
- 工作温度:-55°C ~ 125°C
- 安装类型:通孔
- 封装/外壳:14-DIP(0.300",7.62mm)
- 供应商设备封装:14-PDIP
- 包装:管件
- 其它名称:296-2116-574HCT393CD74HCT393
CD74HCT393E 数据手册
| 数据手册 | 说明 | 数量 | 操作 |
|---|---|---|---|
CD74HCT393E
|
Counter IC Binary Counter 2 Element 4 Bit Negative Edge 14-PDIP |
17页,614K | 查看 |
CD74HCT393EE4
|
High Speed CMOS Logic Dual 4-Stage Binary Counter 14-PDIP -55 to 125 |
15页,446K | 查看 |
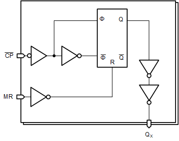
CD74HCT393E 电路图
CD74HCT393E 电路图
CD74HCT393E 相关产品
- 74AC169PC
- 74ACT161SCX
- 74ACT163SCX
- 74F169SJX
- 74HC163D,653
- 74HC393D,653
- 74HC393PW,118
- 74HC4017D,653
- 74HC4020D,653
- 74HC4024N,652
- 74HC4040D,653
- 74HC4060D,653
- 74HC93N,112
- 74HCT393D,652
- 74LV393D,112
- CD40102BE
- CD40102BNSR
- CD40102BPWR
- CD40103BE
- CD40103BEE4
- CD40103BNSR
- CD40103BPW
- CD40110BE
- CD40161BE
- CD40161BNSR
- CD40161BPWR
- CD4017BE
- CD4017BEE4
- CD4017BM96
- CD4017BM96G4

搜索
发布采购
CD74HCT393E