- 封装:*
- RoHS:无铅 / 符合限制有害物质指令(RoHS)规范要求
- 包装方式:*
- 参考价格:$0.264-$0.66
更新日期:2024-04-01 00:04:00
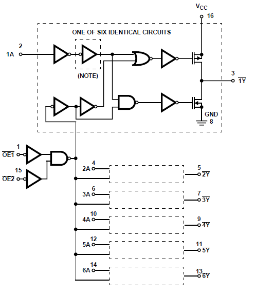
产品简介:具有三态输出的 6 通道、2V 至 6V 反相器
- 封装:*
- RoHS:无铅 / 符合限制有害物质指令(RoHS)规范要求
- 包装方式:*
- 参考价格:$0.264-$0.66
CD74HC366M96 供应商
- 公司
- 型号
- 品牌
- 封装/批号
- 数量
- 地区
- 日期
- 说明
- 询价
-
TI
-
原厂原装
22+ -
3288
-
上海市
-
-
-
一级代理原装
-
TI/德州仪器
-
SOP16
21+ -
10000
-
杭州
-
-
-
只做原装现货,大量现货热卖
-
TI(德州仪器)
-
SOIC-16_150mil
2022+ -
12000
-
上海市
-
-
-
原装可开发票
-
TI
-
-
23+ -
5800
-
上海市
-
-
-
全新原装现货,杜绝假货。
-
TI
-
-
2021+ -
28000
-
苏州
-
-
CD74HC366M96 中文资料属性参数
- 标准包装:1
- 类别:集成电路 (IC)
- 家庭:逻辑 - 栅极和逆变器
- 系列:74HC
- 逻辑类型:逆变器,缓冲器
- 电路数:6
- 输入数:1
- 特点:三态
- 电源电压:2 V ~ 6 V
- 电流 - 静态(最大值):8µA
- 输出电流高,低:7.8mA,7.8mA
- 逻辑电平 - 低:0.5 V ~ 1.8 V
- 逻辑电平 - 高:1.5 V ~ 4.2 V
- 额定电压和最大 CL 时的最大传播延迟:19ns @ 6V,50pF
- 工作温度:-55°C ~ 125°C
- 安装类型:*
- 供应商设备封装:*
- 封装/外壳:*
- 包装:*
- 其它名称:296-31580-6
CD74HC366M96 数据手册
| 数据手册 | 说明 | 数量 | 操作 |
|---|---|---|---|
CD74HC366M96
|
High Speed CMOS Logic Hex Buffer/Line Driver, Three-State Non-Inverting and Inverting |
13 Pages页,284K | 查看 |
CD74HC366M96
|
Buffer, Inverting 1 Element 6 Bit per Element Push-Pull Output 16-SOIC |
17页,469K | 查看 |
CD74HC366M96 电路图
CD74HC366M96 电路图
CD74HC366M96 相关产品
- 1A1G04QDBVRG4Q1
- 1P1G08MDBVREPG4
- 1P1G14MDBVREPG4
- 74ABT240CSCX
- 74ABT240DB,118
- 74AC00SJX
- 74AC04SJX
- 74AC11000DR
- 74AC11000N
- 74AC11004DWR
- 74AC11004N
- 74AC11008D
- 74AC11008N
- 74AC11008PWR
- 74AC11032D
- 74AC11032DBR
- 74AC11032N
- 74AC11032NSR
- 74AC11086D
- 74AC11086N
- 74AC11240DBR
- 74AC11240DW
- 74AC11240PW
- 74AC11SJX
- 74AC14SJ
- 74AC20PC
- 74AC240MTCX
- 74AC240MTR
- 74AC240SC
- 74AC32SJ

搜索
发布采购
CD74HC366M96