更新日期:2024-04-01 00:04:00
产品简介:高速 CMOS 逻辑 3 线至 8 线解码器多路信号分离器(反向和同向)
CD54HCT238F3A 供应商
- 公司
- 型号
- 品牌
- 封装/批号
- 数量
- 地区
- 日期
- 说明
- 询价
-
TI
-
TQFP
8 -
5500
-
杭州
-
-
-
原装正品现货
-
HAR
-
-
2019+ -
5800
-
上海市
-
-
-
全新原装现货
-
TI
-
DIP
0151 -
11
-
台州
-
-
CD54HCT238F3A 中文资料属性参数
- 现有数量:0现货3,076Factory
- 价格:在售
- 系列:*
- 包装:管件
- 产品状态:在售
- 类型:-
- 电路:-
- 独立电路:-
- 电流 - 输出高、低:-
- 供电电压源:-
- 电压 - 供电:-
- 工作温度:-
- 安装类型:-
- 封装/外壳:-
- 供应商器件封装:-
CD54HCT238F3A 数据手册
| 数据手册 | 说明 | 数量 | 操作 |
|---|---|---|---|
CD54HCT238F3A
|
High-Speed CMOS Logic 3- to 8-Line Decoder/ Demultiplexer Inverting and Noninverting |
14 Pages页,353K | 查看 |
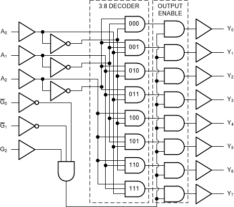
CD54HCT238F3A 电路图
CD54HCT238F3A 电路图
CD54HCT238F3A 相关产品
- 1P1G125QDRYRQ1
- 1P1G126QDRYRQ1
- 1P2GU04QDRYRQ1
- 2N7001TDCKR
- 2N7001TDPWR
- 54FCT245TDB
- 5962-8762401CA
- 5962-8766301MRA
- 5962-8768001EA
- 7202LA50JG
- 7203L20TDB
- 7204L35J
- 72805LB15PF
- 7280L20PA
- 72V201L15PFGI
- 72V211L10PFG
- 72V245L10PFG
- 72V3640L10PF
- 72V3660L7-5PFI
- 72V70210DAG
- 72V70840DAG
- 72V73273BBG
- 74AHC05S14-13
- 74AHC05T14-13
- 74AHC1G126MDCKTEP
- 74AHC32S14-13
- 74AHC594S16-13
- 74AHC594T16-13
- 74AHCT08PW-Q100J
- 74AHCT125S14-13

搜索
发布采购
CD54HCT238F3A