
风扇护罩
更新时间: 2024-01-27 15:30:52风扇护罩简介
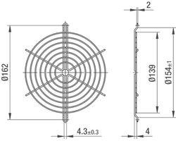
风扇护罩,通常被称为风扇格栅或风扇罩,是一种用于保护风扇的装置,尤其是电动风扇。它的主要功能是防止外部物体(如手指、灰尘、小动物等)进入风扇叶片,以确保风扇的安全运行和保持良好的通风效果。以下是风扇护罩的一些功能特点和应用场景:
功能特点:
1. 安全防护:防止人体或其他物体意外接触旋转的风扇叶片,避免伤害。
2. 防尘过滤:减少灰尘和其他微粒进入风扇,延长风扇的使用寿命。
3. 结构支撑:提供对风扇的机械支撑,保持其稳定。
4. 气流导向:有时护罩设计有特定的孔洞或形状,有助于引导气流,提高风扇效率。
应用场景:
1. 家用电器:如空调、电扇、排气扇等家用设备中的风扇。
2. 工业设备:如服务器散热风扇、电机冷却风扇、机械设备的通风系统。
3. 汽车与交通工具:汽车引擎冷却风扇、空调系统等。
4. 电子产品:电脑、笔记本电脑、电源供应器等内部散热风扇。
5. 建筑通风:建筑物中的通风系统可能会使用风扇护罩来保护风扇。
包含种类:
1. 金属护罩:常见的有铁、钢或铝制成的护罩,具有较好的强度和耐用性。
2. 塑料护罩:轻便且成本较低,适用于不需要高强度防护的场合。
3. 网状护罩:由细金属丝或塑料丝编织而成,既能通风又可防止大颗粒物进入。
4. 定制护罩:根据特殊需求设计的护罩,可能包括不同形状、材料或附加功能。
风扇护罩的设计和材质选择取决于具体的应用环境和风扇的使用条件。在购买或设计时,需要考虑到安全、效率、耐用性和成本等因素。
功能特点:
1. 安全防护:防止人体或其他物体意外接触旋转的风扇叶片,避免伤害。
2. 防尘过滤:减少灰尘和其他微粒进入风扇,延长风扇的使用寿命。
3. 结构支撑:提供对风扇的机械支撑,保持其稳定。
4. 气流导向:有时护罩设计有特定的孔洞或形状,有助于引导气流,提高风扇效率。
应用场景:
1. 家用电器:如空调、电扇、排气扇等家用设备中的风扇。
2. 工业设备:如服务器散热风扇、电机冷却风扇、机械设备的通风系统。
3. 汽车与交通工具:汽车引擎冷却风扇、空调系统等。
4. 电子产品:电脑、笔记本电脑、电源供应器等内部散热风扇。
5. 建筑通风:建筑物中的通风系统可能会使用风扇护罩来保护风扇。
包含种类:
1. 金属护罩:常见的有铁、钢或铝制成的护罩,具有较好的强度和耐用性。
2. 塑料护罩:轻便且成本较低,适用于不需要高强度防护的场合。
3. 网状护罩:由细金属丝或塑料丝编织而成,既能通风又可防止大颗粒物进入。
4. 定制护罩:根据特殊需求设计的护罩,可能包括不同形状、材料或附加功能。
风扇护罩的设计和材质选择取决于具体的应用环境和风扇的使用条件。在购买或设计时,需要考虑到安全、效率、耐用性和成本等因素。