- 封装:20-VFQFN 裸露焊盘
- RoHS:无铅 / 符合限制有害物质指令(RoHS)规范要求
- 包装方式:Digi-Reel®
- 参考价格:$4.865-$9.03
更新日期:2024-04-01 00:04:00
产品简介:采用 WQFN-20 封装的独立 1 至 3 节 2A 同步降压电池充电器
查看详情- 封装:20-VFQFN 裸露焊盘
- RoHS:无铅 / 符合限制有害物质指令(RoHS)规范要求
- 包装方式:Digi-Reel®
- 参考价格:$4.865-$9.03
BQ24115RHLR 供应商
- 公司
- 型号
- 品牌
- 封装/批号
- 数量
- 地区
- 日期
- 说明
- 询价
-
TI
-
原厂原装
22+ -
3288
-
上海市
-
-
-
一级代理原装
-
TI ?
-
SMD
5 -
50
-
杭州
-
-
-
原装正品现货
-
TI
-
20QFN
2019+ -
5800
-
上海市
-
-
-
全新原装现货
-
TI
-
原厂原装
2318+ -
9200
-
合肥
-
-
-
科大讯飞战略投资企业
BQ24115RHLR 中文资料属性参数
- 标准包装:1
- 类别:集成电路 (IC)
- 家庭:PMIC - 电池管理
- 系列:bqSWITCHER™
- 功能:充电管理
- 电池化学:锂离子(Li-Ion)、锂聚合物(Li-Pol)
- 电源电压:4.35 V ~ 16 V
- 工作温度:-40°C ~ 85°C
- 安装类型:表面贴装
- 封装/外壳:20-VFQFN 裸露焊盘
- 供应商设备封装:20-QFN-EP(4.50x3.50)
- 包装:®
- 配用:296-17262-ND - EVALUATION MODULE FOR BQ24115
- 其它名称:296-17160-6
产品特性
- Ideal For Highly Efficient Charger Designs For Single-, Two-, or Three-Cell Li-Ion and Li-Polymer Battery Packs
- bq24105 Also for LiFePO4 Battery (see Using bq24105 to Charge the LiFePO4 Battery)
- Integrated Synchronous Fixed-Frequency PWM Controller Operating at 1.1 MHz With 0% to 100% Duty Cycle
- Integrated Power FETs for Up To 2-A Charge Rate
- High-Accuracy Voltage and Current Regulation
- Available in Both Stand-Alone (Built-In Charge Management and Control) and System-Controlled (Under System Command) Versions
- Status Outputs for LED or Host Processor Interface Indicates Charge-In-Progress, Charge Completion, Fault, and AC-Adapter Present Conditions
- 20-V Maximum Voltage Rating on IN and OUT Pins
- High-Side Battery Current Sensing
- Battery Temperature Monitoring
- Automatic Sleep Mode for Low Power Consumption
- System-Controlled Version Can Be Used in NiMH and NiCd Applications
- Reverse Leakage Protection Prevents Battery Drainage
- Thermal Shutdown and Protection
- Built-In Battery Detection
- Available in 20-Pin, 3.50 mm × 4.50 mm VQFN Package
- APPLICATIONS Handheld Products Portable Media Players Industrial and Medical Equipment Portable Equipment
- Handheld Products
- Portable Media Players
- Industrial and Medical Equipment
- Portable Equipment
产品概述
The bqSWITCHER™ series are highly integrated Li-ion and
Li-polymer switch-mode charge management devices targeted at a wide range of portable applications.
The bqSWITCHER™ series offers integrated synchronous PWM controller and power FETs, high-accuracy
current and voltage regulation, charge preconditioning, charge status, and charge termination, in a
small, thermally enhanced VQFN package. The system-controlled version provides additional inputs
for full charge management under system control.The bqSWITCHER™ charges the battery in three phases: conditioning, constant current, and
constant voltage. Charge is terminated based on user- selectable minimum current level. A
programmable charge timer provides a safety backup for charge termination. The bqSWITCHER™
automatically restarts the charge cycle if the battery voltage falls below an internal threshold.
The bqSWITCHER™ automatically enters sleep mode when VCC supply is
removed.
BQ24115RHLR 数据手册
数据手册 | 说明 | 数量 | 操作 |
---|---|---|---|
![]() |
SYNCHRONOUS SWITCHMODE, LI-ION AND LI-POL CHARGE MANAGEMENT IC WITH INTEGRATED POWERFETS |
26 Pages页,605K | 查看 |
![]() |
IC BATT CHARGER MULTI-CHEM 20QFN |
45页,1.48M | 查看 |
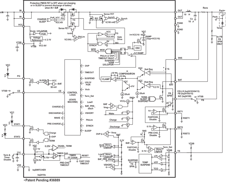
BQ24115RHLR 电路图

BQ24115RHLR 电路图
BQ24115RHLR 相关产品
- AD7280ABSTZ
- AD7280AWBSTZ
- AD7280AWBSTZ-RL
- AD8280WASTZ
- AD8280WASTZ-RL
- ADP5065ACBZ-1-R7
- BD6041GUL-E2
- BQ2000PW
- BQ2000PWG4
- BQ2000PWR
- BQ2000TPN-B5
- BQ2000TPW
- BQ2000TPWR
- BQ2000TSN-B5TR
- BQ2002CSN
- BQ2002CSNTR
- BQ2002CSNTRG4
- BQ2002DSN
- BQ2002DSNTR
- BQ2002ESN
- BQ2002ESNTR
- BQ2002FSN
- BQ2002FSNTR
- BQ2002GSN
- BQ2002SN
- BQ2002SNG4
- BQ2002SNTR
- BQ2002TSN
- BQ2002TSNTR
- BQ2003PN