- 封装:*
- RoHS:无铅 / 符合限制有害物质指令(RoHS)规范要求
- 包装方式:*
- 参考价格:$10.57-$9.5
更新日期:2024-04-01 00:04:00
产品简介:用于模拟监控和控制的集成多通道 ADC 和 DAC
查看详情- 封装:*
- RoHS:无铅 / 符合限制有害物质指令(RoHS)规范要求
- 包装方式:*
- 参考价格:$10.57-$9.5
AMC7891SRHHT 供应商
- 公司
- 型号
- 品牌
- 封装/批号
- 数量
- 地区
- 日期
- 说明
- 询价
-
TI
-
原厂原装
22+ -
3288
-
上海市
-
-
-
一级代理原装
AMC7891SRHHT 中文资料属性参数
- 标准包装:1
- 类别:集成电路 (IC)
- 家庭:数据采集 - ADCs/DAC - 专用型
- 系列:-
- 类型:模拟监视/控制电路
- 分辨率(位):10 b
- 采样率(每秒):500k
- 数据接口:串行,SPI?
- 电压电源:单电源
- 电源电压:4.75 V ~ 5.5 V
- 工作温度:-40°C ~ 105°C
- 安装类型:*
- 封装/外壳:*
- 供应商设备封装:*
- 包装:*
- 其它名称:296-30103-6
产品特性
- 10位,500每秒千次采样(kSPS) 逐次逼近寄存器型(SAR) ADC:8个外部模拟输入 V基准(REF),2 x VREF输入范围
- 8个外部模拟输入
- V基准(REF),2 x VREF输入范围
- 4个10位单片DAC:0到5V输出范围 最大10mA拉灌电流能力 加电时,电压复位至0V
- 0到5V输出范围
- 最大10mA拉灌电流能力
- 加电时,电压复位至0V
- 内部2.5V电压基准
- 内部温度传感器:–40°C至+125°C运行温度范围 准确度±2.5°C
- –40°C至+125°C运行温度范围
- 准确度±2.5°C
- 12个通用输入/输出(I/O)端口:1.8 V 至 5.5 V 工作电压
- 1.8 V 至 5.5 V 工作电压
- 低功率 串行外设接口(SPI)- 兼容串口:4线模式,1.8V至5.5V运行电压 SCLK时钟频率最高30MHz
- 4线模式,1.8V至5.5V运行电压
- SCLK时钟频率最高30MHz
- 温度范围:–40°C 至 +105°C
- 低功率:完全运行条件下,电压5V时功耗为32.5mW
- 节省空间的封装方式:36引脚,6mm x 6mm方形扁平无引脚封装(QFN)
产品概述
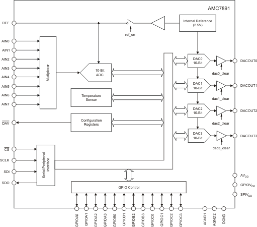
AMC7891是一款高集成,低功率,完全模拟监控和控制系统,此系统采用极小型封装。为了实现监控功能,AMC7891将8个未指定用途输入复用在一个10位SAR模数转化器(ADC)内并且还有一个准确片载温度传感器。 控制信号由4个,独立的10位数模转换器(DAC)生成。 额外的数字信号监视和控制通过12个可配置GPIO来完成。 一个内部基准可被用于驱动ADC和DAC。 通过一个多用途,四线制串行接口来执行到此器件的通信,此接口与工业标准微处理器和微控制器兼容。 此串行接口可运行最高30MHz的时钟频率下,这样可实现到关键系统数据的快速访问。此器件额定运行温度范围为–40ºC至105ºC并采用极小型,36引脚,6mm x 6mm QFN封装。AMC7891的低功率,小尺寸和高集成度使得它成为低成本,偏压控制电路的理想选择,此电路用于最新的RF晶体管,例如RF通信系统中的功率放大器(PA)和低噪音放大器(LNA)。 AMC7891 对于那些要求一个不同的通道数,额外的特性,或者转换器解决方案的应用,德州仪器提供一个模拟监视器和控制(AMC)产品的完整系列产品。 请见网站http://www.ti.com/amc。
AMC7891SRHHT 数据手册
数据手册 | 说明 | 数量 | 操作 |
---|---|---|---|
![]() |
Analog Monitor/Control Circuit 10 bit 500k SPI 36-VQFN (6x6) |
41页,1.07M | 查看 |
AMC7891SRHHT 电路图

AMC7891SRHHT 电路图
AMC7891SRHHT 相关产品
- AD2S1205WSTZ
- AD2S1205YSTZ
- AD2S1210ASTZ
- AD2S1210BSTZ
- AD2S1210CSTZ
- AD2S1210WDSTZRL7
- AD2S44-UM18B
- AD7142ACPZ-1REEL
- AD7142ACPZ-REEL
- AD7147ACPZ-1REEL
- AD7147ACPZ-REEL
- AD7147WPACPZ-1RL
- AD7147WPACPZ-RL
- AD7152BRMZ
- AD7153BRMZ
- AD7294BCPZ
- AD7294BCPZRL
- AD7400AYRWZ
- AD7400YRWZ-REEL
- AD7581AQ
- AD7581BQ
- AD7581JNZ
- AD7606BSTZ
- AD7606BSTZ-4
- AD7606BSTZ-4RL
- AD7606BSTZ-6
- AD7606BSTZ-6RL
- AD7606BSTZ-RL
- AD7607BSTZ
- AD7607BSTZ-RL